Мотор БМТ ОМТ985кк низкоскоростного высокого вращающего момента гидравлический заменяет тяжелые части оборудований
Характерные особенности:
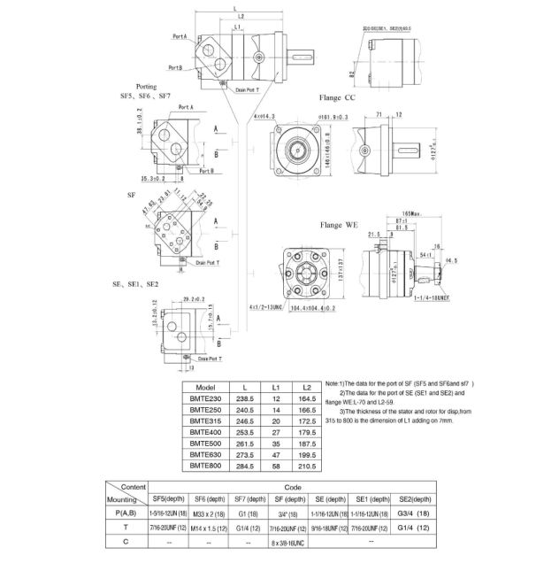
Спецификации:
| Тип | БМТ 160 | БМТ 200 | БМТ 230 | БМТ 250 | БМТ 315 | БМТ 400 | БМТ 500 | БМТ 630 | БМТ 800 | |
| Геометрическое смещение (км3 /rev.) |
161,1 | 201,4 | 232,5 | 251,8 | 326,3 | 410,9 | 523,6 | 629,1 | 801,8 | |
| Максимальная скорость (рпм) | конт. | 625 | 625 | 536 | 500 | 380 | 305 | 240 | 196 | 154 |
| инт. | 780 | 750 | 643 | 600 | 460 | 365 | 285 | 233 | 185 | |
| Максимальный вращающий момент (н·м) | конт. | 470 | 590 | 670 | 730 | 950 | 1080 | 1220 | 1318 | 1464 |
| инт. | 560 | 710 | 821 | 880 | 1140 | 1260 | 1370 | 1498 | 1520 | |
| пик | 669 | 838 | 958 | 1036 | 1346,3 | 1450,3 | 1643,8 | 1618,8 | 1665 | |
| Максимальный выход (кВ) | конт. | 27,7 | 34,9 | 34,7 | 34,5 | 34,9 | 31,2 | 28,8 | 25,3 | 22,2 |
| инт. | 32 | 40 | 40 | 40 | 40 | 35 | 35 | 27,5 | 26,8 | |
| Максимальное падение давления (МПа) |
конт. | 20 | 20 | 20 | 20 | 20 | 18 | 16 | 14 | 12,5 |
| инт. | 24 | 24 | 24 | 24 | 24 | 21 | 18 | 16 | 13 | |
| пик | 28 | 28 | 28 | 28 | 28 | 24 | 21 | 19 | 16 | |
| Максимальная подача (Л/МИН) | конт. | 100 | 125 | 125 | 125 | 125 | 125 | 125 | 125 | 125 |
| инт. | 125 | 150 | 150 | 150 | 150 | 150 | 150 | 150 | 150 | |
| Максимальное входное давление (МПа) |
конт. | 21 | 21 | 21 | 21 | 21 | 21 | 21 | 21 | 21 |
| инт. | 25 | 25 | 25 | 25 | 25 | 25 | 25 | 25 | 25 | |
| пик | 30 | 30 | 30 | 30 | 30 | 30 | 30 | 30 | 30 | |
| Вес (кг) | 19,5 | 20 | 20,4 | 20,5 | 21 | 22 | 23 | 24 | 25 | |
* непрерывное давление: Максимальное значение работая мотора непрерывно.
* прерывистое давление: Максимальное значение работая мотора в 6 секундах в минуту.
* пиковое давление: Максимальное значение работая мотора в 0,6 второго в минуту.

Применения: