Спецификации
Номер модели :
БЗЗ
Место происхождения :
Китай
Количество минимального заказа :
50 комплектов
Термины компенсации :
L / C, T / T
Способность поставкы :
1000000 наборов в год
Срок поставки :
10-15 дней работы
Упаковывая детали :
Картон упаковка и в конце концов с подносом, или деревянная коробка
Название продукта :
Общие компоненты управления рулем управляя блоками
Функция :
Задерживающий клапан, внешний вариант блока клапана
Технологии :
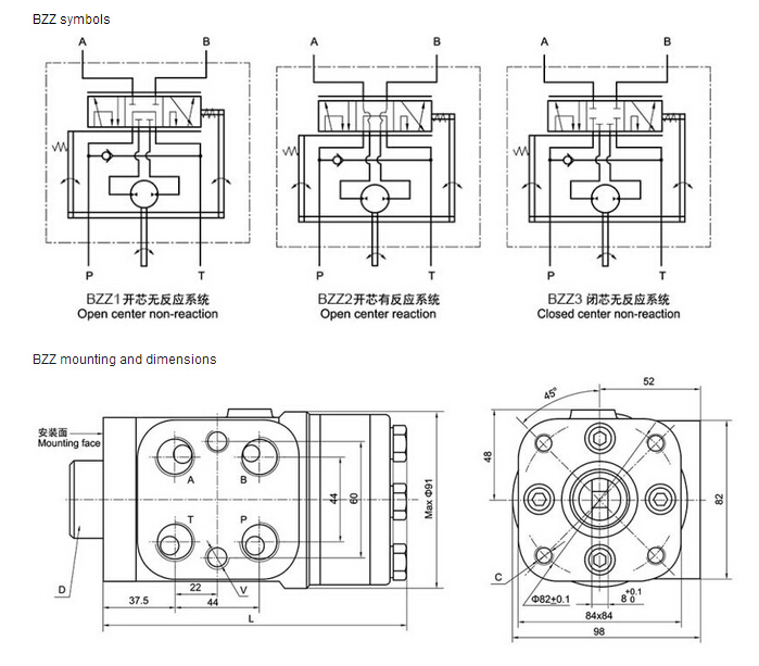
Открытая разбивочная не-реакция, открытая разбивочная реакция, близкая разбивочная не-реакция, воспр
Порт масла :
G1/2»
Смещение :
50кк-1000кк
Применение :
Аграрные машина, транспорт, строительное оборудование, металлургическое, морское, етк.
Описание

Гидравлическое Орбитрольс, управляя блоки БЗЗ для класса/гусеничных тракторов, затяжелителей

Введение:

Гидравлические управляя блоки управления (БЗЗ), гидравлический мотор

БЗЗ1, БЗЗ2, гидравлические управляя блоки управления БЗЗ3 (СКУ), новый дизайн, лучшее представление. Широко приложенный к конструкции кораблей малой скорости и тяжелого груза например мачинары, грузоподъемнику, трактору, жатке и управлению етк кормила.

Преимущества:

Преимущества гидравлических управляя блоков управления:

1. Низкая цена, надежная.
2. Реакция нулевой нагрузки на руле удобном.
3. ручная операция доступная когда насос не будет работать.
4. низкий вращающий момент контроля, работа в непрерывном режиме.
5. согласно системе, различные клапаны функции и давления ровные доступные.

Спецификация:

Тип Смещение
(мЛ/р)
Подача
(Л/МИН)
Макс.иньпут
давление (МПа)
Максимальный конт. задняя часть
давление (МПа)
Длина (мм)
БЗЗ (1.2.3) – Э50 * 50 4 16 2,5 140
БЗЗ (1.2.3) – Э63 * 60 5 141
БЗЗ (1.2.3) – Э80 * 80 6 142,5
БЗЗ (1.2.3) – Э100 * 10 7,5 145
БЗЗ (1.2.3) – Э125 * 125 9,5 148
БЗЗ (1.2.3) – Э160 * 160 12 153
БЗЗ (1.2.3) – Э200 * 200 15 158
БЗЗ (1,3) – Э250 * 250 19 164
БЗЗ (1,3) – Э280 * 280 21 169
БЗЗ (1,3) – Э315 * 315 24 174
БЗЗ (1.3) – Э400 * 400 30 184
БЗЗ (1,3) – Э500 * 500 38 197
БЗЗ (1.3) – Э630 * 630 48 216
БЗЗ (1,3) – Э800 * 800 60 236
БЗЗ (1,3) – Э1000 * 10000 75 262

Блоки БЗЗ управления рулем мотора управления рулем работы в непрерывном режиме гидравлические для грузоподъемника/трактора
Применения:

Своя роль увеличить передачу управления рулем рулевого колеса усилителя руля к механизму передачи и изменить направление передачи.

Широко использованный в сельскохозяйственной технике, машинном оборудовании судостроения, машинном оборудовании сада, машинном оборудовании ремонта дорог, машинном оборудовании лесохозяйства, строительной технике и минируя машинном оборудовании и других низкоскоростных грузовых автомобилях.

С ним, водитель может достигнуть большего управления силами управления рулем с более небольшой силой управления рулем, и представление безопасно и надежный, деятельность светла и гибка.

Отправьте сообщение этому поставщику
Отправляй сейчас

Блоки БЗЗ управления рулем мотора управления рулем работы в непрерывном режиме гидравлические для грузоподъемника/трактора

Спросите последнюю цену
Номер модели :
БЗЗ
Место происхождения :
Китай
Количество минимального заказа :
50 комплектов
Термины компенсации :
L / C, T / T
Способность поставкы :
1000000 наборов в год
Срок поставки :
10-15 дней работы
Контактный поставщик
Блоки БЗЗ управления рулем мотора управления рулем работы в непрерывном режиме гидравлические для грузоподъемника/трактора
Блоки БЗЗ управления рулем мотора управления рулем работы в непрерывном режиме гидравлические для грузоподъемника/трактора
Блоки БЗЗ управления рулем мотора управления рулем работы в непрерывном режиме гидравлические для грузоподъемника/трактора
Блоки БЗЗ управления рулем мотора управления рулем работы в непрерывном режиме гидравлические для грузоподъемника/трактора
Блоки БЗЗ управления рулем мотора управления рулем работы в непрерывном режиме гидравлические для грузоподъемника/трактора

Shijiazhuang Hanjiu Technology Co.,Ltd

Verified Supplier
8 Годы
hebei, shijiazhuang
С тех пор 1995
Вид деятельности :
Manufacturer, Exporter, Seller
Общее годовое :
6000000-7000000
Количество работников :
>100以上
Уровень сертификации :
Verified Supplier
Узнайте о аналогичных продуктах
Смотрите больше
Контактный поставщик
Требование о предоставлении