Гидравлический двигатель БМВ630/ОМВ630, вал φ50мм для оборудований конструкции
Введение:
Мотор серии БМВ приспосабливает предварительный набор шестерни Геротор, дизайн с подачей распределения диска и высокое давление. Блок может быть поставленным теиндивидуал вариантом в работать многофункциональный в соответствии с требованием применений.
Характерные особенности: 
(1) выдвинутые изготовляя приборы для набора шестерни Геротор, которые используют низкое давление запуска, обеспечивают ровную и надежную высокую эффективность оператионанд;
 
 (2) вал выхода приспосабливается в подшипниках сплющенного ролика которые позволяют высокие осевые и радиальные силы. Смогите предложить емкости высоких давления и хигхторке в широком применений;
 
 (3) выдвинутый дизайн в подаче дистрбутион диска, которая может автоматически компенсировать в работать с высокообъемными эффективностью и длинной жизнью, предусматривает ровную и надежную деятельность.
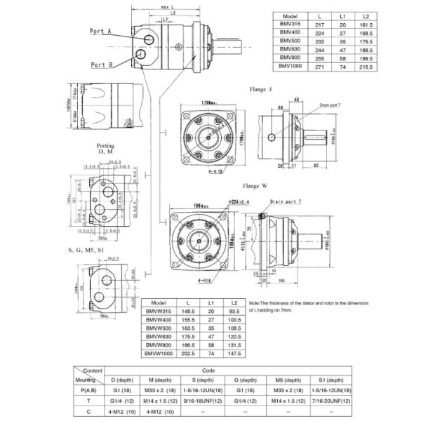
Спецификации: 
Моторы Ханджю БМВ орбитальные могут заменить Данфосс ОМВ, Эатон-чарлынн 10000 серий, М+С МВ етк.
Смещение может быть: 315кк, 400кк, 500кк, 630кк, 800кк, 1000кк
 Вращающий момент может быть: 900-2000Н/м
Вал: ¢50мм;
Пилот: ¢160мм;
Фланец: 4 Больц/200мм
Порт: Г1, порт стока: Г1/4»
| Примечание: Когда таблица использована, пожалуйста заполните код в таблице и дайте нам код полного заказа вам. Данные по кода состоят из конструкции, смещения, монтажного фланца, вала выхода и портов. Для получения более подробной информации о эксплуатационных данных, размеры & данные по установки, расширения вала, етк., пожалуйста загружают наш каталог на здесь. | 
| Основные спецификации: | |||||||||||||||||||||||||||||||||||||||||||||||||||||||||||||||||||||||||||||||||||||||||||||||||||||||||||||||||
| 
 * непрерывное давление: Максимальное значение работая мотора непрерывно. | |||||||||||||||||||||||||||||||||||||||||||||||||||||||||||||||||||||||||||||||||||||||||||||||||||||||||||||||||

Применения: 
Моторы Ханджю гидравлические получают широкое применение в машинном оборудовании земледелия, удя машинное оборудование, пластиковую индустрию, минирование, и строительную технику, особенно приспособленную для того чтобы понизить применения нагрузки, как пластиковые машина прессформы впрыски, уборщик, резец травы, вороты, транспортеры, ряды, приводы метельщика, сверла, резцы, косилки и Чипперс.