Гидравлический блок 102С управления рулем для трактора Массей Фергусон заменяет ХКУ, ХКУС
Направьте блок, гидравлическое управление рулем, гидростатическое управление рулем, клапан управления рулем орбитрол, термины для чего мы вызываем ГИДРАВЛИЧЕСКИМ БЛОКОМ УПРАВЛЕНИЯ РУЛЕМ.
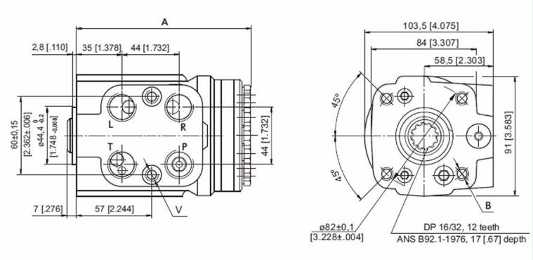
блок управления рулем серии 102С один из нашего самого популярного типа, фоунктион доступное ДАЛЬШЕ (открытая разбивочная не-реакция), КН (близкая разбивочная не-реакция), ИЛИ (открытая разбивочная реакция) и ЛС (нагрузка воспринимая).
Применения:
Массей Фергусон
Серие 200: 230 240 253 (ВЕЛИКОБРИТАНИЯ) 261 263 (ВЕЛИКОБРИТАНИЯ)
Серие 300: 340 342 350 352 355 360 362 365 372Н, 375 382Н 390 396 398 399
Серие 400: 420 430
Серие 4200: 4215 4220 4225 4225ХВ 4235 4235 (США) 4235ХВ 4235ХВ (США) 4240 4245 4245ХВ
4255 4255ХВ 4260 4265 4270
Серие 4300: 4315 4320 4325 4325ХВ 4335 4335ХВ 4345 4345ХВ 4355 4355ХВ 4360 4365 4370
Преимущество:
Замените популярные модели Данфосс, Эатон, М+С, Капрони, Рексротх, и частей ОЭМ Джохн Деере, Форда, Массей Фургусон, новой Голландии, МТЗ, етк. мы делаем очень славное время качества вкратце, превосходных представления и оценки. Обслуживайте Польшу, Укриане, Болгарию, Германию, Великобританию, Испанию, Турцию, надежду заработать ваше дело тоже.
Усилитель руля Ханджю = управление рулем Эатон = управление рулем Чарлынн = управление рулем Данфосс = управление рулем Джохн Деере = управление рулем класса = управление рулем Массей Фергусон = еще многие делают обыкновенно найденный на машинном оборудовании нестандартного оборудования. Мы имеем полностью 4 тип орбитальные клапаны управления рулем могут обеспечить, там много будем один тип сюита для вас.

Пожалуйста не смутитесь контактировать нас для получения дополнительной информации, дознания или заказы.
Спасибо для выбора гидротехник „Ханджю“.