Engin запасной части модулирующей лампы OSPC500 LS управления рулем ролика дороги Dynapac гидравлическое управляя
этот тип блоков гидравлического orbitrol управляя для тяжелого оборудования, как затяжелители колеса, затяжелители backhole, ролики дороги,
earthmovers, бульдозеры .....
соответствующий для бренда KOMATSU, Dynapac, Kubota, JCB, CAT, бойскаут младшей группы .....
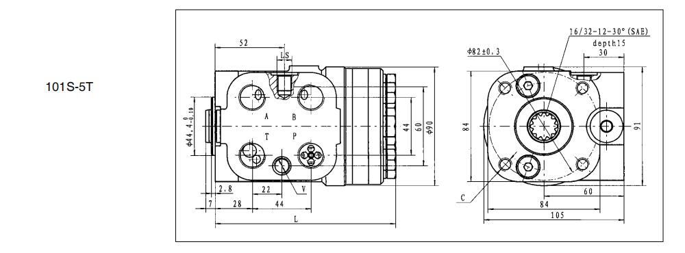
тип номер: Hanjiu 101s
смещение: 500liters
функция: нагрузка воспринимая тип
установки наддува клапана сброса: 17mpa
установки наддува клапана удара: 22mpa
пересекая код: OSPC500 LS
Часть OEM: 1508133/23531262
Особенности:
Multi типы, размеры, ключ или валы splind доступные
Соответствующий для почти всех видов KOMATSU, carterpillar, doosan, shantui…
Различный порт масла, разные виды вала, различный фланец может выбрать.
Много видов смещения, могут соответствующий для всех систем гидры ulic.
Высококачественные материалы к телу блока управления рулем produceorbitrol (Aluminum&Alloy).
100% заменяет части OEM, спасительную цену 70%-80%.
Гидравлический управляя блок 10 серий объединенный управляя блок, тело клапана роторного клапана объединенная структура, тогда управляя блок может интегрировать с клапаном патрона, как управляя модулирующая лампа объединенной системы. Этот 101 тип блок управления рулем без клапана сброса и клапана удара, 101 серия может 100% заменить OSPB.
Спецификация:
| Параметры | Серия 101S-5 (t) (TE) (l) (e) - *** |
|||||||||||
| Смещение (mL/r) | 50 | 63 | 80 | 100 | 125 | 160 | 200 | 250 | 280 | 315 | 400 | 500 |
| Скорость Max.input (rpm) | 100 | 75 | ||||||||||
| Давление Max.input (Mpa) | 17,5 | |||||||||||
| Давление Max.cont.back | 2,5 | |||||||||||
| Установки наддува клапана сброса (Mpa) | 06,07,08,10,12,14,15,16.5, 17,5 | |||||||||||
| Клапаны удара давят установки (Mpa) | 12,13,14,16,18,20,21,22,23.5 | |||||||||||
| Вес (kg) | 5,75 | 5,81 | 5,89 | 5,93 | 6,1 | 6,3 | 6,5 | 6,73 | 6,91 | 7,1 | 7,5 | 8,3 |
| Размер l (mm) | 130 | 132 | 134 | 137 | 140 | 145 | 150 | 156 | 161 | 166 | 176 | 183 |



родственные части OEM
| Hanjiu | OEM | |
| CN 101s 100 | AL41291 AL55308 OSPC-160CN HKUS160/7/3 |
1550 (50 серий), 1640 (40 серий), 1750 (50 серий), 1850 (50 серий) 1950 (50 серий), 2040 (40 серий), 2140 (40 серий), 2250 (50 серий), 2450 (50 серий), 2650 (50 серий), 2850 (50 серий), 3040 (40 серий), 3050 (50 серий), 3140 (40 серий), 3150 (50 серий), 3340 (40 серий), 3350 (50 серий) |
| Hanjiu | Massey FergusonOEM | Massey Ferguson |
| 101s 125 ДАЛЬШЕ | K207419 4WD 125cc-3/4» HKUS125/ON |
240 (200 серий), 253 (200 серий) 261 (200 серий), 265 (200 серий) 275 (200 серий), 290 (200 серий) 298 (200 серий), 340 (300 серий) 342 (300 серий), 350 (300 серий) 352 (300 серий), 355 (300 серий) 360 (300 серий), 362 (300 серий) 365 (300 серий), 372 (300 серий) |
| Hanjiu | OEM Фиат | Фиат |
| 101s 100 ДАЛЬШЕ |
(5140383)/5143319/2WD
HKUS100/ON
OSPC100/ON
|
100-90 (90 серий), 110-90 (90 серий) 115-90 (90 серий), 130-90 (90 серий) 140-90 (90 серий), 160-90 (90 серий) 180-90 (90 серий), 55-90 (90 серий) 60-90 (90 серий), 70-90 (90 серий) 80-90 (90 серий), 85-90 (90 серий) |
