Bearingless гидравлический мотор имеет такие же компоненты привода как стандартный мотор и мотор колеса за исключением того, что никакие вал и гнездо под подшипник выхода. Этот тип мотора особенно соответствующий для приводов коробки передач. При использовании bearingless мотора, он необходимо принимать что вал внутреннего сплайна поддержанный подшипником соответствуется к валу сплайна мотора.
Этот bearingless гидравлический мотор вид конечной грани и мотора циклоиды подачи гидравлического. Дизайн предварительного установленного типа фиксированных параметров ротора имеет такой же вращающий момент выхода с высокой эффективностью работы, высоким давлением работы, низким давлением начала, стабилизированной деятельностью и двухсторонним доступом.
Когда конструировать продукт, используя этот гидравлический мотор может сохранить значительный объем денег.
Следующее введение продукта:
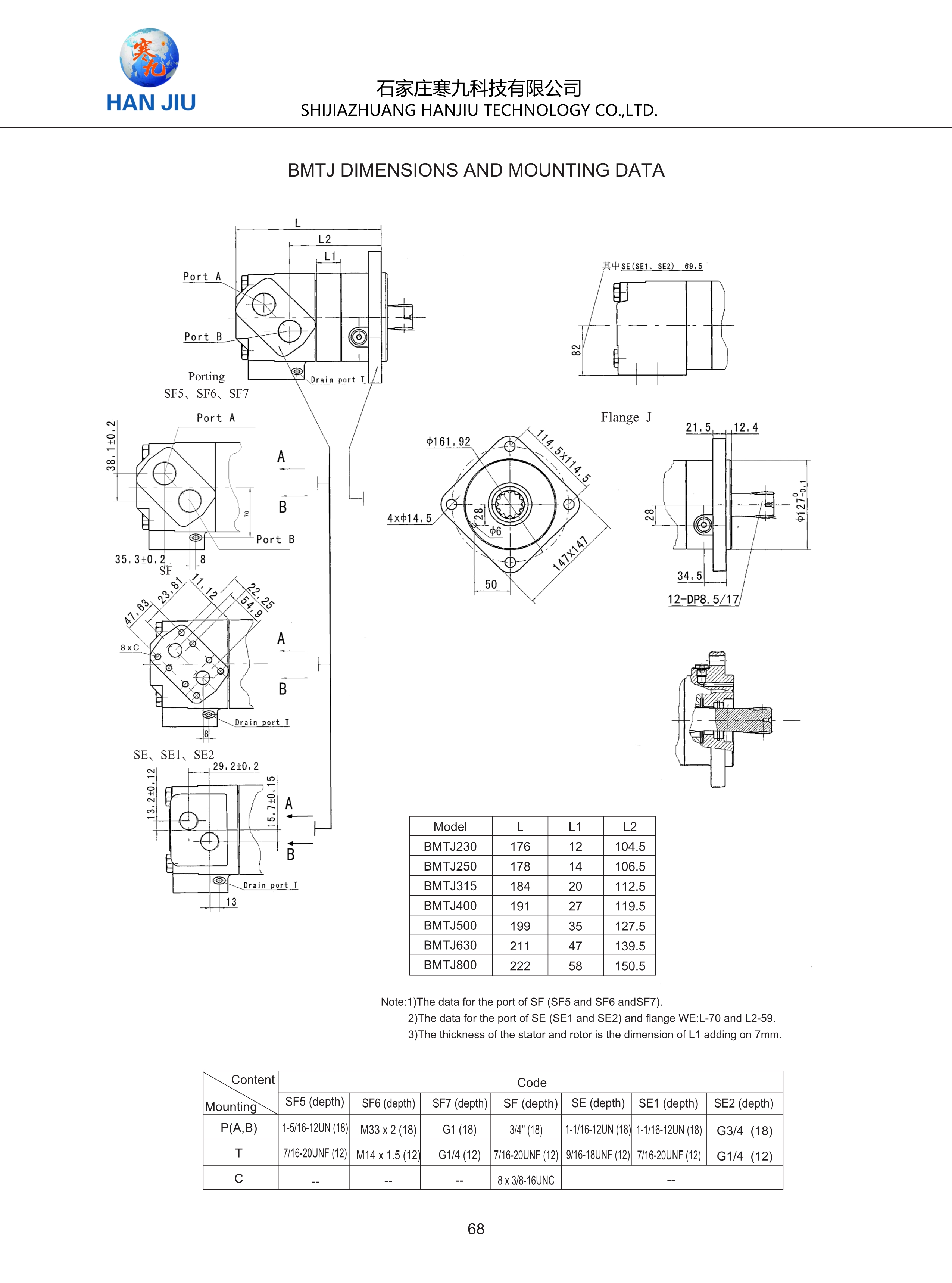
| Номер модели: | BMTJ-230-JSF5 |
| Геометрический смещение (cm3 /rev.) | 232,5 |
| Максимальная скорость (rpm) | cont. 536 int. 643 |
| Максимальный вращающий момент (n•m) | cont. 670 int. 821 пик 958 |
| Максимальная подача (Л/МИН) | cont. 125 int. 150 |



Преимущества продукта:
мотор 1.This принимает предварительный дизайн параметра ротора, и он имеет низкое давление, высокую эффективность и ровную деятельность.
2.It может выдержать более высокое давление работы и высокий вращающий момент выхода.
дизайн 3.The предварительный и надежный рычага вала включает мотор имеет длинную жизнь.
4.The выдвинуло точность подачи конструктивных особенностей механизма распределения высокую и автоматическую компенсацию.
структура мотора 5.The компактна и коротка, удобный для установки.
6.Motor можно использовать последовательно и параллельный, и внешний трубопровод дренажа должен быть соединять последовательно.
Применение:
Этот тип shaftless гидравлического мотора главным образом использован в различных механических slewing механизмах как земледелие, рыбозавод, легкая промышленность, подниматься и транспорт, минирование, и проектировать машинное оборудование.
Hanjiu, ваш гидравлический специалист мотора, для любого гидравлического требования мотора пожалуйста свяжется мы