Насос с зубчатой передачей серии GPC-4GPC4-50-B-6-F1-30-L Vickers для кранов
Серия GPC4 высоконапорного насоса с зубчатой передачей моя компания для того чтобы ввести насос с зубчатой передачей Vickers американской компании высоконапорный, и внутренние структурные улучшения.
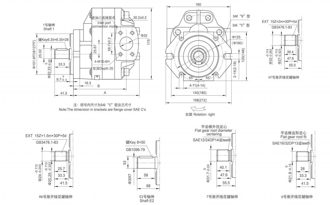
этот тип насосов с зубчатой передачей имеет выгодные особенности осевой гибкой компенсации и радиального гидравлического баланса. предусмотрение различных монтажных фланцев, концов валов и соединения масла inlet&outlet с SAE и китайскими стандартами
Главным образом использованный в кранах, самосвалах и другой строительной технике.
Серию GPC4 высоконапорного насоса с зубчатой передачей, в дополнение к одиночному насосу, но также можно мульти-соединить для того чтобы отвечать потребностямы работы хозяина.
Спецификация и данные
| модель | номинальное смещение (ml/r) | расклассифицированное давление (Mpa) | Номинальная скорость (r/min) | Минимальная скорость (r/min) | сила входного сигнала (на расклассифицированный pressure&speed) | вес (килограммы) |
| GPC4-20 | 21 | 25 | 3300 | 900 | 36,55 | 8,3 |
| GPC4-25 | 26,2 | 25 | 3300 | 900 | 45,6 | 8,6 |
| GPC4-32 | 32,8 | 25 | 3150 | 900 | 53,15 | 9 |
| GPC4-40 | 42 | 25 | 3000 | 900 | 64,81 | 9,4 |
| GPC4-50 | 52,5 | 23 | 2700 | 800 | 67,08 | 9,7 |
| GPC4-63 | 65,6 | 20 | 2500 | 700 | 67,49 | 10,2 |
| GPC4-80 | 78,7 | 18 | 2300 | 600 | 67,04 | 10,7 |




другой тип

особенности насоса с зубчатой передачей hanjiu:
1. механизм компенсации осевого зазора автоматический держит высокую объемную эффективность
2. малошумный и длинный срок службы
3. применение высокопрочных материалов алюминиевого сплава, облегченная, низкая интенсивность работы установки
4. типы вала входного сигнала: ключ, прямоугольный сплайн, инволютный сплайн и ясменник
5. типы соединений для портов входа и выхода: поток или фланец etc.
Применения:
Насосы этой серии также имеют преимущество своих простой структуры, надежного представления, объемной эффективности, сопротивления удара и обслуживания длинной жизни. И они широко использованы в тракторах, строительной технике, тележках санобработки и других гидравлических системах.
CO. технологии Hanjiu, LTD. Предприятие специализируя в продукции мотора циклоиды серии BM гидравлического, шестерни BZZ полностью гидравлической управляя, гидравлического насоса с зубчатой передачей, комбинации FK блок клапана и другие гидравлические компоненты. Продукты широко использованы в проектировать машинное оборудование, минируя машинное оборудование, металлургическое машинное оборудование, машинное оборудование нефти, сельскохозяйственную технику, машинное оборудование инжекционного метода литья, инженерство машинного оборудования рыбозавода военное и другие поля.
Наша компания имеет много наборов импортированного оборудования и предварительная технология производства, имеет множества высококачественный инженерно-технический персонал, и оборудованный со своей собственной командой научных исследований и разработки, с сильной технической силой для обеспечения качества продукции. Мы имеем полный набор системы обеспечения качества продукции от работников, сырья входя в фабрику, частей обрабатывая, испытания оборудования и доставки продукта. С высококачественным, дружелюбная цена и любезное обслуживанием, продукты благоволить к потребителями в стране и за рубежом.