Умная система охлаждения кондиционера приложения AC220V на открытом воздухе
Система охлаждения приложения автоматизации малошумного умного кондиционирования воздуха шкафа AC220V на открытом воздухе полная
1. Введение системы охлаждения приложения
Кондиционер TC06-50JFH/01 полный продукт контроля температуры автоматизации. Он использует умный регулятор для того чтобы контролировать всю систему кондиционера. Согласно изменению температуры окружающей среды, умный регулятор может автоматически обнаружить, привестись в действие и записаться все время, расход энергии, событие и данные за прошедший период системы работая. Он может хранить 100 показателей события и 1280 показателей данных за прошедший период, и может запросить данные по ежедневных записей 256 дней. Продукт получает широкое применение в шкафе телекоммуникаций, небольшой и среднего размера комнате телекоммуникаций, комнате UPS, на открытом воздухе комнате базовой станции, etc.
2. Диаграмма принципа системы

3. Технические параметры системы охлаждения приложения
|
Экологические показатели |
работая экологическая температура |
-20°C | 55°C |
|
температура хранения |
-40°C | 70°C |
|
|
работая влажность |
≤95% |
|
|
Термальное представление |
расклассифицированная охлаждая емкость |
550W (L35 L35) |
|
сила нагревая входного сигнала |
300W/500W (опционное) |
|
|
|
расклассифицированное течение входного сигнала |
1.0A (L35 L35) |
|
расклассифицированная сила входного сигнала |
220W (L35 L35) |
|
|
ввод напряжения |
AC220V~240V/50Hz |
|
|
Шум |
≤62dB |
|
|
Надежность |
MTBF |
70000h |
|
Хладоагент |
R134a |
|
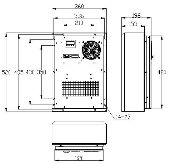
4. Размер кондиционера

5. Особенности
Сильная приспособляемостьь
Высокий разум
Высокая точность
Высокая надежность
Малошумный
Низкое энергопотребление
С обнаружением значения 4 путей переключая
С 1 управлением кондиционера комнаты пути
Ряд входного сигнала напряжения тока: 220VAC±15% 50Hz
С выходом сигнала тревоги сухого контакта
6. Электрическая монтажная схема

Связывать проволокой порты:
L PE N: порт электропитания (входной сигнал напряжения тока: 220VAC±15% 50Hz)
F+ F-: сразу порт выввода вентиляции
AL1 AL2: порт выввода общей тревоги
A+ B- SGND: Порт связи RS485
N: соединенный штырь
7. Изображение кондиционера

8. Случай применения
