Укрытие связи двойного шкафа оборудования стены 28U IP55 на открытом воздухе водоустойчивое
Двойной шкаф телекоммуникаций стены 28U IP55 термостатический на открытом воздухе с укрытием связи блока распределения силы водоустойчивым
1. Описание
самых больших проблем прекращать ваш outdoors оборудования радиосвязей находить
Наш на открытом воздухе шкаф телекоммуникаций будет как следует выдержать элементы: Температура, влага, лед, опасности удара, и УЛЬТРАФИОЛЕТОВОЕ повреждение все потенциальные опасности к вашему оборудованию радиосвязей. Поверх всех которым, оборудованию сети производит сверхнормальную жару сама по себе, поэтому нас обеспечит решение температуры которое управляет воздушным потоком с охлаждая технологией.
Мы предлагаем разнообразие на открытом воздухе приложения для оборудования радиосвязей. Если один из наших стандартных продуктов довольно не соотвествует вашим прикладным требованиям, то мы можем доработать дизайн для создания идеального на открытом воздухе продукта для ваших потребностей. Нас можно также совершенно подгонять согласно вашим потребностям.
2. Особенности
· Высококачественная гальванизированная сталь
· IP55 шкаф, водоустойчивый, пылезащитный, rustproof, sunproof, стальная пластина двойного слоя с термоизоляцией
· На открытом воздухе покрытие порошка полиэстера анти--корозии
· замок шкафа Анти--похищения трехочковый на открытом воздухе, padlock поддержки, диаметр замка 10mm
· Примите кондиционер компрессора высокого воркуя влияния
· Спрятанный шарнир, внутри винтов, врезанная дверь, увеличивает theftproof
· Все screw&nuts используют высокую нержавеющую сталь anticorrosion
3. Зона применения
Обеспечивает безопасное, регулируемая окружающая среда климата для любой радиотехнической аппаратуры.
Радиосвязи
Беспроводной/broadband
Волоконная оптика
Обратный рейс
Базовая станция
Небольшое Cell/DAS
Общего назначения
Военный
основанные на Трейлер сообщения
Wi-Fi
Гибкий и масштабируемый
4. Параметр конфигурации шкафа
| НЕТ | ОПИСАНИЕ | СПЕЦИФИКАЦИИ | КОЛИЧЕСТВО | БЛОК |
| 1 | На открытом воздухе шкаф |
(1) внешний размер: W×D×H 700×700×1500m (4) материал: гальванизированная стальная, двойная стена с изоляцией жары (5) ранг IP: IP55 (6) на открытом воздухе покрытие порошка анти--корозии (7) включая зазмеление бара (8) метод установки: держатель пола |
1 | УСТАНОВИТЕ |
| 2 | Кондиционер |
Охлаждая емкость: 1500W; Электропитание: AC220V 50Hz |
1 | УСТАНОВИТЕ |
| 3 | Вентилятор | 2 вентилятора AC220V с одним регулятором температуры | 1 | УСТАНОВИТЕ |
| 4 | Распределение силы |
Часть AC: 40KA SPD*1 2P 63A*1 1P 16A*3 предохранение от утечки 2P 20A гнездо обслуживания 16A 1P 63A*1 1P 32A*3 1P 16A*3 |
1 | УСТАНОВИТЕ |
| 5 | Датчик температуры и влажности | 1 | ПК | |
| 6 | Датчик двери | 1 | ПК | |
| 7 | Лампа СИД | DC48V | 1 | ПК |
| 8 | Переключатель датчика двери | Использованный для контролировать лампу СИД включено-выключено | 1 | ПК |
| 9 | Пакет | Деревянный случай | 1 | УСТАНОВИТЕ |
5. Работая параметр окружающей среды
| Температура | Температура | Работая температура: -40°C | +55°C |
| Температура хранения: -50°C | + 70°C | ||
| Температура перехода: -50°C | +70°C | ||
| Влажность | Относительная влажность | 5% | 100% |
| Давление | Воздушное давление | 62kpa | 101kpa (подобное до 0m | высота 5000m) |
| Интенсивность радиации | Интенсивность солнечного излучения | × 1120 (1±5%) W/m2 |
6. На открытом воздухе чертеж шкафа

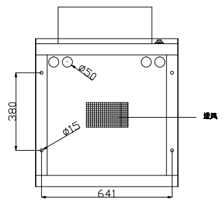
7. Взгляд сверху шкафа

8. Изображение шкафа связи


9. Детали шкафа
