Муфта Backstop конвейерной ленты NJ для ковшового элеватора
Тип backstop NJ контакта низкоскоростной прибор анти--реверсирования, с конюшней компактной текстуры, облегченных и работы. Легко установить, отключить без вставленный.
Этот backstop для защиты прибора поднимать и транспортировать систему. Костюм для ленточного транспортера, ковшовый элеватор, транспортер шабера и другое оборудование который требуют функции анти--реверсирования.
Устанавливать пример


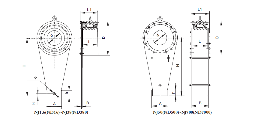
| Модель | Заботя емкость [N.m] | Скорость внутренней гонки максимальная [r/min] | Бездельничая вращающий момент сопротивления [N.m] | Ряд размера скважины d [mm] | Размер в контуре [mm] | Вес [kg] | ||||||||
| B | D | H | h1 | Φ | h | L | L1 | |||||||
| NJ1.6 | 1600 | 150 | 4 | 50 - 65 | 50 | 6 | 160 | 226 | 16 | 13,5 | 30 | 85 | 106 | 13,5 |
| NJ2.5 | 2500 | 5 | 60 - 75 | 65 | 6 | 170 | 269 | 19 | 16,5 | 35 | 85 | 106 | 16,1 | |
| NJ6 | 6000 | 8 | 70 - 85 | 95 | 10 | 210 | 329 | 29 | 20,5 | 45 | 110 | 136 | 29,2 | |
| NJ8 | 8000 | 10 | 80 - 95 | 105 | 10 | 230 | 382 | 32 | 20,5 | 55 | 110 | 139 | 37,2 | |
| NJ11 | 11000 | 15 | 90 - 110 | 110 | 12 | 270 | 425 | 40 | 26 | 60 | 110 | 141 | 46,2 | |
| NJ16 | 16000 | 100 | 20 | 100 - 130 | 120 | 12 | 320 | 506 | 36 | 26 | 65 | 130 | 161 | 82,8 |
| NJ25 | 25000 | 35 | 120 - 160 | 120 | 20 | 360 | 612 | 32 | 31 | 65 | 140 | 183 | 125 | |
| NJ38 | 38000 | 45 | 160 - 200 | 130 | 20 | 430 | 623 | 43 | 41 | 70 | 160 | 207 | 180 | |
| NJ50 | 50000 | 80 | 75 | 160 - 220 | 238 | 259 | 500 | 820 | - | 80 | 230 | 303 | 351 | |
| NJ65 | 65000 | 85 | 180 - 240 | 260 | 279 | 540 | 900 | - | 90 | 250 | 323 | 525 | ||
| NJ90 | 90000 | 50 | 95 | 180 - 250 | 288 | 323 | 600 | 1000 | - | 100 | 290 | 367 | 675 | |
| NJ125 | 125000 | 100 | 200 - 270 | 298 | 323 | 650 | 1100 | - | 110 | 290 | 367 | 737 | ||
| NJ180 | 180000 | 110 | 230 - 300 | 356 | 335 | 780 | 1300 | - | 135 | 290 | 392 | 1123 | ||
| NJ270 | 270000 | 140 | 250 - 320 | 386 | 345 | 850 | 1500 | 135 | 320 | 412 | 1425 | |||
| NJ320 | 320000 | 160 | 250 - 350 | 414 | 360 | 930 | 1600 | 135 | 360 | 426 | 1955 | |||
| NJ520 | 520000 | 220 | 320 - 420 | 474 | 484 | 1030 | 1800 | 165 | 450 | 550 | 2930 | |||
| NJ700 | 700000 | 250 | 350 - 450 | 526 | 494 | 1090 | 2000 | 165 | 480 | 576 | 3380 | |||