Машинное оборудование GCZ-A один путь переливаясь через край подшипник вала ролика
Тип GCZ-A тип ролика freewheel с загерметизированным фланцом, сдержанный, и носить поддержанный, используя 2 подшипника 160 серии, блоки поставленное смазанное масло.
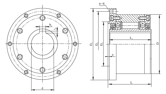
Пользуются ключом скрепляют внутреннюю гонку к валу, наружный фланец к снабжению жилищем.
Главным образом использованный как индексировать или переливаться через край муфты.
Устанавливать пример


| Тип | Номинальный вращающий момент [N.m] | Переливаться через край ограничиваясь скорость [r/минута] | Размер в Coutour [mm] | Вес [kg] | ||||||||||
| Внутренняя гонка | Наружная гонка | d [H7] | D [h7] | D1 | D2 | D3 | L | L1 | e | млрд x tn | n - d1 | |||
| GCZ-A1262 | 44 | 1600 | 2800 | 12 | 62 | 42 | 72 | 85 | 43 | 42 | 2 | 4 x 1,8 | 3 - 5,5 | 0,9 |
| GCZ-A1568 | 100 | 1450 | 2600 | 15 | 68 | 47 | 78 | 92 | 55 | 52 | 4 | 5 x 2,3 | 3 - 5,5 | 1,3 |
| GCZ-A2075 | 145 | 1080 | 2300 | 20 | 75 | 55 | 85 | 98 | 59,5 | 57 | 3 | 6 x 2,8 | 4 - 5,5 | 1,7 |
| GCZ-A2590 | 230 | 840 | 1800 | 25 | 90 | 68 | 104 | 118 | 62,5 | 60 | 3 | 8 x 3,3 | 4 - 5,5 | 2,69 |
| GCZ-A30100 | 400 | 680 | 1600 | 30 | 100 | 75 | 114 | 128 | 70,5 | 68 | 3 | 8 x 3,3 | 6 - 6,6 | 3,5 |
| GCZ-A35110 | 580 | 620 | 1500 | 35 | 110 | 80 | 124 | 138 | 76,5 | 74 | 3,5 | 10 x 3,3 | 6 - 6,6 | 4,5 |
| GCZ-A40125 | 820 | 460 | 1300 | 40 | 125 | 90 | 142 | 160 | 88 | 86 | 3,5 | 12 x 3,3 | 6 - 9,0 | 6,9 |
| GCZ-A45130 | 900 | 400 | 1200 | 45 | 130 | 95 | 146 | 165 | 88,5 | 86 | 3,5 | 14 x 3,8 | 8 - 9,0 | 9,1 |
| GCZ-A50150 | 1700 | 320 | 1075 | 50 | 150 | 110 | 165 | 185 | 96 | 94 | 4 | 14 x 3,8 | 8 - 9,0 | 10,1 |
| GCZ-A55160 | 1890 | 300 | 1000 | 55 | 160 | 115 | 182 | 204 | 106,5 | 104 | 4 | 16 x 4,3 | 8 - 11 | 13,1 |
| GCZ-A60170 | 2520 | 260 | 950 | 60 | 170 | 125 | 192 | 214 | 116 | 114 | 4 | 18 x 4,4 | 10 - 11 | 15,6 |
| GCZ-A70190 | 4140 | 220 | 875 | 70 | 190 | 140 | 212 | 234 | 136,5 | 134 | 4 | 20 x 4,9 | 10 - 11 | 20,4 |
| GCZ-A80210 | 5440 | 200 | 800 | 80 | 210 | 160 | 232 | 254 | 146,5 | 144 | 4 | 22 x 5,4 | 10 - 11 | 25,2 |
| GCZ-A90230 | 9280 | 180 | 725 | 90 | 230 | 180 | 254 | 278 | 161 | 158 | 4 | 25 x 5,4 | 10 - 14 | 37,95 |
| GCZ-A100270 | 16200 | 140 | 625 | 100 | 270 | 210 | 305 | 335 | 184 | 185 | 5 | 28 x 6,4 | 10 - 18 | 71,04 |
| GCZ-A120310 | 20000 | 100 | 500 | 120 | 310 | 240 | 345 | 375 | 214 | 212 | 5 | 32 x 7,4 | 12 - 18 | 91 |