Муфта кулачка Backstop пути CKF-A одного нося для машины упаковки
Тип CKF-A центробежный тип подшашки freewheels с вращать внутренней гонки. Только конструируют внутреннюю гонку для вольного. Не само-поддержанный тип.
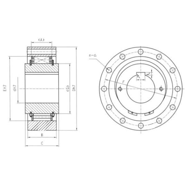
Подшипники необходимо обеспечить, что обеспечили концентричность внутренней и наружной гонки.
При использовании как backstop, его необходимо проверить что переливаясь через край скорость не пойдет под минимальной скоростью уступанной следующая таблица страницы.
Главным образом конструированный как backstop, этот тип можно также использовать как переливаясь через край муфта в двойных приводах.

Устанавливать пример


| Тип | Номинальный вращающий момент [N.m] |
Минимальная внеконтактная вращая скорость | Максимальная внеконтактная вращая скорость | Размер в контуре [mm] |
Вес [kg] |
|||||||||
| nmin | nmax | d [H7] |
D [h7] |
E [H7] |
F | G | C | B | n - d1 | млрд x tn | ||||
| CKF-A2090 | 192 | 875 | 6000 | 20 | 90 | 66 | 78 | 40 | 35 | 35 | 27 | 6-6.6 | 6x2.8 | 1,5 |
| CKF-A2595 | 243 | 825 | 6000 | 25 | 95 | 70 | 82 | 45 | 35 | 35 | 27 | 6-6.6 | 8x3.3 | 1,6 |
| CKF-A30102 | 342 | 780 | 6000 | 30 | 102 | 75 | 87 | 50 | 40 | 40 | 30 | 6-6.6 | 8x3.3 | 1,8 |
| CKF-A35110 | 437 | 740 | 6000 | 35 | 110 | 82 | 96 | 57 | 40 | 40 | 30 | 6-6.6 | 10x3.3 | 2,1 |
| CKF-A40125 | 574 | 720 | 5000 | 40 | 125 | 92 | 108 | 67 | 40 | 40 | 30 | 8-6.6 | 12x3.3 | 2,9 |
| CKF-A45130 | 640 | 665 | 5000 | 45 | 130 | 94 | 112 | 69 | 40 | 40 | 29 | 8-9.0 | 14x3.8 | 3,1 |
| CKF-A50150 | 1120 | 610 | 4000 | 50 | 150 | 114 | 132 | 90 | 40 | 40 | 29 | 8-9.0 | 14x3.8 | 4,7 |
| CKF-A55160 | 1380 | 600 | 4000 | 55 | 160 | 116 | 138 | 91 | 45 | 45 | 33 | 8-9.0 | 16x4.3 | 5,4 |
| CKF-A60175 | 2190 | 490 | 3200 | 60 | 175 | 135 | 155 | 95 | 70 | 60 | 48 | 8-11 | 18x4.4 | 8,5 |
| CKF-A70190 | 2800 | 480 | 3200 | 70 | 190 | 140 | 165 | 100 | 70 | 60 | 48 | 12-11 | 20x4.9 | 10 |
| CKF-A80210 | 3600 | 450 | 2400 | 80 | 210 | 160 | 185 | 120 | 80 | 70 | 48 | 12-11 | 22x5.4 | 14 |
| CKF-A90230 | 7160 | 420 | 2400 | 90 | 230 | 180 | 206 | 140 | 90 | 80 | 64 | 12-13.5 | 25x5.4 | 19 |
| CKF-A100280 | 9790 | 455 | 2000 | 100 | 280 | 200 | 240 | 160 | 105 | 100 | 64 | 12-17.5 | 28x6.4 | 34 |
| CKF-A130320 | 14640 | 415 | 2000 | 130 | 320 | 235 | 278 | 195 | 105 | 100 | 64 | 12-17.5 | 32x7.4 | 44 |
| CKF-A150400 | 33460 | 365 | 2000 | 150 | 400 | 320 | 360 | 256 | 105 | 100 | 84 | 12-17.5 | 36x8.4 | 73 |