Склонный тип машина прессы определения размеров для высококачественный бумажный делать
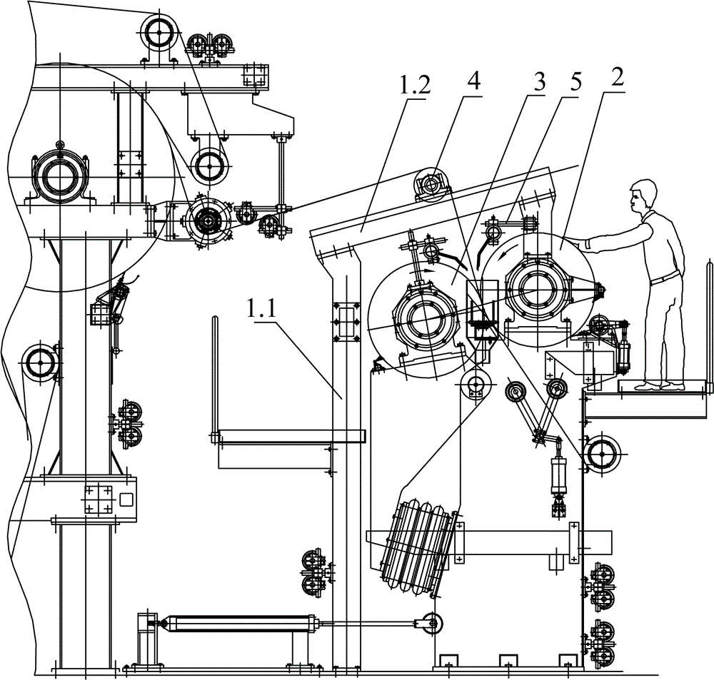
И. Обзор:
Эта машина прессы размера склоненное расположение, и сформирована парой кренов определения размеров склоненных на 30° в горизонтальном направлении. Бумажные листы нарисованные от более сухой группы вписывают 2 крена для поверхностного определения размеров, и после этого входят сушильщика группы после-размера для того чтобы высушить. Оба ролика определяют размер ролики, и надутая форма пневматическа. Двух-изогнутый пневматический прибор, одноточечная передача.
Согласно аранжированному положению привода, ее можно разделить в 2 типа левых и правых мобильных телефонов. В направлении бумажного выхода, правильная сторона привода правый телефон, и наоборот.
Технический параметр:
| Вверх по крену | Φ700мм, искусственный каменный крен, резиновая толщина 20мм |
| Нижний крен | Φ705мм, резиновый крен, резиновая толщина 20мм |
| Линейное давление | 60КН/км |
| Надутый тип | пневматическое давление |
| Работая скорость | 200-300м/мин |
| Расстояние К-К | 3700мм |
Описание структуры:
Оно состоит из 2 определяя размер роликов, ролика приемистости, прованского ролика, шланга питания, прибора шабера, клея останавливая прибор, и пневматического надувая прибора. Аранжированы, что над роликом определения размеров поставляет резиновая питательная трубка клей между 2 роликами, и количество клея проконтролировано клапаном перед резиновой питательной трубкой, и аранжированы, что на обоих концах ролика определения размеров предотвращает резиновая плита с регулируемым давлением клей, который побежали прочь с обеих сторон поверхности крена для того чтобы держать сверхнормальный клей пропустить в лотке клея под креном определения размеров. Прибор шабера использован для бумажный обнажать. Вообще, шабер должен быть поднят во время нормальной продукции для того чтобы увеличивать срок службы ролика аппликатора.
1: Рамка и надувая прибор
Клея рамка машины имеет в форме коробк структуру, литое железо, и пневматическую надутую автошину. Двух-изогнутый забор воздуха нажимает отжимая руку вокруг пункта для того чтобы достигнуть надувая действия, и отделенный от само-веса отжимая ролика. Давление в магистрали 60КН/км.
1,1 кадр ХТ200 2пкс
1,2 рука КТ50-5 1пкс
1,3 базовые платины ХТ150 2пкс
1,4 носить дом ХТ200 2пкс
1,5 соединения заварки трубы расстояния фиксированные
1,6 варочный мешок 2пкс
прибор ролика 2.Сизинг
Эта машина имеет 2 прорезиниванных определяя размер ролика, который составлены дома закрепленной опоры и ролика определения размеров, и собрана на рамке. Тело ролика отливка с толщиной стены 60 мм. Поверхность покрыта с резиной. и средняя высота решительна согласно ширине чистой бумаги.
2,1 ролик верхушки ролика определения размеров: φ800*2250мм, прорезиновая толщина 20мм, диаметр φ110мм вала,
Резиновая твердость «а» 96±2°,
ролик 2.2.Ловер: φ805*2250мм, прорезиновая толщина 20мм, диаметр φ110мм вала, резиновая твердость «а» 87±2°,
2,3 гнездо под подшипник ХТ200 4 части
3. бумажный прибор ролика
Прибор составлен дома подшипника и бумаг-питаясь ролика. Тело ролика безшовная стальная труба, и поверхность покрытый хром, и толщина плакировкой 0.08-0.1 мм, и привод само-пояса и свободная бумага займут шеаве.
бумажный барабан подачи 3,1 2 части
3,2 нося с местом УКП211 2 части
прибор ролика бумаги 4.оливе
Прибор составлен гнезда подшипника и прованского бумаг-питаясь ролика. Тело ролика безшовная стальная труба, и поверхность покрытый хром, и толщина плакировкой 0.08-0.1 мм, с свободной бумагой займет шеаве.
4,1 прованский бумажный ролик 2 части
4,2 носящ с местом УКП211 2 части
прибор 5.скрапер
Прибор шабера составлен кронштейна, держателя шабера и подъемного устройства. Рамка шабера часть литого железа, и угол между шабером и поверхностью валика для нанесения покрытия 20 градусов. Выскабливая лезвие сделано из фенолового ламината, и подъемное устройство эксцентричная структура кулачка.
5,1 кронштейн ХТ150 4 части
держатель ХТ150 5,2 шаберов 2 части
5,3 кулачок ХТ150 2 части
прибор поставки 6.глуэ:
Прибор состоит из набора трубок нержавеющей стали через которые смесь распылена на крен определения размеров.
7. Клеить прибор:
Клей останавливая прибор пара набивок. Положение затворов можно отрегулировать так, что набивки плотно будут прикреплены в поверхность 2 резиновых роликов для того чтобы преградить резину на обеих сторонах. Строго для того чтобы контролировать жидкостный уровень смеси клея, набивка стороны передачи имеет переполнение. Соединение отверстия и трубы, отправляет выпрессовку резиновой смеси назад в коробку клея, набивка тутор металла
распределительный ящик 8.пнеуматик
Пневматический распределительный ящик собран на работая рамке и состоит из панели и пневматических компонентов. Газ от источника воздуха входит в клапан уменьшения давления, манометр, двух позиционный клапан 5-пути и односторонний клапан дросселя для наддува клея.
9. соединение, редуктор скорости, мотор
