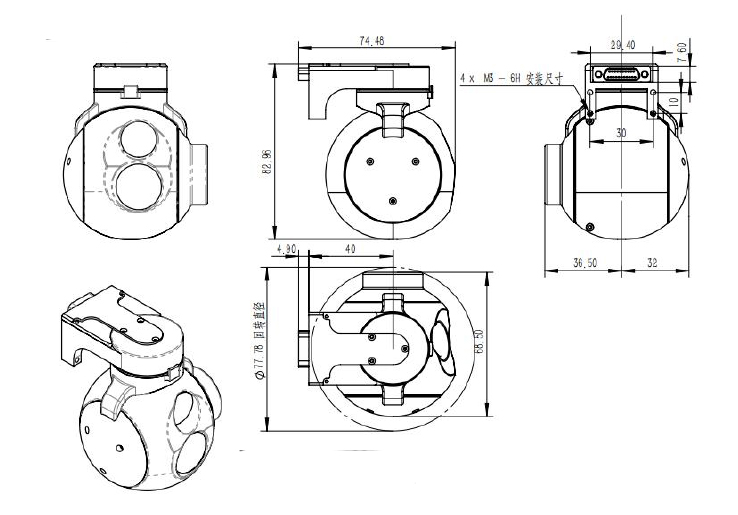
Electro оптически точность 77×78×83 mm Dimensionsion стручка стручка Eagle-Eye80 микро-
Описания Electro оптически стручка:
Микро-стручок Eagle-eye80 использует ядр видимого света фиксированн-фокуса 8mm и 18mm uncooled камеру термического изображения. Во всех конфигурациях, вес только о 280g. 2 оси и 2 шкафа использованы внутрь, и высокоточная электронная технология стабилизации Подводн-изображения не может улучшить точность, а также увеличивает надежность системы. Одновременно стручки собраны в цель отслеживая блок модуля, который может осуществить располагать в реальном времени и отслеживать динамических целей как люди/корабли.
Eagle-eye80 соответствующее для светлых беспилотных воздушных кораблей или небольших укомплектованных личным составом воздушных кораблей, включая отображать системы наведения, вертолеты.
Особенности Electro оптически стручка:
Спецификации Electro оптически стручка:
| Воображение видимого света | |
| Датчик изображения | Цвет CMOS |
| Размер пиксела | 3.0μm |
| Разрешение и частота кадров | 2560H×1440V @60fps |
| Объектив | 8mm |
| Область видимости | 51°×30° |
| Ультракрасное термическое изображение | |
| Ультракрасные детекторы | uncooled длинная волна (8μm~14μm) |
| Размер пиксела | 12μm |
| Разрешение и частота кадров | 640× 512@60fps |
| Объектив | 18mm |
| Область видимости | 24°×18° |
| Палитра | черный горячий, белый горячий, ложный цвет |
Отслеживать модуль | |
| Частота кадров | 60Hz |
| Минимальный контраст цели | 5% |
| Размер цели | пиксел 16*16~128*128 |
| Отслеживать скорость | пиксел ±48/рамка |
Ряд | |
| Расстояние опознавания видимого света | ≥ 3.6km (корабль 6.5*3) |
| Ультракрасное расстояние опознавания | ≥ 1km (корабль 6.5*3) |
Электрический интерфейс | |
| Интерфейс выходного видеосигнала | СЕТЬ: поддержка UDP/RTSP (Синхронизация 422 опционная) |
| Интерфейс контроля | серийный порт 232 (422 опционное), сеть |
| Интерфейс силы | 14~28V |
| Средняя мощность | consumption≤12W, maximum≤20W |
| Экологическая приспособляемостьь | |
| Работая температура | -40℃~+60℃ |
| Температура хранения | -40℃~+60℃ |
| Структурный дизайн | |
| Рубрика | +90°~-90° |
| Тангаж | +30°~-120° |
| Размеры | 77×78×83 mm |
| Вес | ≤280g |

