Дефибриллятор NIHON KOHDEN Cardiolife TEC-7621C TEC-7721C Конденсатор HV Модель NKC-30100A емкости
►Краткое введение
Серия TEC-7621/7631:
С полностью порученной новой батареей на температуре окружающей среды 20°C
l разрядки минимума 70 на 360 j
l минимум непрерывный мониторинг 150 минут
l минимум шагать фиксированного режима 90 минут (180 ИМПов ульс/минута, 200 мам)
С полностью порученной новой батареей на 0°C, дефибриллятор может выполнить:
l разрядки минимума 50 на 360 j
Серия TEC-7721/7731:
С полностью порученной новой батареей на температуре окружающей среды 20°C
l разрядки минимума 100 на 270 j
l минимум непрерывный мониторинг 150 минут
l минимум шагать фиксированного режима 90 минут (180 ИМПов ульс/минута, 200 мам)
С полностью порученной новой батареей на 0°C, дефибриллятор может выполнить:
l разрядки минимума 50 на 270 j
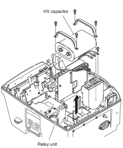
►Извлекать блок конденсатора и реле HV
1. Извлеките блок батарей, карту памяти и более низкий кожух.
2 извлеките блок AC/DC.
3. Извлеките главное шасси и главное правление.
4. Сделайте коротким замыканием 2 терминала конденсатора HV с коротким баром который подключен с заземлительным зажимом на стене с проводом к заземлению.
5. Извлеките 4 винта лотка M3 с шайбами весны которые обеспечивают конденсатор HV к более низкому кожуху и извлеките 2 кронштейна отладки конденсатора HV.
6. Извлеките крышку проводов CNP552 и CNP553 из конденсатора HV.
7. Извлеките конденсатор HV.
8. Извлеките 3 провода который соединяют блок индуктора и реле HV от индуктора HV.
9. Вытяните вне блок реле.

После замены блока конденсатора или реле HV, всегда проверяйте следующее:
• Значение TTR
• Поставленная энергия
• Время обязанности

| Смысл | Возможная причина | Действие |
| Во время режима ожидания, конденсатор HV имеет больше чем 1 энергию j больше чем одно непрерывное второе. | Небезупречный блок реле | Конденсатор HV разрядки и заменить блок реле. |
| Когда поручать будет начат, энергия конденсатора HV не достигла 1 j не позднее 2 секунды. | Небезупречный КОНДЕНСАТОР HV | Замените конденсатор HV |
| После поручать, энергия конденсатора понижается определенное значение для каждой энергии. | Небезупречный КОНДЕНСАТОР HV | Замените конденсатор HV |
| Напряжение тока конденсатора HV не достигло свой плановой объем через 20 секунд после отрегулированной внутренней разрядки | Небезупречный блок реле | Замените блок реле. |
►Вопросы доставки
Как правило, все заказы идут быть погруженным не позднее 3 до 5 рабочего дня и поставили в срок. Конечно иногда некоторые особенные обстоятельства. Например, на занятые дни будет отложена пересылка. Но никакое беспокойство, все заказы не будет послано в конце концов. Мы сделаем большие усилия обрабатывать заказы и грузить их вне как можно скорее. Пожалуйста останьтесь пациентом и держать в контакте с нами. Если вам нужно продукт быть погруженным срочно, то пожалуйста убеждайтесь вы для того чтобы поговорить с нами заранее перед делать заказ ваши заказы. Сделать дело бегут успешно, пожалуйста делают им пункт и управить ваше время делать заказ заказы на основании ваших потребностей дела. Если вы имеете любые вопросы как ваш заказ принимаете очень больше времени, то чем предположено или вам нужно знать когда будьте ваш заказ приезжаете, вы можете связаться мы в любое время. Мы ответим вы как можно скорее. Ваше удовлетворение наше самое большое желание.
Если вы заинтересованы в модели NKC-30100A емкости конденсатора HV дефибриллятора медицинского оборудования используемой NIHON KOHDEN Cardiolife TEC-7621C TEC-7721C больницы, то радушной сделать заказ ваши заказы.