Полностью автоматический печатный станок для паяния

| Производительность машин | |
| Точность повторения позиции | ± 0,01 мм |
| Точность печати | ± 0,025 мм |
| NCP-CT ((За исключением очистки и печати) | 7.5s |
| HCP-CT ((Включая очистку и печать) | 19 шт/ч |
| Производственный процесс | Пять минут. |
| Трансферная линия CT | 3 минуты |
| Параметр машины | |
| Источник питания | AC:220 ±10%,50/60Hz2.2KW |
| Давление воздуха | 4 ~ 6 кгф/см2 |
| Потребление воздуха | Около 5 л/мин |
| Операционная температура | -20°C~+45°C |
| Влажность рабочей среды | 30% ~ 60% |
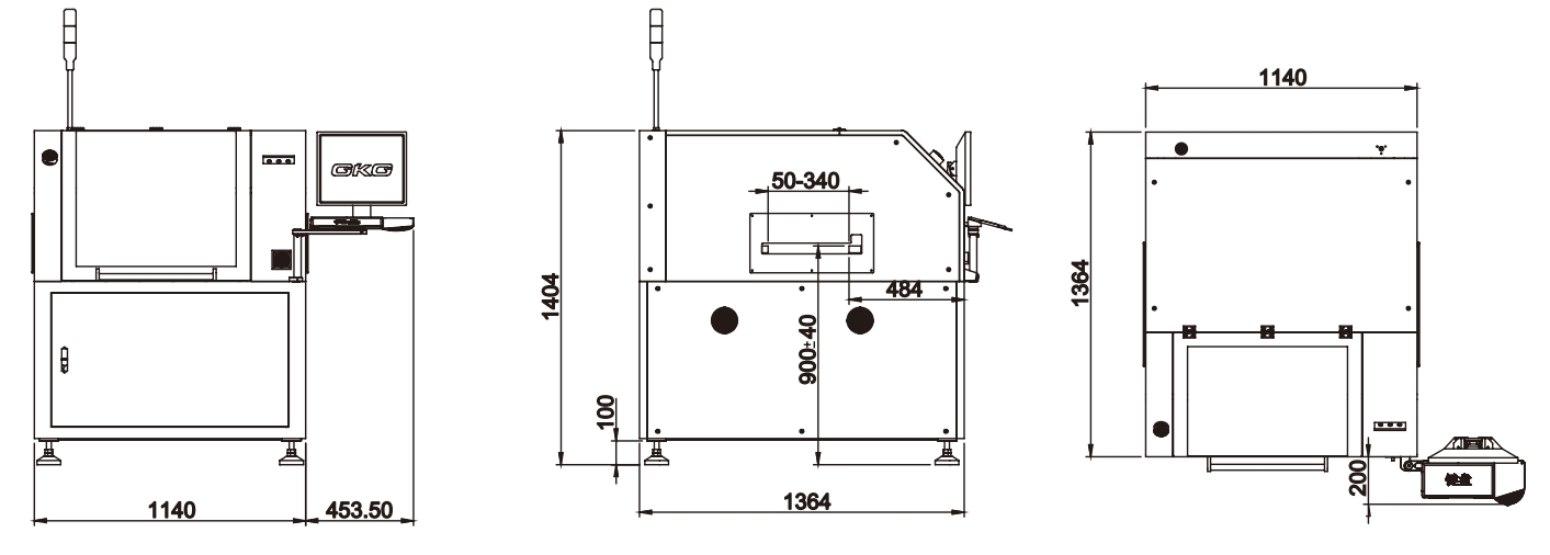
| Размер машины ((без света башни) | 1404 ((H) мм |
| Длина машины | 1140 ((L) мм |
| Ширина машины | 1364 ((W) мм |
| Приблизительная масса машины | Примерно 900 кг. |
| Требования к грузоподъемности оборудования | 650 кг/м2 |
1Диаграмма размеров оборудования
Размер оборудования:1140*1364*1404 мм


1.Основное питание: переменное: 220 ± 10%, стабильное питание 50/60HZ3KW с номинальным током, тип розетки: британская система.
Электрический интерфейс показан на рисунке выше:
2Основной источник подачи газа: промышленный источник газа со стабильным давлением 4,0 ~ 6 кгф/см2.
Универсальный тип для передней части трахеи, задний сустав должен соответствовать только размеру трахеи
3Машина весит около 900 кг.
2.Окружающая среда использования оборудования
1Температура в мастерской: 20 °C~+45 °C
2Влажность в мастерской: 30-60%
3Электростатическая защита: требуется заземление ESD и электростатическая защита
4Подъемность на полу: если оборудование не используется на первом этаже, обратите внимание на грузоподъемность на полу, которая должна быть ≥ 650 кг/м2.