Спецификации
Номер модели :
NB901-12S-S-A
Место происхождения :
Китай
минимальное количество для заказа :
100 ШТУК
Условия оплаты :
Западное соединение, T/T, L/C
Срок поставки :
5-8days
Детали упаковки :
стандарт или изготовление на заказ
Наименование продукта :
Реле силы держателя PCB
Контактное сопротивление :
20mΩ
Температура окружающей среды :
﹣ 55℃~85℃
Относительная влажность :
RH 85%, 40℃
Вес :
Около 30,0 г
Описание

 

Эн-Би-Си

Реле NB901-12S-S-A силы погасания дуги нагрузки SPST 80A Gap2.0mm высокое для инвертора AC-DC

 

Описание:

Это реле держателя силы возможности высокой нагрузки переключая, может достигнуть дизайн 80A.Patented со структурой погасания дуги, изоляцией f класса, загерметизированным типом, 4000VAC между контактами и между катушкой & контактами, специально соответствующими для промышленного оборудования, такого вероятного инвертора AC-DC, PLC, UPS.

 

Особенность:

1. Течение переключения контакта: 80A

2. Загерметизированный тип

3. Зазор 2.0mm по умолчанию.

4. Класс f ранга изоляции катушки

5. Структура погасания дуги патента

 

Применение:

1. Индустрия

2. Машинное оборудование

 

 

Спецификация:

Допустимая мощность на контактах
Форма контакта 1A
Материал контакта AgSnO2
Емкость нагрузки контакта NB901  
60A 277VAC 80A 48VDC 50A 240VDC 50A 277VAC TV-15  
Переключая сила максимальная. 3840W/ 13850VA
Переключая напряжение тока максимальное. 48VDC/277VAC
Переключая настоящее максимальное. 80A
Контактное сопротивление максимальное. 20mΩ (1A, 24VDC)
Продолжительность жизни Электрический 40A: 1x10550A: 1x104 60A: 6x10380A: 3X104DC48V
Machanical 10 7

 

 

Сертификация безопасности
Утверждение CQC UL
Нагрузка 50A 240VAC 50A 277VAC TV-15

 

 

Оценка катушки
Мощность катушки 2.25W
Нет. Номинальный
Напряжение тока
VDC
Максимальный.
Напряжение тока
VDC
Сверните спиралью сопротивление Ω±10% Напряжение тока приемистости
VDC максимальный.
Напряжение выпадения
VDC MIN.
012 12 13,2 64 9 0,6

 

 

Техническая оценка
Сопротивление изоляции Min.1000MΩ IEC 60255-5
Диэлектрическая прочность Между контактами 4000 ВПТ IEC 60255-5
Между Coil&Contact 4000VAC IEC 60255-5
Приведитесь в действие время ≤15ms  
Время отпуска ≤10ms  
Сопротивление удара Крайности 10G деятельности Пределы 100G повреждения Тест Ea IEC 68-2-27
Сопротивляемость при колебательном движении 10Hz~55Hz удвоенная амплитуда 1.5mm Тест Fc IEC 68-2-6
Температура окружающей среды ﹣ 55℃~85℃  
Относительная влажность RH 85%, 40℃ Тест Ca IEC 68-2-3
Вес Approx.30.0g  
Пакет Загерметизированный; Пылезащитный тип  

 

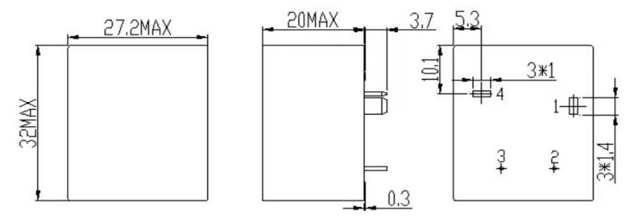
Размер 3 и electrocircuit реле силы вымирания 80 амперова дуг

 

Реле НБ901-12С-С-А вымирания дуги нагрузки СПСТ 80А Гап2.0мм высокое для инвертора ДК АК
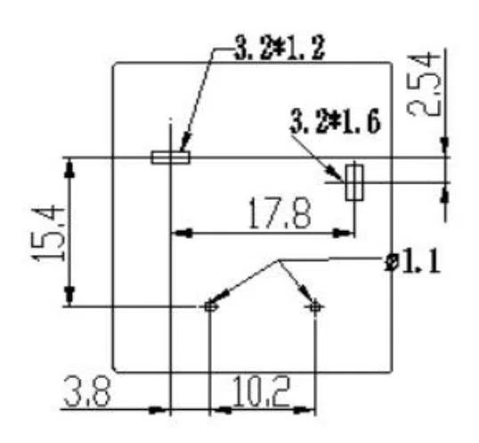
Размеры плана
Реле НБ901-12С-С-А вымирания дуги нагрузки СПСТ 80А Гап2.0мм высокое для инвертора ДК АК
План нижнего взгляда
Реле НБ901-12С-С-А вымирания дуги нагрузки СПСТ 80А Гап2.0мм высокое для инвертора ДК АК
Монтажная схема (нижний взгляд)
Данные по инженерства
Реле НБ901-12С-С-А вымирания дуги нагрузки СПСТ 80А Гап2.0мм высокое для инвертора ДК АК

 

Отправьте сообщение этому поставщику
Отправляй сейчас

Реле НБ901-12С-С-А вымирания дуги нагрузки СПСТ 80А Гап2.0мм высокое для инвертора ДК АК

Спросите последнюю цену
Смотрите видео
Номер модели :
NB901-12S-S-A
Место происхождения :
Китай
минимальное количество для заказа :
100 ШТУК
Условия оплаты :
Западное соединение, T/T, L/C
Срок поставки :
5-8days
Детали упаковки :
стандарт или изготовление на заказ
Контактный поставщик
видео
Реле НБ901-12С-С-А вымирания дуги нагрузки СПСТ 80А Гап2.0мм высокое для инвертора ДК АК

Shenzhen Ketai Electronic Technology Co., Ltd.

Active Member
4 Годы
shenzhen
С тех пор 2013
Вид деятельности :
Изготовление
Общее годовое :
1500000-5000000
Количество работников :
15~50
Уровень сертификации :
Active Member
Узнайте о аналогичных продуктах
Смотрите больше
Контактный поставщик
Требование о предоставлении