Машина всего порошка нержавеющей стали тела двухмерного сухого смешивая
Порошка движения серии ЭИХ машина двухмерного сухого смешивая романный материальный смеситель обширно используемый в фамасеутикал, химический, металлургический, еда, светлый и агрикултикал индустрии эта машина могут унести сильно даже смешивать порошков или зерен, так, что материалы миксе смогут достигнуть их самую лучшую эффективность.
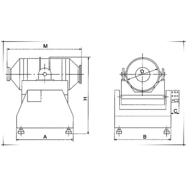
Этот смеситель состоит из смешать бочонок, рамку качания и рамку поддержки. Бочонок двойного конуса смешивая установлен на рамке поддержки 4 роликами которая делает смешивая бочонок вращать осев. Между тем, плечо кривошипа нажало и вытягивает смешивая бочонок взад и вперед. Так смешивая бочонок тряхнет взад и вперед. Осевое вращение и утес взад и вперед случаются в твердом двухмерном космосе. Материалы равномерно будут смешаны во время завальцовки и трясти в очень коротком периоде времени.
Основные технические характеристики.
| Номер | Деталь | Блок | Модель/спецификация | 
| 1 | Емкость загрузки | Л | 1500 | 
| 2 | Вес максимальной загрузки | Кг/батч | 450 | 
| 3 | Полная сила мотора | кв | 4,5 | 
| 4 | Общий размер | мм | 1500×3200×2550 
 | 
| 5 | Вес | кг | 1800 | 

