И печатает импортированный ИАР212-2Ф шарикоподшипник вставки, осевой глубокий шарикоподшипник паза
Глубокий пулер шарикоподшипника паза, описание,
1. Серия: И-подшипник, с замком винта плоской головки, ИАР 2-2Ф.
2. Подшипники СКФ ИАР212-2Ф И-подшипники с моделью ИАР212-2Ф, иньлкудинг твердое масло.
3. СКФ ИАР212-204-2Ф/АХ подшипник подшипник бренда СКФ с моделью ИАР212-204-2Ф/АХ.
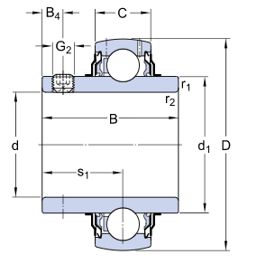
Шарикоподшипник паза в, спецификация,
| спецификация ИАР212-2Ф | |
| д | 60мм |
| Д | 110мм |
| Б | 65.1мм |
| К | 26мм |
| д1 | 75.64мм |
| Б4 | 10мм |
| минута р1,2 | 1.5мм |
| с1 | 18.3мм |
| Г2 | М10кс1 |
| К | 52.7кН |
| К0 | 36кН |
| Пу | 1.53кН |
| Ограничиваясь скорость с допуском х6 вала | 3400 р/мин |
| ф0 | 14 |
| Вес | 1.4кг |
| Размер ключа наговора для винтов | 5мм |
| Порекомендованный затягивая вращающий момент для винтов | 16.5Н.м |
![]() |
|
Определите подшипник паза строки глубокий, особенности,
1. Высокие точность, малошумная и более длиной продолжая.
2. Каждая связь продукции подшипника пройдет автоматический полный осмотр оборудования сборочного конвейера и строгого теста выборочной проверки ручного машинного оборудования.
Больше модельных подшипников,
|
Тип подшипника
|
Размеры (мм)
|
Вес (кг)
|
||||||||
|
фарфор
|
Другое
|
д
|
Д
|
Б
|
С
|
К
|
минута
|
Г
|
дс
|
|
|
УК204
|
ИАР204-2Ф
|
20
|
47
|
31,0
|
12,7
|
17
|
1,0
|
4,5
|
М6*1
|
0,16
|
|
УК205
|
ИАР205-2Ф
|
25
|
52
|
34,1
|
14,3
|
17
|
1,0
|
5
|
М6*1
|
0,22
|
|
УК206
|
ИАР206-2Ф
|
30
|
62
|
38,1
|
15,9
|
19
|
1,0
|
5
|
М6*1
|
0,35
|
|
УК207
|
ИАР207-2Ф
|
35
|
72
|
42,9
|
17,5
|
20
|
1,1
|
6
|
М8*1
|
0,52
|
|
УК208
|
ИАР208-2Ф
|
40
|
80
|
49,2
|
19,0
|
21
|
1,1
|
8
|
М8*1
|
0,70
|
|
УК209
|
ИАР209-2Ф
|
45
|
85
|
49,2
|
19,0
|
22
|
1,1
|
8
|
М8*1
|
0,74
|
|
УК210
|
ИАР210-2Ф
|
50
|
90
|
51,6
|
19,0
|
24
|
1,1
|
9
|
М10*1
|
0,83
|
|
УК211
|
ИАР211-2Ф
|
55
|
100
|
55,6
|
22,2
|
25
|
1,5
|
9
|
М10*1
|
1,16
|
|
УК212
|
ИАР212-2Ф
|
60
|
110
|
65,1
|
25,4
|
27
|
1,5
|
10
|
М10*1
|
1,56
|
|
УК213
|
ИАР213-2Ф
|
65
|
120
|
65,1
|
25,4
|
27
|
1,5
|
10
|
М10*1
|
1,96
|
|
УК214
|
ИАДЖ214-2Ф
|
70
|
125
|
74,6
|
30,2
|
29
|
1,5
|
12
|
М12*1.25
|
2,18
|
|
УК215
|
ИАДЖ215-2Ф
|
75
|
130
|
77,8
|
33,3
|
30
|
1,5
|
12
|
М12*1.25
|
2,42
|
|
УК216
|
ИАДЖ216-2Ф
|
80
|
140
|
82,6
|
33,3
|
33
|
2,0
|
14
|
М12*1.25
|
2,82
|
|
УК217
|
ИАДЖ217-2Ф
|
85
|
150
|
85,7
|
34,1
|
36
|
2,0
|
14
|
М12*1.25
|
3,40
|
|
УК218
|
ИАДЖ218-2Ф
|
90
|
160
|
96,0
|
39,7
|
37
|
2,0
|
14
|
М12*1.25
|
4,30
|
|
УК220
|
ИАДЖ220-2Ф
|
100
|
180
|
108
|
42,0
|
41
|
2,0
|
14
|
М12*1.25
|
4,50
|
Почему выберите подшипник мкбб,
НИКАКОЕ МОК, 1пкс не в порядке. Добро пожаловать небольшой заказ.
Шоу изображения продукта,

Если вам, то приветствуйте свяжитесь мы для своего списка цен на товары.