Определите подшипники сплющенного ролика строки 32310 32208 с стальной медной клеткой
Это вы потребность?
1. ОТСУТСТВИЕ МОК, количества заказа в ваш заказ.
2. Направьте цену по прейскуранту завода-изготовителя, поддерживая ЭСВ, ОБМАНЫВАЙТЕ, К&Ф или КИФ.
3. Поддерживая возмещение 7дайс в случае плохого качества. С гарантией 36монтхс.
Почему выберите нас?
Качество наша культура. Доверяющ вам полюбит свои качество и цена, для того чтобы помочь вам выиграть в вашем рынке.
Выбирающ нас, вам не нужно потревожиться все, мы сделаем из пересылки после этого документируем для вашей таможни для того чтобы сделать ее хорошо для того чтобы замкнуть накоротко ваши время и енгеры.
Определите подшипники сплющенного ролика строки 32310 32208 с стальной медной клеткой
| Носящ нет. | ||||||||||||
| 32205 | 7505Э | 25 | 52 | 19,25 | 18 | 15 | 1 | 1 | 36,7 | 46,3 | 22,3 | 0,174 |
| 32206 | 7506Э | 30 | 62 | 21,25 | 20 | 17 | 1 | 1 | 51,8 | 63,7 | 15,6 | 0,287 |
| 32207 | 7507Э | 35 | 72 | 24,25 | 23 | 19 | 1,5 | 1,5 | 70,6 | 89,5 | 17,9 | 0,445 |
| 32208 | 7508Э | 40 | 80 | 24,75 | 23 | 19 | 1,5 | 1,5 | 77,9 | 97,2 | 18,9 | 0,532 |
| 32209 | 7509Э | 45 | 85 | 24,75 | 23 | 19 | 1,5 | 1,5 | 80,7 | 104 | 20,1 | 0,537 |
| 32210 | 7510Э | 50 | 90 | 24,75 | 23 | 19 | 1,5 | 1,5 | 82,8 | 107,6 | 21 | 0,626 |
| 32211 | 7511Э | 55 | 100 | 26,75 | 25 | 21 | 2 | 1,5 | 108 | 142,3 | 22,8 | 0,853 |
| 32212 | 7512Э | 30 | 110 | 29,75 | 28 | 24 | 2 | 1,5 | 132,8 | 179,6 | 25 | 1,17 |
| 32213 | 7513Э | 65 | 120 | 32,75 | 31 | 27 | 2 | 1,5 | 160,9 | 237,1 | 28,8 | 1,64 |
| 32214 | 7514Э | 70 | 125 | 33,25 | 31 | 27 | 2 | 1,5 | 168,5 | 237,1 | 28,8 | 1,64 |
| 32215 | 7151Э | 75 | 130 | 33,25 | 31 | 27 | 2 | 1,5 | 170,3 | 242,1 | 30 | 1,74 |
| 32216 | 7516Э | 80 | 140 | 35,25 | 33 | 28 | 2,5 | 2 | 198,1 | 279 | 31,4 | 2,13 |
| 32217 | 7517Э | 85 | 150 | 38,5 | 36 | 30 | 2,5 | 2 | 226,7 | 324 | 33,9 | 2,68 |
| 32218 | 7518Э | 90 | 160 | 42,5 | 40 | 34 | 2,5 | 2 | 269,8 | 395,5 | 39,2 | 4,24 |
| 32219 | 7519Э | 95 | 170 | 45,5 | 43 | 37 | 3 | 2,5 | 302,5 | 448,4 | 39,2 | 4,24 |
| 32220 | 7520Э | 100 | 180 | 49 | 46 | 39 | 3 | 2,5 | 341 | 512 | 41,9 | 5,1 |
| 32221 | 7521Э | 105 | 190 | 53 | 50 | 43 | 3 | 2,5 | 381 | 579,2 | 45 | 6,26 |
| 32222 | 7522Э | 110 | 200 | 56 | 53 | 46 | 3 | 2,5 | 431,7 | 666,3 | 47,3 | 7,43 |
| 32224 | 7524Э | 120 | 215 | 61,5 | 58 | 50 | 3 | 2,5 | 477,1 | 758,1 | 52,3 | 9,26 |
| 32226 | 7526Э | 130 | 230 | 67,75 | 64 | 54 | 4 | 3 | 551,7 | 888,7 | 56,6 | 11,4 |
| 32228 | 7528Э | 140 | 250 | 71,75 | 68 | 58 | 4 | 3 | 643,7 | 1049,3 | 60,7 | 14,4 |
| 32306 | 7606Э | 30 | 72 | 28,75 | 27 | 23 | 1,5 | 1,5 | 81,6 | 96,4 | 18,9 | 0,562 |
| 32307 | 7607Э | 35 | 80 | 32,75 | 31 | 25 | 2 | 1,5 | 99 | 118,3 | 20,4 | 0,763 |
| 32308 | 7608Э | 40 | 90 | 35,25 | 33 | 27 | 2 | 1,5 | 115,7 | 147,8 | 23,3 | 1,04 |
| 32309 | 7609Э | 45 | 100 | 38,25 | 36 | 30 | 2 | 1,5 | 145,3 | 189,4 | 25,6 | 1,4 |
| 32310 | 7610Э | 50 | 110 | 42,25 | 40 | 33 | 2,5 | 2 | 177,5 | 236,1 | 28,2 | 1,89 |
| 32311 | 7611Э | 55 | 120 | 45,5 | 43 | 35 | 2,5 | 2 | 203 | 271,4 | 30,4 | 2,37 |
| 32312 | 7612Э | 60 | 130 | 48,5 | 46 | 37 | 3 | 2,5 | 226,7 | 303 | 32 | 2,9 |
| 32313 | 7613Э | 65 | 140 | 51 | 48 | 39 | 3 | 2,5 | 259,6 | 349,8 | 34,3 | 3,51 |
| 32314 | 76144 | 70 | 150 | 54 | 51 | 42 | 3 | 2,5 | 298,9 | 408,5 | 36,5 | 4,34 |
| 32315 | 7615Э | 75 | 160 | 58 | 55 | 45 | 3 | 2,5 | 347,4 | 483,1 | 39,4 | 5,37 |
| 32316 | 7616Э | 80 | 170 | 61,5 | 58 | 48 | 3 | 2,5 | 378,9 | 543,1 | 42,1 | 6,38 |
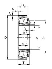
| Размер подшипника ролика 32208 конусностей | ||||||||||||
![]() ![]() | ||||||||||||
Подшипники ролика конусности главным образом использованы к суппор радиальная и осевая нагрузка состоять из радиальной нагрузки. Их чашки сепарабольный и легкий собирать. Во время установки и использования, радиальное клеарнасе и осевое клеарнсе можно аджустед и поджатую установку можно сделать.
Много типов подшипников ролика конусности,
1. Определите подшипники ролика конусности строки
2. Удвойте подшипники ролика конусности строки
3. Четырехрядные подшипники ролика конусности
4. Или удвойте, четырехрядный подшипник ролика конусности с мулти уплотнением
Добро пожаловать свяжитесь мы для цены, для того чтобы позволить нам знать которому номеру подшипников ролика конусности вы хотите к. Раз получайте, что ваше ФРК котировать цену внутри в пределах только 2 часов.

Пакет подшипника ролика конусности
Пересылка шарикоподшипника ролика конусности
1. Для небольшого веса, предложите для выбора срочного дверью к двери. Для этого пути, никакая потребность не делает таможню на вашей стороне.
2. 100кгс или над 100кгс, предлагают для того чтобы выбрать самолетом. Цена дешевле чем срочным дверью к двери.
3. Для большого веса, предложите для того чтобы выбрать морским путем, сохранить цену.
вопросы и ответы
1. Как получить цитату в быстром?
Сразу столб ваш запрашивает к нашей электронной почте дела, этому поддержка 24хоурс в обслуживании, раз получает его закавычит в только 2хоурс.
2. Вы получите скидку для первого дела?
Да, для нового первого дела, мы приложим вас специальная скидка от другого способа. Позволить вам знать, как МКББ.
3. Что обслуживание после-продажи вы предложит?
Любой жаловать, вы можете сразу вывесить на нашем менеджере.
Мы также поддерживаем возмещение 7дайс в случае плохого качества.
Добро пожаловать, который нужно быть нашим клиентом «ВИП», насладиться более особенным делом как скидка, горячим продвижением или свободным билетом для того чтобы навестить мы.
Действие теперь, который нужно связаться мы
Если вам, то приветствуйте свяжитесь мы для списка цен на товары.
Скыпе: анна-19862
ВхацАпп/вхацАпп/вечат/вибер/имо/Телеграм: +86 138 1251 5126
Электронная почта: mcb@mcbbearing.cn