Двустороннее уплотнение К3 сгустило высокоскоростное 62204-2РС нося глубокий шарик паза
Шарикоподшипник паза НТН глубокий, описание,
подшипник 62204 различен с нормальным глубоким шарикоподшипником паза, но им с краем внутреннего кольца одиночным сохраняя и раскосным сохраняя кольцом, и принадлежать расширенному и сгущенному подшипнику.
Глубокие подшипники шарикоподшипников паза обыкновенно используемые, своя структура просты, легкий для использования, главным образом использованный для того чтобы принести радиальную нагрузку, но когда радиальный зазор подшипника увеличил, с некоторым представлением подшипника с наклонным корпусом, могут принести диаметр, осевую радиальную и осевую нагрузку.
Шарикоподшипник паза Тимкен глубокий, спецификация,
| Модель подшипника | 62204-2РС/62204-ЗЗ |
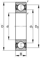
| д | 20мм |
| Д | 47мм |
| Б | 18мм |
| Д2 | 41мм |
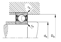
| Да максимальный | 41.4мм |
| д1 | 28.8мм |
| минута да | 25.6мм |
| Ра максимальный | 1мм |
| рмин | 1мм |
| м | 0.139кг |
| Кр | 13600Н |
| К0р | 6600 н |
| нГ | 10000 1/мин |
| Н.Б. | 0 1/мин |
| Дворняжка | 385Н |
![]() ![]() ![]() |
|
Шарикоподшипник паза НСК глубокий, особенности,
После того как глубокий шарикоподшипник паза установлен на вал, внутри ряд зазора в осевом направлении подшипника, он может ограничивать аксиальное перемещение вала или раковину в обоих направлениях, поэтому его можно расположить в осевое направление в обоих направлениях. К тому же, этот вид носить также имеет некоторую центризуя способность. Когда подшипник опрокинут 2" ~10" по отношению к отверстию раковины, он может все еще работать нормально.
Больше модели подшипников 62200 серий,
| Модель ГОСТ (ГОСУДАРСТВЕННЫЙ СТАНДАРТ) | Новая модель | Модель ГОСТ (ГОСУДАРСТВЕННЫЙ СТАНДАРТ) | Новая модель | Модель ГОСТ (ГОСУДАРСТВЕННЫЙ СТАНДАРТ) | Новая модель |
| 180500 | 62200-2РС | 180602 | 62302-2РС | 50212 | 6212 н |
| 180501 | 62201-2РС | 180603 | 62303-2РС | 50213 | 6213 н |
| 180502 | 62202-2РС | 180604 | 62304-2РС | 50217 | 6217 н |
| 180503 | 62203-2РС | 180605 | 62305-2РС | 50306 | 6306 н |
| 180504 | 62204-2РС | 180606 | 62307 2РС | 50307 | 6307 н |
| 180505 | 62205-2РС | 180607 | 62307-2РС | 50308 | 6308 н |
| 180506 | 62206 2РС | 180608 | 62308-2РС | 50309 | 6309 н |
| 180507 | 62207-2РС | 180609 | 62309-2РС | 50310 | 6310 н |
| 180508 | 62208-2РС | 180610 | 62310-2РС | 50311 | 6311 н |
| 180509 | 62209-2РС | 180612 | 62312-2РС | 50313 | 6313 н |
| 180510 | 62210-2РС | 180614 | 62314-2РС | 50407 | 6407 н |
| 180511 | 62211-2РС | 50115 | 6015 н | 50408 | 6408 н |
| 180512 | 62212-2РС | 50208 | 6208 н | 50409 | 6409 н |
| 180513 | 62213-2РС | 50209 | 6209 н | 50411 | 6411 н |
| 180514 | 62214-2РС | 50210 | 6210 н |
Почему выберите подшипник мкбб,
Мы поддерживаем оплату кредиткой онлайн.
Применение,
Подшипник 62204-2рср можно также использовать в: оборудование ткани сварочного аппарата крена прибора брызг машины упаковки алюмини-пластмассы машинного оборудования машинного оборудования химического волокна сплетя и переменная скорость оборудования подвергают более крутой медный сварочный аппарат механической обработке руки оборудования выплавкой плавя сварочный аппарат сопротивления полного насоса турбинки оборудования материальный и сопротивления оборудования сталеплавильного производства подогревателя оборудования оборудования сварочного аппарата электрической сварки охладителя винта печи коксуя
Шоу изображений продукта,

