Используемый электропитанием тангаж соединителя 13.5мм барьера сделанный частной прессформой подгонял штыри доступные
Название продукта: Блок барьера ПКБ терминальный
Применение соединителя терминального блока барьера ПКБ:
Соединитель терминального блока барьера ПКБ главным образом использован в сообщениях, освещении, безопасности и етк… И применение терминала индустрии плугабле главный лоток, как преобразование частоты, бунт, численный пульт управления, регулятор доступа, датчик, ПЛК, инструментирование, сила, привод сервопривода, обычные требования этих применений для плугабле терминальной индустрии являются следующими: сила ввода должна быть ровна, контактное сопротивление, который нужно быть небольшая, должна мочь встретить некоторые жизнь и усталость, настолько более высокие требования для материала шрапнели металла. Это требует что дизайнеры продукта имеют некоторый опыт в структуре и материале. Для типа терминальных применений загородки: электропитание, реле (особенно двойной терминал), частота
конвертер, индустрия лифта (), кондиционирование воздуха.
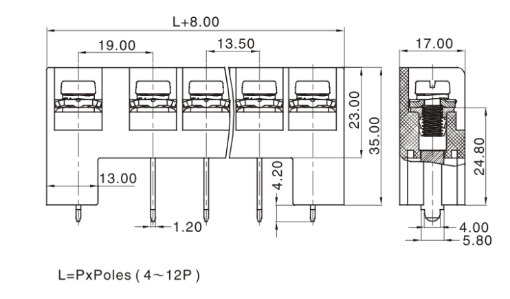
ДАННЫЕ ПО соединителя терминального блока барьера ПКБ ТЕХНИЧЕСКИЕ:
| Тангаж | 13.5мм |
| Поляки | 2-24П |
| Винт | М5 сталь, покрытый цинк |
| Заголовок Пин | Полуженная латунь, |
| Клетка провода | Покрытый Ни латуни |
| Расквартировывать | ПБТ, УЛ94, В-0 |
| Расклассифицированное напряжение тока | 600В (УЛ) |
| Расклассифицированное течение | 30А |
| Выдерживая напряжение тока | АК1250В/1Мин |
| Ряд провода | 26-10АВГ |
| Диапазон температур | -40°К~+105°К |
| Вращающий момент винта | 18 льбф.ин |


