² ПБТ 1*03П ряда 22мм провода блокировочного барьера тангажа 600В 75А 16.0мм терминальное
Детали терминального блока барьера
Много режимов соединения, как линии серьги, тип линии ы, линии черепка мульти-стренги и так далее. Большинство из них отжимая провод на терминале с винтом, который требует лучшего вращающего момента винта и также лучше изолируя материала ПБТ. Своя основная особенность сделать множественные комбинации во всех штырях, фиксированных в шкафе или контролировать доску через паз. Она также имеет самые лучшие механическое и электрические свойства, которое может достигнуть разнообразных встроенных методов, как одна сторона к другой стороне, мульти-планы и так далее. Она также доступна приспосабливать много приложений как ярлык, защитный чехол, замыкая накоротко плату, етк.
Данные по терминального блока барьера технические:
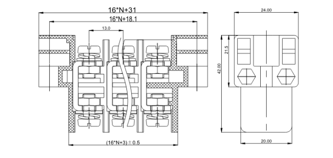
| Разбивочный космос | 16.0мм |
| Ряд провода | ² 22мм (Макс) |
| Вращающий момент винта | 22льбф.ин |
| Расклассифицированное течение | 600В, 75А |
| Напряжение тока пульсации | 6000В |
| Тело изоляции | ПБТ, УЛ94, В-0 |
| Материал винта | М6, сталь |
| Терминальное тело | ЛАТУНЬ |
| Температура | -40℃~120℃ |

