Особенности сочетания из высококачественные и богатые добавляют вверх для того чтобы дать выдающее значение для HMI в эконом-классе. Программное обеспечение N.B.-дизайнера для создания вашего применения HMI бесплатно и может быть загружено от нашего вебсайта.
| Спецификации | NB7W | |
|---|---|---|
| TW10B | TW11B | |
| Тип дисплея | 7" TFT LCD | |
| Разрешение дисплея (H x v) |
800 × 480 | |
| Количество цветов | 65536 | |
| СИД лицевой стороны | Никакой | |
| Осветите жизнь контржурным светом | 50 000 часов (тип) работая времени на нормальной температуре (25°C) с яркостью 40% * | |
| Сенсорная панель | Тип: сопротивляющийся тип Сила деятельности: 0,5 до 0,8 n Выносливость прессы: MIN. 1 000 000 раз (на 25°C) |
|
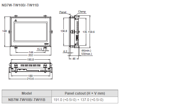
| Размеры в mm (× D W × H) |
148 × 46 × 202 | |
| Вес | 603 g максимальное. | 607 g максимальное. |
| N.B.-простая серия | NB7W | |
|---|---|---|
| TW10B | TW11B | |
| Интерфейс памяти | Никакой | |
| Сериал (COM1) | RS-232C, Дальность передачи: 15 m максимальный, Соединитель: Штырь D-подводной лодки 9 |
Никакой |
| Сериал (COM2) | Никакой | |
| Хозяин USB | Никакой | |
| Раб USB | 1 порт (для передачи данных экрана с ПК и печатанием Pictbridge) Эквивалент к высшей скорости USB 2,0, типу b, дальности передачи: 5 m |
|
| Локальные сети | Никакой | 10/100 оснований-T |
