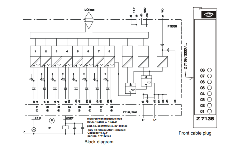
Безопасность модуля выхода створки F3330 8 связала ОН PLC
Детали продукта:
F3330: модуль выхода 8 створок, безопасность связал активная нагрузка или индуктивная нагрузка до 500 мам (12 w),
соединение до 4 w лампы, с интегрированным выключением безопасности, с безопасной изоляцией,
отсутствие выходного сигнала с перерывом L- класса AK 1… 6 требованию к поставки
Модуль автоматически испытан во время деятельности. Основные режимы теста являются следующими: – Читающ назад выходных сигналов.
Работая пункт 0 сигналов прочитанных назад ≤ 6,5 V. до этого значения уровень 0 сигналов может возникнуть
в случае недостатка и этого не обнаружит – переключая возможность сигнала и взаимн говорить теста (тест идти-бита).


