Контроль электропитания F7131 с буферными батареями ОН PLC
Детали продукта:
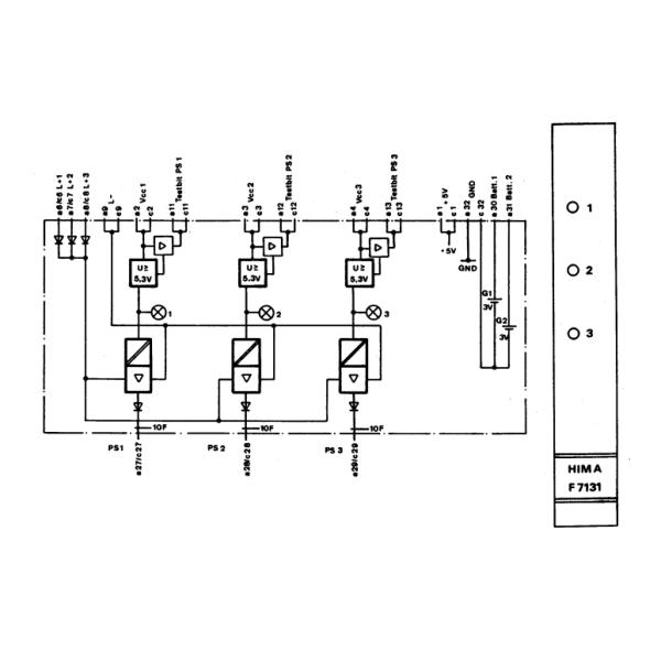
Модуль f 7131 контролирует напряжение тока системы 5 v произведенное 3 электропитаниями максимальными следующим образом:
– 3 Водить-дисплея на фронте модуля
– 3 бита теста для центральных модулей f 8650 или f 8651 для диагностического дисплея и для деятельности в пределах программы для пользователя
– Для использования внутри дополнительное электропитание (набор b 9361 собрания) функция модулей электропитания в ей смогла быть проконтролирована через 3 выхода 24 v (PS1 к PS 3)

