Тип подшашки переливаясь через край муфта CKL-B2590 CKL-B40125 для гаван транспортера
Введение продукции
Один носить пути вид подшипника который может вращать свободно в одном направлении и замке в другом направлении. Один носить пути также вызван переливаться через край муфта, которая названа согласно различным индустриям и функциям. Раковина металла односторонний носить содержит много ролики, иглы или шариков, и форма своего свертывая места (отверстия) делает ее свернуть только в одном направлении, но ее произведет большее сопротивление в другом направлении (так называемое «одностороннем»)
Тип CKL-B муфта подшашки нося, сдержанный, загерметизированный и носить поддержанный. Она главным образом использовала в случае высокой переливаясь через край скорости и понижает скорость начала. Для этого нужно масло greaseor при использовании.
Оно имеет такие же характер и размер как CKL-A.
Дизайн клина
Тип клина односторонний переливающся через край муфта вообще составлен внутреннего кольца, наружного кольца, группы клина, клетки клина, сильной весны и подшипника. Клин передает силу от одного raceway другим путем заклинивать между внутренними и наружными кольцами. Клин имеет 2 раскосных диаметра (т.е. расстояние от одного угла клина к другому углу), один чего больше чем другой. Действие клина происходит когда внутренние и наружные кольца вращают по отношению к одину другого, принуждающ клин для того чтобы иметь более большое вертикальное положение на более большом поперечном сечении
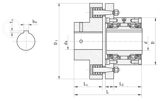
Параметры продуктов
| Тип | Номинальный Вращающий момент Nm |
Переливаться через край Ограничиваясь скорости |
Размер в Cintour mm |
Вес | |||||||||
| минута n | n максимальный | d H7 |
d1 H7 |
D | D1 H7 |
L | L1 | L2 | B | bn×tn | Kg | ||
| CKL-B2590 | 230 | 800 | 2500 | 25 | 20-40 | 90 | 130 | 127,5 | 50 | 60 | 17,5 | 4×1.8 | 6,4 |
| CKL-B30100 | 400 | 780 | 2500 | 30 | 20-50 | 100 | 160 | 146 | 60 | 66 | 20 | 5×2.3 | 11 |
| CKL-B35110 | 580 | 740 | 2500 | 35 | 25-65 | 110 | 190 | 168 | 75 | 74 | 19 | 6×2.8 | 17 |
| CKL-B40125 | 820 | 720 | 2500 | 40 | 25-65 | 125 | 190 | 178 | 75 | 86 | 17 | 6×2.8 | 19 |
| CKL-B45130 | 840 | 660 | 2500 | 45 | 25-65 | 130 | 190 | 178 | 75 | 86 | 17 | 6×2.8 | 19 |
| CKL-B50150 | 1400 | 610 | 2000 | 50 | 30-75 | 150 | 225 | 207 | 90 | 92 | 25 | 14×3.8 | 31 |
| CKL-B55160 | 1600 | 600 | 2000 | 55 | 35-90 | 160 | 270 | 233,5 | 100 | 104 | 29,5 | 16×4.3 | 47 |
| CKL-B60170 | 2200 | 490 | 2000 | 60 | 35-90 | 170 | 270 | 244 | 94 | 114 | 30 | 18×4.4 | 49 |
| CKL-B70190 | 4500 | 480 | 2000 | 70 | 45-110 | 190 | 340 | 312,5 | 140 | 134 | 38,5 | 20×4.9 | 90 |
| CKL-B80210 | 6800 | 450 | 1500 | 80 | 55-125 | 210 | 380 | 340 | 160 | 142 | 35 | 22×4.9 | 107 |
| CKL-B90230 | 11000 | 420 | 1500 | 90 | 65-140 | 230 | 440 | 369 | 160 | 159 | 50 | 25×6.4 | 170 |
| CKL-B100270 | 16000 | 400 | 1500 | 100 | 75-160 | 270 | 500 | 422 | 200 | 182 | 40,5 | 28×6.4 | 230 |
