Вал собрания запирающего устройства Z14 запирая
Характеристик продукта
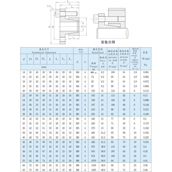
Особенности расширять и затягивать патронную втулочную муфту: соединяясь центровальный станок может работать хорошо; Никакое топление необходимо во время собрания; Удобно отрегулировать соответствуя положение вала и эпицентра деятельности; Отсутствие концентрации напряжений; Сильная величина наибольшей допускаемой нагрузки на опору; Высокий вращающий момент; Хорошая стабильность; Точность измерения; Не повредите сопрягая поверхность. Например: ременный шкив, цепное колесо, шестерня, шкив наклона, турбинка, одновременный ременный шкив, пропеллер, большой и небольшой вентилятор, воздуходувка или непосредственное отношение с валом и эпицентром деятельности и другими соединениями передачи. После разборки, все болты можно отпустить без извлекать болты. После этого привинтьте соотвествующие болты в отверстие разборки с разводным гаечным ключом и отпустите демонтированные части
1. Используйте рукав расширения для того чтобы сделать производство и установку частей хозяина простых. Подвергать механической обработке вала и отверстия для установки рукава расширения не требует высокоточного изготовляя допуска как пригонка взаимодействия. При установке рукава расширения, никакая потребность для нагревать, охлаждать или надувать оборудование. Только затяните болты согласно необходимому вращающему моменту. Регулировка удобна, и эпицентр деятельности можно удобно отрегулировать к необходимому положению на вале. Рукав расширения можно также использовать для того чтобы соединить части с плохим weldability.
2. Рукав расширения имеют длинный срок службы и высокопрочное. Рукав расширения управляется трением, и никакие ослаблять шпоночного соединения или относительное движение к соединенным частям, поэтому его не несут в работе.
3. Когда рукав расширения будет перегружен, он потеряет функцию соединения и защитит оборудование от повреждения.
4. Соединение рукава расширения может принести множественные нагрузки, и свою структуру можно сделать в разнообразие стили. Согласно нагрузке установки, множественные рукави расширения можно также использовать последовательно.
5. Рукав расширения легок для того чтобы демонтировать и имеет хорошую взаимозаменяемость. Потому что рукав расширения может совместить эпицентр деятельности вала с большим подходящим зазором, отпустите болты во время разборки, так, что соединенные части можно легко демонтировать. Расширяя и затягивающ, контактирующая поверхность приспосабливает плотно, не ржавеет, и легка для того чтобы демонтировать
|
|||||||||||||||||||||||||||
Параметры продуктов

