Введение продуктов
Передача Changzhou Tianniu профессиональный изготовитель электромагнитного зажима (тормоза), переливаясь через край муфта, муфта безопасности, штырь механического инструмента, плита трением муфты, щетка и вспомогательные аксессуары. Компания имеет высокопоставленных техников продукции и предварительной технологии производства. Она начинала и производила больше чем 20 серий и почти 1000 спецификаций продуктов в стране и за рубежом.
Продукты широко использованы в мехатронике, механических инструментах, аппаратурах и метрах, светлом промышленном машинном оборудовании, машинном оборудовании еды, машинном оборудовании табака, машинном оборудовании печатания, машинном оборудовании упаковки, машинном оборудовании papermaking, машинном оборудовании ткани, горном оборудовании цемента, оборудовании стальной свертывать, оборудовании автомобиля, подниматься и транспортном оборудовании, медицинском оборудовании, конторских машинах, кораблях рыбозавода, etc.
Электромагнитное multidisc схватывает для влажной деятельности с slipring или не-slipring, работать
на смазанном состоянии, имеющ fatures меньшей носки в подкладке трением, длиной в сроке службы,
небольшой в радиальных demensions, больших во вращающем моменте, консервная банка широко была использована в управлять машинного оборудования
системы оборудований механических инструментов, стальной rolliing, металлургия, минирование, давить металла
и exteding, извлекать, шлюпки и корабли и рыбозавод etc, и осуществляют функцию rngaging
и скорости etc отключающ, обращать и изменение.
Параметры продуктов
| РАЗМЕР | расклассифицированное dymanic torqueN.m | расклассифицированное статическое torqueN.m |
вращающий момент сопротивления (N.m) |
время захвата | время отцепления | расклассифицированное напряжение тока (DC v) | сила потребления катушки (20°) w |
позволенное максимальное revolvtion (r/min) |
вес (kg) |
расходы потока масла (Л/МИН) |
| DLM0-2.5 | 12 | 25 | 0,4 | 0,28 | 0,1 | 24 | 13 | 3500 | 1,78 | 0,25 |
| DLM0-6.3 | 50 | 100 | 1 | 0,32 | 0,1 | 24 | 19 | 3000 | 2,8 | 0,4 |
| DLM0-16 | 100 | 200 | 2 | 0,35 | 0,15 | 24 | 23 | 3000 | 4,66 | 0,65 |
| DLM0-40 | 250 | 500 | 5 | 0,4 | 0,2 | 24 | 51 | 2000 | 9 |
1
|
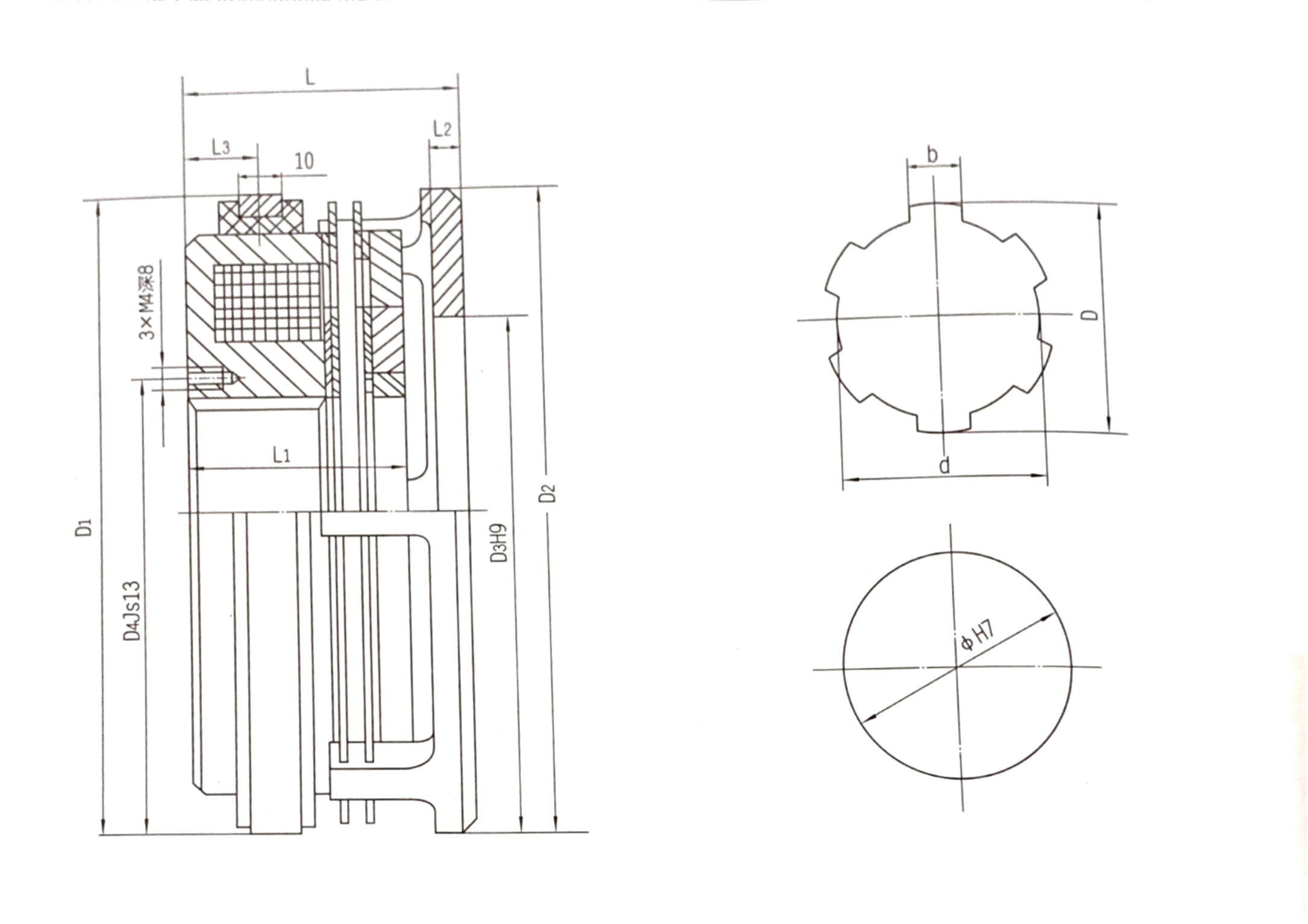
| РАЗМЕР | Радиальное Demensions (mm) | Осевое Demensions (mm) | |||||||||||
| D1 | D2 | D3 | D4 | Φ | D | d | b | L | L1 | L2 | L3 | strock armature видит pape | |
| DLM0-2.5 | 94 | 92 | 50 | 42 | 30 | 30 | 26 | 8 | 56 | 46,6 | 5 | 18,5 | 2,2 |
| DLM0-6.3 | 116 | 113 | 65 | 52 | 40 | 40 | 35 | 10 | 60 | 48,2 | 5 | 18,5 | 2,8 |
| DLM0-16 | 142 | 14 | 285 | 60 | 50 | 50 | 45 | 12 | 65 | 49,8 | 7,5 | 18,5 | 3,5 |
| DLM0-40 | 176 | 178 | 105 | 86 | 6 | 65 | 58 | 16 | 80 | 62 | 10 | 22 | 4 |
