Характеристик продукта
>Высокая ригидность вращающего момента, может точно контролировать вращение вала, может унести высокоточный контроль
дизайн >The удлиняя может компенсировать радиальное, угловое и осевое отступление более эффектно
>Designed для сервопривода и шагая мотора
зазор >No между валом и соединением рукава, общими для положительного и отрицательного вращения
инерция >Low, соответствующая для высокоскоростной деятельности
диафрагма >The сделана из стали весны с превосходной выносливостью на усталость
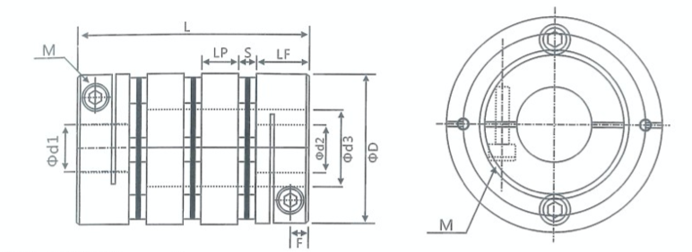
>Fastening метод закрепного винта
Сравненный с соединением шестерни, соединению диафрагмы не имеет никакой родственник сползая, не нужна смазка, запечатывание, никакой шум, по существу не нужно обслуживание, легко для того чтобы изготовить, и может частично заменить соединение шестерни. Соединения диафрагмы широко были использованы в промышленно развитых странах в мире. В моей стране, индустриальные стандарты машинного оборудования были сформулированы и были пересматриваны к новым индустриальным стандартам: Отношение соединений JB/T 9147-1999 (заменяя ZB/T J19022-90) между вращающими моментами.
Соединение диафрагмы соответствующее для shafting передачи в высокую температуру, быстрый ход и въедливые средние условия труда, как насосы водяных помп (особенно высокомощного, химического), вентиляторы, компрессоры, гидравлическое машинное оборудование, машинное оборудование нефти, машинное оборудование печатания, машинное оборудование ткани, химическое машинное оборудование, минируя машинное оборудование, металлургическое машинное оборудование, авиация (вертолет), военноморская высокоскоростная система передачи энергии, паровая турбина, система передачи силы поршеня механическая, корабли crawler, и генератор устанавливают высокоскоростную, высокомощную механическую систему передачи, через динамическую уравновешенность позже приложенную к высокоскоростной передаче shafting были более общими.
Параметры продуктов

| модельный параметр | общий диаметр расточки d1, d2 | ΦD | L | ЕСЛИ | LP | d3 | S | F | M | затягивать вращающий момент винта |
| (N.M) | ||||||||||
| GW-19X34 | 3,4,5,6,6.35, 7,8 | 19 | 34 | 9,1 | 5,2 | Φ9 | 1,8 | 3,3 | M2.5 | 1 |
| GW-26X44.5 | 5,6,6.35, 7,8,9,9.525, 10,11,12,14 | 26 | 44,5 | 11,65 | 6,5 | Φ12.5 | 2,6 | 3,9 | M3 | 1,5 |
| GW-32X54 | 5,6,6.35, 7,8,9,9.525, 10,11,12,12.7, 14,15, | 32 | 54 | 12,25 | 9,5 | Φ15 | 3,5 | 3,85 | M3 | 1,5 |
| GW-34X58 | 5,6,6.35, 7,8,9,9.525, 10,11,12,12.7, 14,15,16 | 34 | 58 | 14,25 | 9,5 | Φ16 | 3,5 | 4,85 | M4 | 2,5 |
| GW-39X65.5 | 8,9,9.525, 10,11,12,12.7, 14,15,16,17,18,19 | 39 | 65,5 | 14,9 | 11,2 | Φ19.3 | 4,5 | 5 | M4 | 2,5 |
| GW-44X65.5 | 8,9,9.525, 10,11,12,12.7, 14,15,16,17,18,19,20,22,24 | 44 | 65,5 | 14,9 | 11,2 | Φ22.5 | 4,5 | 5 | M4 | 2,5 |
| GW-50X80 | 8,9,9.525, 10,11,12,12.7, 14,15,16,17,18,19,20,22,24,25 | 50 | 80 | 20,6 | 12,2 | Φ23 | 4,8 | 6 | M5 | 7 |
| GW-56X83 | 10,12,14,15,16,17,18,19,20,22,24,25,28,30,32 | 56 | 83 | 19,75 | 13,5 | Φ32.5 | 5,5 | 6,4 | M5 | 7 |
| GW-68X97 | 12,14,15,16,17,18,19,20,22,24,25,28,30,32,35,38 | 68 | 97 | 23,35 | 15,7 | Φ38.3 | 6,3 | 7,7 | M6 | 12 |
| GW-82X128 | 17,18,19,20,22,24,25,28,30,32,35,38,40,42 | 82 | 128 | 30 | 22 | Φ45.5 | 8 | 9,7 | M8 | 20 |
| модельный параметр | Расклассифицированный вращающий момент | позволяемый ексцентриситет | позволяемый угол горизонтальной наводки | позволяемое осевое отступление | максимальная скорость | статическая крутящая жесткость | момент инерции | Материал рукава вала | Материал шрапнели | поверхностное покрытие | вес |
| (N.M) * | (mm) * | (°) * | (mm) * | rpm | (N.M/rad) | (Kg.M2) | (g) | ||||
| GW-19X34 | 1 | 0,12 | 2 | ±0.2 | 10000 | 140 | 1.1x10-6 | Высокопрочный алюминиевый сплав | Сталь SUS304Spring | Анодируя обработка | 18 |
| GW-26X44.5 | 1,5 | 0,15 | 2 | ±0.33 | 10000 | 680 | 3.6x10-6 | 45 | |||
| GW-32X54 | 2 | 0,17 | 2 | ±0.3 | 10000 | 1250 | 1.0x10-5 | 80 | |||
| GW-34X58 | 3 | 0,17 | 2 | ±0.4 | 10000 | 1550 | 1.3x10-5 | 97 | |||
| GW-39X65.5 | 6 | 0,22 | 2 | ±0.5 | 10000 | 2390 | 3.6x10-5 | 153 | |||
| GW-44X65.5 | 9 | 0,22 | 2 | ±0.6 | 10000 | 2700 | 4.5x10-5 | 189 | |||
| GW-50X80 | 18 | 0,1 | 2 | ±0.65 | 10000 | 4500 | 4.5x10-5 | 335 | |||
| GW-56X83 | 25 | 0,27 | 2 | ±0.8 | 10000 | 7900 | 1.9x10-4 | 413 | |||
| GW-68X97 | 60 | 0,31 | 2 | ±0.9 | 9000 | 15800 | 2.4x10-4 | 641 | |||
| GW-82X128 | 100 | 0,55 | 2 | ±0.9 | 8000 | 23700 | 3.0x10-4 | 1345 |