Длинный генератор постоянного магнита энергии ветра альтернативной энергии продолжительности жизни
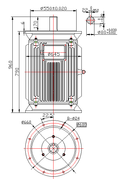
Чертеж продукта

Технический параметр
| Нет. | Параметр | Блоки | Данные |
| 1 | Сила требуемой производительности | KW | 10 |
| 2 | Проектная скорость | RPM | 50 |
| 3 | Напряжение тока требуемой производительности | ВПТ | 800 |
| 4 | Расклассифицированное течение | 15 | |
| 5 | частота | Hz | 10 |
| 6 | Поляки | 24 | |
| 7 | Эффективность на проектной скорости | % | 90,2 |
| 8 | Обматывая тип | Y | |
| 9 | Сопротивление изоляции | >20 MΩ | |
| 10 | Изоляция | Класс h | |
| 11 | Расклассифицированный вращающий момент | Nm | 2122 |
| 12 | Вращающий момент начала | Nm | <40 |
| 13 | Повышение температуры | °C | 90 |
| 14 | Максимальная работая температура | °C | 130 |
| 15 | Диаметр генератора | mm | См. чертеж |
| 16 | Диаметр вала | mm | См. чертеж |
| 17 | Расквартировывать материал | Чугун | |
| 18 | Материал вала | Сталь | |
| 19 | Вес | Kg | 700 |
Детальные картины

Генератор постоянного магнита (PMG) электрический генератор который использует постоянные магниты для создания магнитного поля. Магнитное поле использовано для того чтобы навести напряжение тока в катушке провода который соединен с генератором. Это напряжение тока после этого использовано для того чтобы привести электрические приборы в действие или сохранить энергию в батареях.
Структура
Дизайн PMG относительно прост. Он состоит из ротора, статора, и постоянных магнитов. Ротор вращая вал который содержит постоянные магниты. Статор неподвижный компонент который окружает ротор и содержит катушки провода. Когда ротор закручивает, магнитное поле созданное постоянными магнитами разрежет поперек катушки провода в статоре, наводя напряжение тока.

Принцип деятельности
Генератор постоянного магнита использует принцип электромагнитной индукции в котором провод режет линию магнитного поля для того чтобы навести электрический потенциал и преобразовывает механическую энергию главного - двигатель в выход электрической энергии. Он состоит из 2 частей, статора, и ротора. Статор armature который производит электричество и ротор магнитный поляк. Статор составлен металлического стержня armature, равномерно discharged трехфазных замотки, основания машины, и крышки конца.
Ротор обычно спрятанный тип поляка, который составлены возбуждения обматывая, металлический стержень и вал, защитное кольцо, разбивочное кольцо, и так далее.
Замотка возбуждения ротора кормится с DC настоящим для генерации магнитного поля близко к синусоидальному распределению (вызвал магнитное поле ротора), и свой эффективный поток возбуждения пересекает с неподвижной замоткой armature. Когда ротор вращает, магнитное поле ротора вращает вместе с ним. Каждый раз революция сделана, магнитные силовые линии режут каждый обматывать участка статора в последовательности, и трехфазный потенциал AC наведен в трехфазной замотке статора.
Когда генератор после полудня бежит с симметричной нагрузкой, трехфазный ток статора синтезирует для генерации вращая магнитного поля с синхронной скоростью. Поля статора и ротора взаимодействуют для генерации тормозя вращающего момента. Механический входной сигнал вращающего момента от турбины преодолевает тормозя вращающий момент и работы.

Особенности
①Генератор имеет много поляков, которые улучшают частоту и эффективность, сохраняющ цену выпрямителей тока и инверторов.
②Использован анализ конечного элемента конструируя генератор, компактную текстуру. Низкий вращающий момент запуска, разрешает проблему небольшого запуска ветра, улучшая использование энергии ветра.
③Выйдите вне increaser шестерни, улучшите надежность и эффективность генератора, и понизьте количество обслуживания.
④Изоляция класса h, вкрапленность давления вакуума.
⑤Имейте много структур как вертикальная ось, горизонтальная ось, внутренний ротор, внешний ротор, и тип плиты.
⑥Сильные роторы, генератор смогли достигнуть быстрого хода.
⑦Небольшой размер, легковес, плотность высокой энергии, соответствующая для особенных ситуаций.
⑧Побегите эффективность повсеместно во весь ряд скорости, высокая эффективность.
⑨Используйте импортированную высокоскоростную, который масл-содержат надежность подшипников, безуходных, и высоких.
Преимущества генератора постоянного магнита
1 простая структура и высокая надежность
Генератор постоянного магнита исключает замотку возбуждения, щетку углерода и структуру кольца выскальзывания генератора возбуждения, и вся машина имеет простую структуру, которая избегает отказов как легкий прогар и разъединение замотки возбуждения генератора возбуждения, легкой носки и разрыва щеток углерода и колец выскальзывания, etc., и надежности значительно улучшено.
2 небольшой размер, облегченная, высокая специфическая сила
Принятие структуры ротора постоянного магнита делает дизайн внутренней структуры генератора очень компактный, и том и вес значительно уменьшены. Упрощение структуры ротора постоянного магнита также уменьшает момент инерции ротора, увеличивает практически скорость, и достигает очень высокой специфической силы (то есть, коэффициента силы к тому).
Хорошее проведение производства электроэнергии 3 на средстве и малых скоростях
В случае такого же уровня силы, на числе оборотов холостого хода, сила выхода генератора постоянного магнита дважды это из генератора возбуждения, что сказать, генератор возбуждения уровня действующей мощности генератора постоянного магнита.
4 смогите значительно увеличивать время работы от батарей и уменьшать поддержание в исправном состоянии батареи
Главная причина что генератор постоянного магнита принимает типа переключател метод выпрямления и стабилизации напряжения тока, который имеет высоковольтную регулированную точность и хорошее поручая влияние. Она избегает шортинга времени работы от батарей причиненного поручать перегрузок по току. Типа открыт выход выпрямления импульсов тока польз генератора постоянного магнита небольших для того чтобы поручить батарею, и поручая влияние лучшие с таким же поручая течением, таким образом увеличивая срок службы батареи.
Высокая эффективность 5
Генератор постоянного магнита энергосберегающий продукт. Структура ротора постоянного магнита исключает силу возбуждения необходима, что произвела магнитное поле ротора и механическую потерю трения между щетками углерода и кольцами выскальзывания, которое значительно улучшает эффективность генератора постоянного магнита. Средний коэффициент полезного действия обычных генераторов возбуждения только 45% до 55% в ряде скорости между 1500 rpm и 6000 rpm, пока это из генераторов постоянного магнита может быть как высоко как 75% к 80%.
6 используя само-начиная регулятор напряжения тока
Отсутствие потребности для внешнего электропитания возбуждения. Генератор производит электричество покуда он закручивает. Когда батарея повреждена, система загрузки автомобиля может все еще работать нормально покуда двигатель бежит.
7 особенно соответствующий для работы во влажных или пылевоздушных жестких окружающих средах
8 отсутствие радио помехи
Генератор постоянного магнита не имеет никакие щетку углерода и структуру кольца не-выскальзывания, которая исключает причиненное радио помехи трением между щеткой углерода и кольцом выскальзывания; также уменьшает требование генератора для температуры окружающей среды.




