Длинная фабрика генератора постоянного магнита возобновляющей энергии продолжительности жизни
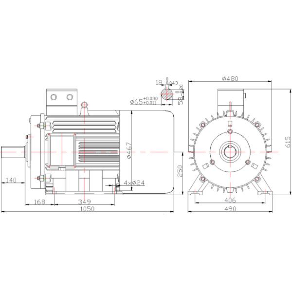
Чертеж продукта

Технический параметр
| Нет. | Параметр | Блоки | Данные |
| 1 | Сила требуемой производительности | KW | 20 |
| 2 | Проектная скорость | RPM | 250 |
| 3 | Напряжение тока требуемой производительности | ВПТ | 400 |
| 4 | Расклассифицированное течение | 29 | |
| 5 | Частота | Hz | 50 |
| 6 | Поляки | 24 | |
| 7 | Эффективность на проектной скорости | >93.6% | |
| 8 | Обматывая тип | Y | |
| 9 | Изоляция | Класс h | |
| 10 | Расклассифицированный вращающий момент | Nm | 825 |
| 11 | Вращающий момент начала | Nm | <15 |
| 12 | Повышение температуры | °C | 90 |
| 13 | Подшипник | SKF | |
| 14 | Вес | Kg | 340 |
Детальные картины

Генератор постоянного магнита (PMG) электрический генератор который использует постоянные магниты для создания магнитного поля. Магнитное поле использовано для того чтобы навести напряжение тока в катушке провода который соединен с генератором. Это напряжение тока после этого использовано для того чтобы привести электрические приборы в действие или сохранить энергию в батареях.
Структура
Дизайн PMG относительно прост. Он состоит из ротора, статора, и постоянных магнитов. Ротор вращая вал который содержит постоянные магниты. Статор неподвижный компонент который окружает ротор и содержит катушки провода. Когда ротор закручивает, магнитное поле созданное постоянными магнитами разрежет поперек катушки провода в статоре, наводя напряжение тока.

Принцип деятельности
Генератор постоянного магнита использует принцип электромагнитной индукции в котором провод режет линию магнитного поля для того чтобы навести электрический потенциал и преобразовывает механическую энергию главного - двигатель в выход электрической энергии. Он состоит из 2 частей, статора, и ротора. Статор armature который производит электричество и ротор магнитный поляк. Статор составлен металлического стержня armature, равномерно discharged трехфазных замотки, основания машины, и крышки конца.
Ротор обычно спрятанный тип поляка, который составлены возбуждения обматывая, металлический стержень и вал, защитное кольцо, разбивочное кольцо, и так далее.
Замотка возбуждения ротора кормится с DC настоящим для генерации магнитного поля близко к синусоидальному распределению (вызвал магнитное поле ротора), и свой эффективный поток возбуждения пересекает с неподвижной замоткой armature. Когда ротор вращает, магнитное поле ротора вращает вместе с ним. Каждый раз революция сделана, магнитные силовые линии режут каждый обматывать участка статора в последовательности, и трехфазный потенциал AC наведен в трехфазной замотке статора.
Когда генератор после полудня бежит с симметричной нагрузкой, трехфазный ток статора синтезирует для генерации вращая магнитного поля с синхронной скоростью. Поля статора и ротора взаимодействуют для генерации тормозя вращающего момента. Механический входной сигнал вращающего момента от турбины преодолевает тормозя вращающий момент и работы.

Особенности
①Генератор имеет много поляков, которые улучшают частоту и эффективность, сохраняющ цену выпрямителей тока и инверторов.
②Использован анализ конечного элемента конструируя генератор, компактную текстуру. Низкий вращающий момент запуска, разрешает проблему небольшого запуска ветра, улучшая использование энергии ветра.
③Выйдите вне increaser шестерни, улучшите надежность и эффективность генератора, и понизьте количество обслуживания.
④Изоляция класса h, вкрапленность давления вакуума.
⑤Имейте много структур как вертикальная ось, горизонтальная ось, внутренний ротор, внешний ротор, и тип плиты.
⑥Сильные роторы, генератор смогли достигнуть быстрого хода.
⑦Небольшой размер, легковес, плотность высокой энергии, соответствующая для особенных ситуаций.
⑧Побегите эффективность повсеместно во весь ряд скорости, высокая эффективность.
⑨Используйте импортированную высокоскоростную, который масл-содержат надежность подшипников, безуходных, и высоких.
Одно из преимуществ PMGs что они не требуют, что внешний источник питания производит электричество. Это делает их идеальным для применений -решетки где достоверный источник электричества необходим. К тому же, PMGs относительно низко-обслуживание сравненное к другим типам генераторов, по мере того как они не требуют щеток или других компонентов которые носят вне с течением времени.
Другая большая вещь о генераторах постоянного магнита что вам не нужно потратить много времени и деньги на поддержании в исправном состоянии. Как раз установите его и ждать там ожидающ, что оно заработало деньги для вас!
Классификация генератора постоянного магнита:
Генераторы постоянного магнита (PMGs) можно расклассифицировать основанный на различных факторах, как тип магнита, применение, число участков, и показатель мощности. Здесь некоторые общие классификации генераторов постоянного магнита:
Основанный на типе магнита: A. магнит PMG феррита: Эти генераторы используют магниты феррита, которые более менее дороги и имеют более низкую магнитную прочность чем магниты редк-земли. B. магнит PMG Редк-земли: Эти генераторы используют магниты неодимия или самари-кобальта, которые дороже но имеют более высокую магнитную прочность чем магниты феррита.
Основанный на применении: A. ветротурбина PMG: Эти генераторы конструированы для пользы в ветротурбинах и типично использованы в применениях мелкомасштабных или -решетки. B. гидроэлектрический PMG: Эти генераторы конструированы для пользы в ГЭС и типично использованы в широкомасштабных применениях.
Основанный на числе участков: A. однофазный PMG: Эти генераторы имеют одновыходовой участок и использованы в маломощных применениях. B. трехфазный PMG: Эти генераторы имеют 3 участка выхода и использованы в высокомощных применениях.
Основанный на показателе мощности: A. маломощный PMG: Эти генераторы имеют показатель мощности до немного киловаттов и использованы в мелкомасштабных применениях. B. высокомощный PMG: Эти генераторы имеют показатель мощности нескольких мегаватт и использованы в широкомасштабных применениях, как ветротурбины и ГЭС.
Эти некоторое общие классификации генераторов постоянного магнита, но могут быть другие пути расклассифицировать их основанные на специфических параметрах.




Будущее генератора постоянного магнита:
Основанный на настоящих тенденциях и выдвижениях в технологии, будущее генераторов постоянного магнита смотрит обещающ. Эти генераторы будут все больше и больше популярными в различных индустриях, включая ветер и поколение гидроэлектроэнергии, должные к их высокой эффективности, низкому обслуживанию, и надежности.
Одно из значительных преимуществ генераторов постоянного магнита их способность произвести силу на малых скоростях, делая их идеальный для пользы в зонах низко-ветра и мелкомасштабных применениях. Они также имеют больше компактного дизайна, который уменьшает общие вес и размер генератора, делающ его более легким установить и транспортировать.
С растущим спросом для источников энергии способных к возрождению, генераторы постоянного магнита правоподобны для игры значительной роли в будущем производства энергии. По мере того как ожидано, что будут выдвижения технологии, эти генераторы более эффективными, рентабельными, и разносторонними, делающ их соответствующим для более широкого диапозона применения.
Общий, будущее генераторов постоянного магнита выглядит ярким, и они правоподобны для того чтобы продолжать быть популярным выбором для производства энергии способного к возрождению.