генератор постоянного магнита одиночной фазы 12kw 600rpm 220V 60hz
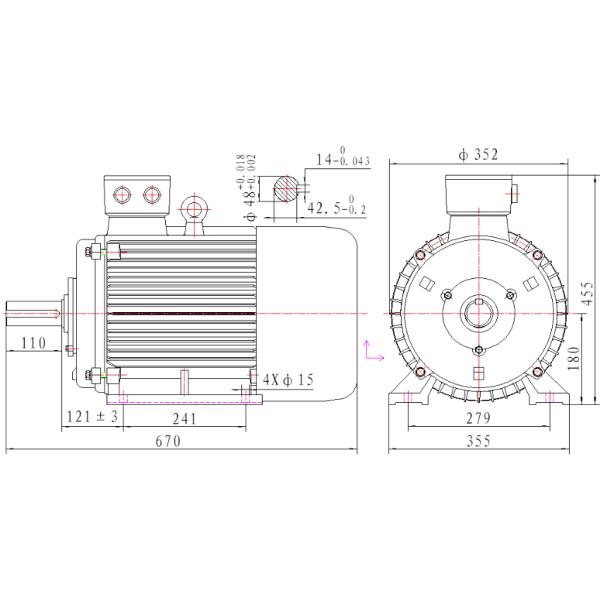
Чертеж продукта

Технический параметр
| Нет. | Параметр | Блоки | Данные |
| 1 | Сила требуемой производительности | KW | 12 |
| 2 | Проектная скорость | RPM | 600 |
| 3 | Напряжение тока требуемой производительности | ВПТ | 220 |
| 4 | Расклассифицированное течение | 53 | |
| 5 | Расклассифицированная частота | HZ | 60 |
| 6 | Поляки | 12 | |
| 7 | Эффективность на проектной скорости | >92.2% | |
| 8 | Обматывая тип | Y | |
| 9 | Сопротивление изоляции | 20 MΩ | |
| 10 | Изоляция | Класс h | |
| 11 | Расклассифицированный вращающий момент | Nm | 145 |
| 12 | Вращающий момент начала | Nm | <3.6 |
| 13 | Повышение температуры | °C | 90 |
| 14 | Вес | Kg | 165 |
Детальные картины

Генератор постоянного магнита (PMG) электрический генератор который использует постоянные магниты для создания магнитного поля. Магнитное поле использовано для того чтобы навести напряжение тока в катушке провода который соединен с генератором. Это напряжение тока после этого использовано для того чтобы привести электрические приборы в действие или сохранить энергию в батареях.
Структура
Дизайн PMG относительно прост. Он состоит из ротора, статора, и постоянных магнитов. Ротор вращая вал который содержит постоянные магниты. Статор неподвижный компонент который окружает ротор и содержит катушки провода. Когда ротор закручивает, магнитное поле созданное постоянными магнитами разрежет поперек катушки провода в статоре, наводя напряжение тока.

Принцип деятельности
Теория магнитного поля фундаментальный принцип за деятельностью PMG. Она заявляет что магнитное поле произведено вокруг магнитного материала, как постоянный магнит, когда оно подвергается к электрическому току. Прочность магнитного поля прямо-пропорциональна к величине электрического тока пропуская через материал.
Направление магнитного поля определено направлением электрического тока. Линии магнитного поля формируют короткозамкнутый виток вокруг магнитного материала, и прочность уменшений магнитного поля с расстоянием от материала.
PMG состоит из ротора, который вращая вал, и статора, который неподвижный компонент. Ротор составлен постоянного магнита, который производит магнитное поле вокруг его. Статор состоит из набора катушек, которые ранят вокруг магнитного ядра.
Когда ротор вращает, магнитное поле произведенное постоянным магнитом взаимодействует с магнитным полем произведенным катушками в статоре. Это взаимодействие наводит электрический ток в катушках, который после этого преобразован в электрическую энергию.
Прочность электрической энергии произведенной PMG прямо-пропорциональна к прочности магнитного поля произведенного постоянным магнитом и скоростью вращения ротора. Более быстро ротор вращает, высокий частота электрической энергии произвел.
В сводке, теория магнитного поля фундаментальный принцип за деятельностью PMG. Взаимодействие между магнитным полем произведенным постоянным магнитом и магнитным полем произведенным вращая валом производит электрическую энергию, могущие понадобиться для различных применений.

Особенности
①Генератор имеет много поляков, которые улучшают частоту и эффективность, сохраняющ цену выпрямителей тока и инверторов.
②Использован анализ конечного элемента конструируя генератор, компактную текстуру. Низкий вращающий момент запуска, разрешает проблему небольшого запуска ветра, улучшая использование энергии ветра.
③Выйдите вне increaser шестерни, улучшите надежность и эффективность генератора, и понизьте количество обслуживания.
④Изоляция класса h, вкрапленность давления вакуума.
⑤Имейте много структур как вертикальная ось, горизонтальная ось, внутренний ротор, внешний ротор, и тип плиты.
⑥Сильные роторы, генератор смогли достигнуть быстрого хода.
⑦Небольшой размер, легковес, плотность высокой энергии, соответствующая для особенных ситуаций.
⑧Побегите эффективность повсеместно во весь ряд скорости, высокая эффективность.
⑨Используйте импортированную высокоскоростную, который масл-содержат надежность подшипников, безуходных, и высоких.
Одно из преимуществ PMGs что они не требуют, что внешний источник питания производит электричество. Это делает их идеальным для применений -решетки где достоверный источник электричества необходим. К тому же, PMGs относительно низко-обслуживание сравненное к другим типам генераторов, по мере того как они не требуют щеток или других компонентов которые носят вне с течением времени.
Другая большая вещь о генераторах постоянного магнита что вам не нужно потратить много времени и деньги на поддержании в исправном состоянии. Как раз установите его и ждать там ожидающ, что оно заработало деньги для вас!






Постоянные магниты быстро проходили вверх по развитию ветротурбин путем позволять инженерам установить кронштейны на стенах без сверлить или сваривать что-нибудь. Некоторые изготовители турбины изобретательно используют магнитные устанавливая системы для того чтобы прикрепить держатели стены и другие жизненно важные материалы в стену турбины, и сильные редкие земельные металлы как магниты неодимия превосходный выбор для таких применений.