Альтернатор малошумных и обслуживания низкий Rpm постоянного магнита
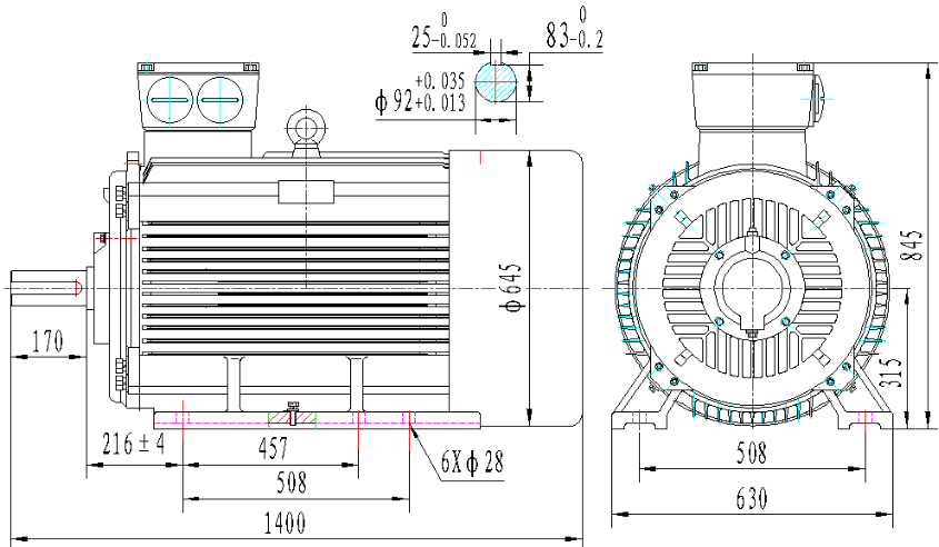
Чертеж продукта

Технический параметр
| Нет. | Параметр | Блоки | Данные |
| 1 | Сила требуемой производительности | KW | 200 |
| 2 | Проектная скорость | RPM | 500 |
| 3 | Напряжение тока требуемой производительности | ВПТ | 400 |
| 4 | Расклассифицированное течение | 300 | |
| 5 | Эффективность на проектной скорости | >95.3% | |
| 6 | Обматывая тип | Y | |
| 7 | Расклассифицированная частота | Hz | 50 |
| 8 | Поляки | 12 | |
| 9 | Расклассифицированный вращающий момент | Nm | 3880 |
| 10 | Вращающий момент начала | Nm | <60 |
| 11 | Повышение температуры | °C | 90 |
| 12 | Максимальная работая температура | °C | 130 |
| 13 | Диаметр генератора | mm | См. чертеж |
| 14 | Диаметр вала | mm | См. чертеж |
| 15 | Расквартировывать материал | Чугун | |
| 16 | Материал вала | Сталь | |
| 17 | Подшипник | SKF | |
| 18 | Вес | Kg | 1250 |
Детальные картины

Генератор постоянного магнита прибор который преобразовывает механическую энергию к электрической энергии. В этом приборе, замотки ротора были заменены на постоянные магниты. Генераторы постоянного магнита использованы главным образом в промышленных применениях как турбины и двигатели произвести коммерчески электрическую энергию, альтернатор постоянного магнита другой источник энергии и имеет множественные преимущества которые делают им больший прибор для разнообразие жилых, коммерчески, и промышленных применений.
Структура
Генератор постоянного магнита главным образом составлен ротора, крышки конца, и статора. Структура статора очень подобна этому из обычного альтернатора. Самая большая разница между структурой ротора и альтернатором что высококачественно согласно положению постоянного магнита на роторе, генератор постоянного магнита обычно разделена в поверхностную структуру ротора и встроенную структуру ротора.

Принцип деятельности
Генератор постоянного магнита использует принцип электромагнитной индукции в котором провод режет линию магнитного поля для того чтобы навести электрический потенциал и преобразовывает механическую энергию главного - двигатель в выход электрической энергии. Он состоит из 2 частей, статора, и ротора. Статор armature который производит электричество и ротор магнитный поляк. Статор составлен металлического стержня armature, равномерно discharged трехфазных замотки, основания машины, и крышки конца.
Ротор обычно спрятанный тип поляка, который составлены возбуждения обматывая, металлический стержень и вал, защитное кольцо, разбивочное кольцо, и так далее.
Замотка возбуждения ротора кормится с DC настоящим для генерации магнитного поля близко к синусоидальному распределению (вызвал магнитное поле ротора), и свой эффективный поток возбуждения пересекает с неподвижной замоткой armature. Когда ротор вращает, магнитное поле ротора вращает вместе с ним. Каждый раз революция сделана, магнитные силовые линии режут каждый обматывать участка статора в последовательности, и трехфазный потенциал AC наведен в трехфазной замотке статора.
Когда генератор после полудня бежит с симметричной нагрузкой, трехфазный ток статора синтезирует для генерации вращая магнитного поля с синхронной скоростью. Поля статора и ротора взаимодействуют для генерации тормозя вращающего момента. Механический входной сигнал вращающего момента от турбины преодолевает тормозя вращающий момент и работы.

Ротор альтернатора постоянного магнита сразу оборудован с ветротурбиной так, что он сможет произвести фиксированное электропитание. Эффективность альтернаторов постоянного магнита одновременных путь более высокий чем это из асинхронных генераторов. Она предлагает разнообразие заслуги над асинхронными генераторами и они следующим образом:
· Безредукторная передача (никакому множителю скорости, никакая коробка передач)
· Виртуально отсутствие обслуживания
· Самый высокий коэффициент сил-к-веса в безредукторной передаче
· Высокая эффективность
· Упрощение механического дизайна · Легкий механический интерфейс
· Оптимизация затрат
· Они экологически дружелюбны и не полагаются на внешней погоде для произведения электричества
· Они более небольшие в размере и следовательно для того чтобы требовать очень меньше космоса сравненного к другим типам генераторов.
· Эти генераторы постоянного магнита, который побежали в течение многих лет и за пределами без любых носки и разрыва. Дополнительно, они soundless и свободное от шум таким образом делая загрязнение компенсации звуков.
· Низкоскоростной, безредукторная передача PMGs работать без любой коробки передач и быстро-поворачивая часть, приводящ в увеличенной надежности и главной эффективности поезда привода.
· Генератор можно конструировать с поделенной на сегменты конструкцией статора. Это обеспечивает дублирование и делает его возможным отремонтировать генератор в гондоле без полной разборки. Выборочно, наш дизайн генератора может использовать генератор нося как подшипник турбины главный интегрировать тормозную систему турбины в конструкцию генератора. Преимущества простота, меньше компонентов, и поэтому, более высокая надежность.
· С растущими расходами электричества, увеличивая количество населения ищет другой источник энергии и генераторы постоянного магнита приспосабливают этот зазор совершенно. Эти генераторы могут также уменьшить напряжение на окружающей среде по мере того как они не используют никакие источники не-способные к возрождению энергии для произведения электричества.
