Самосмазчик воздуха блоков FESTO подготовки воздуха, OL-MINI-1/4 " .3/8", OL-MIDI-1/2 " .3/4"
| Самосмазчики | МИНИЫЙ | MIDI | ||||
| OL-1/8-MINI | OL-1/4-MINI | OL-3/8-MINI | OL-3/8-MIDI | OL-1/2-MIDI | OL-3/4-MIDI | |
| Средство | Обжатый воздух | |||||
| Характеристики структуры | Спеченный фильтр с spartor воды сразу самосмазчик Постоянн-плотности | |||||
| Тип установки | Установка или крепление на кронштейне трубы | |||||
| Положение агрегата | Vertical±5° | |||||
| Соединение | G1/8» | G1/4» | G3/8» | G3/8» | G1/2» | G3/4» |
| Стандартный номинальный расход потока | 1300 | 2300 | 2700 | 5500 | 6100 | 6300 |
| Давление Ma.Working | 16bar | |||||
| Расход потока nominal Min.Standard | 3L/min | 6L/min | ||||
| Емкость Ma.condensate | 22ml | |||||
| Ряд Timperature | 0~60℃ | |||||
| Данные по материалов | Расквартировывать: Заливка формы цинка; Шар масла и крышка потека: ПК; Предохранитель шара металла: Алюминиевый сплав; Герметизировать: NBR | |||||

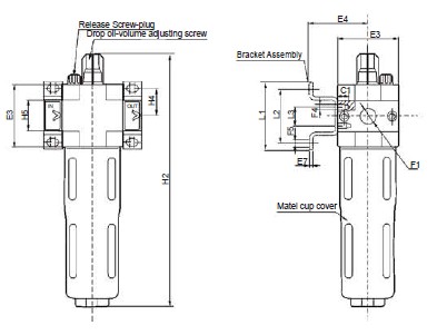
| Модель | E3 | E4 | E7 | F1 | F4 | F5 | L1 | L2 | L3 | L4 | L5 |
| OL-… - МИНИЫЙ | 40 | 39 | 2 | G1/8», G1/4», G3/8» | M4 | 4,5 | 44 | 35 | 11 | 17,5 | 20 |
| OL-… - MIDI | 55 | 47 | 3 | G1/8», G1/2», G3/4» | M5 | 5,5 | 71 | 60 | 22 | 24,5 | 32 |