Соленоид пути СМК 5/2 пневматический - управляемые клапаны, ВФ3130, ВФ3230, ВФ5120, ВФ5220
Характер продукции:

Требование:
пипелининг 1.Бефоре, линия трубы должен быть очень чист без любых загрязняющих елементов или примеси.
2.То продлевают продолжительность жизни, И-линию фильтр должны быть установлены в начало клапана соленоида.
температура 3.Тхэ пара над 185℃
допуск напряжения тока 4.АК: ± 10%; Допуск напряжения тока ДК: ± 1%
5.Ит должно быть установлено горизонтально; вертикальная установка не целесообразна.
Спецификации:
| Продукт НЕТ. |
ВФ 3130 ВФ 5120 |
| Тип продукта | СМК |
| Нормальное напряжение тока | АК220В ДК24В |
| Отверстие | Г1/4» |
| Интернальсс клапана | Алюминий |
| Круг обязаностей | длительный номинал 100% |
| Класс защиты | ИП 65 с кабельной фишкой |
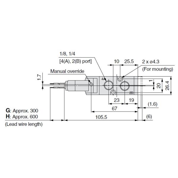
Чертежи:


Детали изображений:


Доставка
1. Если продукты, то мы имеем в магазине, мы отправим его вне КАК МОЖНО СКОРЕЕ после оплаты.
2. Если продукты которые были подгоняны, мы завершат продукцию в пределах определенный период времени, и отправляют его вне в первый раз, то мы можем пообещать ему.
3. Также мы можем отправить вашим кчетом доставки если вы хотите.
4. Мы имеем разнообразие пути отправить товары, обычно ДХЛ, Федерал Экспресс, ТНЛ будем нормальными путями. Если вы требуете пользы курьера, то мы можем сделать его.
Конкурентное преимущество
| Наши характеристики продукта | Наша гарантия обслуживаний: |
| 1) Конкурентоспособная цена | 1) Подсказка отвечает (ответ с 24 часами) |
| 2) Хорошее качество | 2) Свободные образцы (оплата клиента для стоимости поставки) |
| 3) Профессиональная упаковка | 3) Поддержка регистрации. |
| 4) Продукция согласно инструкции клиентов | 4) Фото/видео доступны во время продукции. |
| 5) Никакие задерживают пересылку | 5) Осмотр загрузки, и отправляет фото загрузки перед пересылкой. |
обслуживание После-продажи
Мы можем обеспечить серию обслуживания после-продажи, как внедрение продукции, установка, отладка, служба технической поддержки и так далее.
Гарантия
Весь деталь приходит с основной гарантией 3 продавцов месяца, если деталь неполноценный в 3 месяцах, мы предложит замену без дополнительного заряжателя, то (включая гонорар доставки) после того как мы получим неполноценный деталь.
Если деталь неполноценный после 3 месяцев, покупатели может все еще отправить его назад, то мы контактируем поставщиков или Мануфакторы для гарантии. Покупатели могли оплатить гонорар доставки для отправляют замененный деталь.