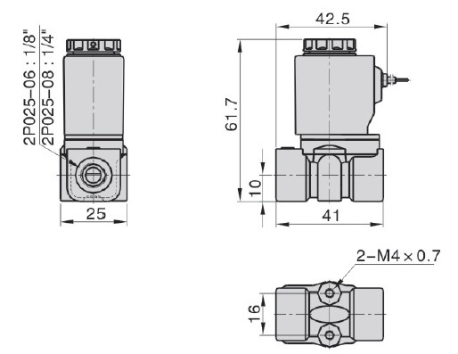
Характеристики продукта
| Модель | 2P025-06 | 2P025-08 |
| Жидкий | Воздух, вода, масло | |
| Действовать | Внутренне пилотируемый действовать | |
| Тип | Нормально закрытый | |
| Orificesize (mm) | 2,5 | |
| Значение Cv | 0,23 | |
| Размер порта | G1/8 | G1/4 |
| Viscositylimit | Под 20CST | |
| Operatingpressure | 0~0.7MPa (0~100psi) | |
| Давление доказательства | 1.05MPa (150psi) | |
| Материалы ofbody | PA 66 | |
| Материал уплотнения | fluororubber | |
| Sec времени Min.activating | 0,05 sec и ниже | |



| НЕТ. | Деталь | НЕТ. | Деталь | НЕТ. | Деталь |
| 1 | Тело | 4 | Pilotscrew | 7 | Coilnut |
| 2 | Набивка Bottomcover | 5 | Armature | 8 | Fixedplate |
| 3 | Колцеобразное уплотнение | 6 | Катушка | 9 | Весна |
| Тип клапана | Сила | Частота (Hz) | Ряд напряжения тока | Электрический вход | Расход энергии (VA/W) | Изоляция | Подъем Temp (ºC) |
| 2P025 | AC | 50 | ±15% | Стержень | 7.0VA | Тип b | 35 |
| 60 | |||||||
| DC | - | ±10% | Grommet | 7.0W | 45 |
Размеры (mm):
