Разъем Konganei с двойным пневматическим индикатором СИД клапанов соленоида
Клапаны 240 серий соответствующи для работать среднего размера цилиндры размеров скважины 63mm [2.480in.] до 100mm [3.937in.], и предлагают каждую необходимую функцию. В дополнение к 5 типам порта 2-position, закрытые клапаны положения центра и центра 3 вытыхания включены в виде продукции.
Серия осуществляет конструкцию оптимальной системы, предлагая сбережения космоса так же, как уменьшает связывать проволокой и пускать работу по трубам.
Спецификация:
| Основная модель | Спецификации соленоида | Одиночный соленоид | Двойной соленоид | соленоид двойника 3-position | |
| Для сразу тубопровода для типа коллектора f | 240-4E1 | 240-4E2 | 243-4E2 | ||
| Для стандартного типа sub-основания для типа a, тип коллекторы b | A240-4E1 | A240-4E2 | A243-4E2 | ||
| Для мопс-в типа sub-основания для AW, тип коллекторы BW | W240-4E1 | W240-4E2 | W243-4E2 | ||
| Средства | Воздух | ||||
| Тип деятельности | Внутренний пилотный тип | ||||
| Количество положений, количество портов | 2 положения, 5 портов | 3 положения, 5 портов | |||
| Функция клапана | — | Закрытый центр (стандартный) или центр вытыхания (опционный) | |||
| Полезная площадь (Cv) mm2 | 16 (0,88) (11,3 (0,62)) n* 1 | 15 (0,83) (11 (0,61))Примечание 1 | |||
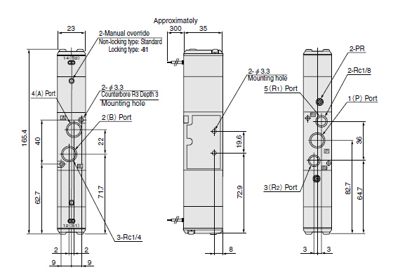
| Размер порта | P, A, B: Rc1/4 r: Rc1/8 (p, a, b, r: PR Rc1/4: Rc1/8) _e 2 | ||||
| Смазка | Не необходимый | ||||
| MPa ряда рабочего давения {kgf/cm2} [psi.] | 0,17 〜 0,7 {1,7 〜 7,1} [25 〜 102] | ||||
| MPa давления доказательства {kgf/cm2} [psi.] | 1,05 {10,7} [152] | ||||
| Госпожа времени на ответ ВКЛЮЧЕНО-ВЫКЛЮЧЕНО | DC24V | 25/35 | 20/20 | 25/55 | |
| AC100V, AC200V | 25/25 | 20/20 | 25/45 | ||
| Температурная амплитуда рабочей температуры (атмосфера и средства) [°F] | 5 〜 50 [41 〜 122] | ||||
| Сопротивление удара m/s2 {g} | Боковое направление | 1373,0 {140,0} | |||
| Осевое направление | 451,1 {46,0} | 264,8 {27,0} | 588,4 {60,0} | ||||
| Направление установки | Любые | ||||
| Максимальная равочая частота Hz | 5 | ||||
| Минимальный замер подпитать госпожу | -- | 50 | -- | ||
Принципы действия и большие части
