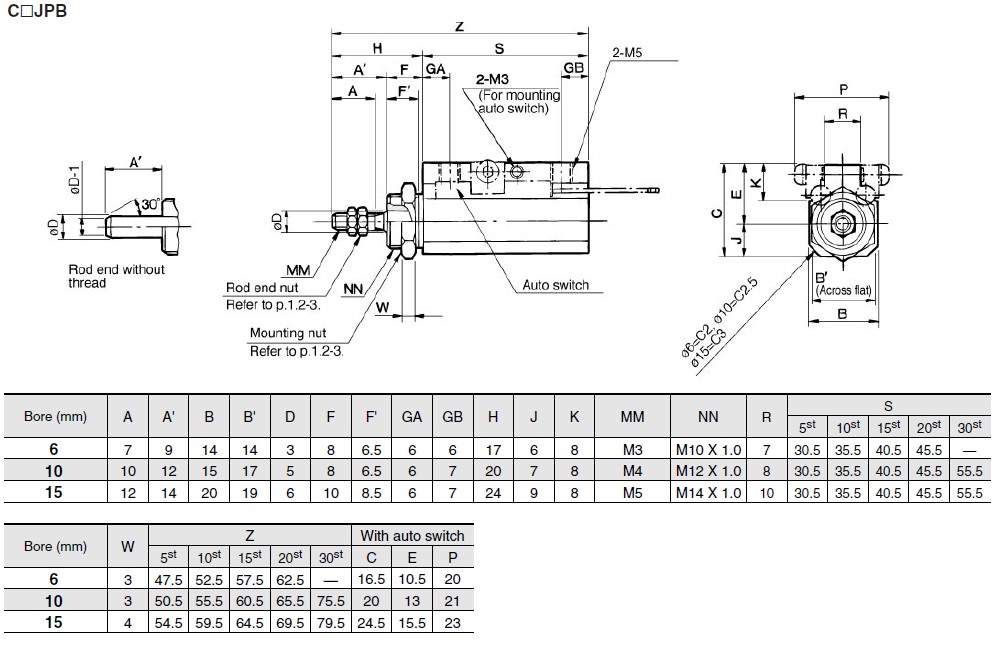
Стандартный цилиндр Пин алюминиевого сплава КДДЖПБ15-25Д КДДЖПБ10-20Д серебра серии КДЖП
Предосторежение
1.То заменяют уплотнения или смазать цилиндр во время обслуживания, используйте аппроприатепайр плоскогубцев (инструмента для установки пружинного кольца тыпеоле А.К.). После заново устанавливать цилиндр, убеждайтесь что пружинное кольцо испласед безопасно в воздухе паза бефоресупплинг.
2.То извлекают и устанавливают пружинное кольцо для штыря костяшки или штифт с головкой и отверстием для шпильки, использует соотвествующую пару плоскогубцев (инструмента для типа пружинного кольца к инсталлинга отверстия). частность льн, пара узеа ультра-мини плоскогубцев, как инструмент КСМ-07А теСупер, для извлекать андинсталинг пружинные кольца на цилиндре 6мм.
Изменения
| Серия | Действие | Размер скважины (мм) |
|
| Стандартный стиль Серия КДЖП |
Двойной действовать (Не-лубе) |
одиночная штанга | 6 10 15 |
| одиночный действовать (Не-лубе) |
одиночная штанга Возвращение весны |
||
Спецификации
| Максимальное рабочее давение | 0.7МПа | |
| Минимальный оператинг | Ф6 | 0.12МПа |
| Ф10, Ф15 | 0.06МПа | |
| Давление доказательства | 1.05МПа | |
| Окружающая и жидкая температура | без автоматического переключателя: 10℃ к 70℃, переключателю в/ауто: 10℃ к 60℃ | |
| Смазка | Не необходимый | |
| Допуск хода | ±1.0 0 |
|
| Допуск потока | Класс 2 ДЖИС | |
| Поток конца прута | С потоком/без потока | |
| Работая скорость поршня | 50 к 500мм/с | |
| Валик | Резиновый бампер на обоих концах | |
| Устанавливать | Основной, фланец, нога, Клевис, Труннион | |
Основной
| Размер скважины (мм) | Ход (мм) |
| 6 | 5,10,15,20 |
| 10 | 5,10,15,20,25,30 |
| 15 | 5,10,15,20,25,30 |
Вес (г)
| Ход Устанавливать стиль |
Размер скважины (мм) | |||
| 6 | 10 | 15 | ||
| Стандартный | 5 | 44 | 60 | 99 |
| 10 | 50 | 66 | 108 | |
| 15 | 56 | 73 | 118 | |
| 20 | 62 | 79 | 127 | |
| 25 | - | 93 | 148 | |
| 30 | - | 92 | 146 | |



обслуживание После-продажи
Мы можем обеспечить серию обслуживания после-продажи, как внедрение продукции, установка, отладка, служба технической поддержки и так далее.
Время подач
0:00 - 23:59
От понедельника к воскресенью