Спецификации
Номер модели :
МКБ16-20РНЗ
Место происхождения :
Китай
Количество минимального заказа :
1
Термины компенсации :
T/T
Способность поставкы :
1000 ПК /day
Срок поставки :
не познее 1-10 рабочих дней после компенсации
Упаковывая детали :
Пластиковые пакеты, ящики, коробки, поддоны, или по требованию клиента
имя :
Цилиндр воздуха
модель :
МКБ16-20РНЗ
Материал корпуса :
Алюминиевый сплав
Окружающяя и жидкая температура :
-10℃ к 60℃
валик :
резиновый бампер
Болт поршеня :
Нержавеющая сталь
Описание

Цилиндр смолы стали молибдена хромия инструментальной углеродистой стали МКБ16-20РНЗ пневматический

С автомобилем СвитчД-П3ДВА магнитного поля устойчивым
кабели заварки 1.Иф или электроды оружия заварки около тесилиндер, магниты в цилиндре смогли быть повлияны на внешними магнитными полями. (Пожалуйста контактируйте СМК если ампераж заварки превышает 1 А. 60ОО), то если источник сильного магнетизма приходит в контакт с цилиндром с автоматическим переключателем, то убеждайтесь установить тесилиндер далеко от источника магнетизма.
2.Иф цилиндр быть использованным в окружающей среде в которой виллькоме спаттер в непосредственном контакте с подводящими проводами, покрывает подводящие провода с защитной трубкой. Для защитной трубки, используйте орморе трубки л.Д. о7, которое первенствует в сопротивлении и гибкости жары.

Автоматические кронштейн/части переключателя нет.
1.ДИнсерт гайка в автоматический слот установки переключателя на трубке цилиндра, андпласе оно в грубо оцененном сеттинпоситион.
2.Энгаге гребень на автоматической руке установки переключателя с гнездом в рельсе трубки цилиндра, и сползают их к положению гайки.
винт 3.Гентлы автоматический винт установки переключателя в поток автоматической свитчмоунтинг гайки через холеон установки автоматическая рука установки переключателя.
4. подтвердите где положение установки, и затяните автоматическое моунтингскрев переключателя для того чтобы исправить автоматический переключатель. Затягивая вращающий момент винта М2.5 бе0.25 до 0,35 Н-м.

Предосторежение
Когда магнитное тело окружает теСилиндер
Когда магнитное тело окружает цилиндр как показано в диаграмме ниже (включая когда магнитное тело только на одной стороне цилиндра), движение автоматического переключателя может стать неустойчивым.

Типичные применения
Печать (управление напряжения)

Полупроводник (сварочный аппарат пятна, молоть обломока)

Управление автоматизации

Робот

Спецификации

Размер скважины (мм) 12 16 20 25 32 40 50 63
Действие Двойной действовать
Роторный угол 90° ±10°
Роторное направление По часовой стрелке, против часовой стрелки
Роторный ход (мм) 7,5 9,5 15 19
Ход струбцины (мм) 10, 20, 30 10, 20, 30, 50
Теоретическая сила струбцины (н) 40 75 100 185 300 525 825 1400
Жидкий Воздух
Давление доказательства 1,5 МПа
Ряд рабочего давения 0,1 до 1 МПа 0,1 к
0,6 МПа
Окружающая и жидкая температура Без автоматического переключателя: – 10 к 70°К (отсутствие замерзать)
С автоматическим переключателем: – 10 к 60°К (отсутствие замерзать)
Смазка Не-лубе
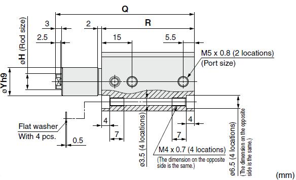
Пронзительный размер порта М5 кс 0,8 Рк1/8, НПТ1/8
Г1/8
Рк1/4, НПТ1/4
Г1/4
Устанавливать Через-отверстие/оба конца выстучали общее, главный фланец
Валик Резиновый бампер
Допуск длины хода +0,6
– 0,4
Примечание скорости поршня 5) 50 до 200 мм/с
Не-поворачивая точность (часть струбцины) ±1.4° ±1.2° ±0.9° ±0.7°

Теоретический выход

Теоретический выход
Размер скважины
(мм)
Размер штанги
(мм)
Работать
направление
Зона поршеня
(км2)
Рабочее давение (МПа)
0,3 0,5 0,7 1,0
12 6 В 0,8 25 42 59 85
ВНЕ 1,1 34 57 79 113
16 8 В 1,5 45 75 106 151
ВНЕ 2 60 101 141 201
20 12 В 2 60 101 141 201
ВНЕ 3,1 94 157 220 314
25 12 В 3,8 113 189 264 378
ВНЕ 4,9 147 245 344 491
32 16 В 6 181 302 422 603
ВНЕ 8 241 402 563 804
40 16 В 10,6 317 528 739 1056
ВНЕ 12,6 377 628 880 1257
50 20 В 16,5 495 825 1155 1649
ВНЕ 19,6 589 982 1374 1963
63 20 В 28 841 1402 -- --
ВНЕ 31,2 935 1559 -- --

Сталь молибдена хромия инструментальной углеродистой стали цилиндров воздуха смолы пневматическаяДоставка
1. Если продукты, то мы имеем в магазине, мы отправим его вне КАК МОЖНО СКОРЕЕ после оплаты.
2. Если продукты которые были подгоняны, мы завершат продукцию в пределах определенный период времени, и отправляют его вне в первый раз, то мы можем пообещать ему.
3. Мы имеем разнообразие пути поставить товары, обычно ДХЛ, Федерал Экспресс, ТНЛ будем нормальными путями, если вы требуете пользы курьера, то мы можем сделать его.
4. Также мы можем отправить вашим кчетом доставки если вы хотите.

Проводник продуктов ходя по магазинам
Например: вы хотите покупать серию цилиндров но вы не знаете который тип вы действительно хотите, поэтому вы можете сказать мне полностью ваше требование и я порекомендую к вам.

Отправьте сообщение этому поставщику
Отправляй сейчас

Сталь молибдена хромия инструментальной углеродистой стали цилиндров воздуха смолы пневматическая

Спросите последнюю цену
Номер модели :
МКБ16-20РНЗ
Место происхождения :
Китай
Количество минимального заказа :
1
Термины компенсации :
T/T
Способность поставкы :
1000 ПК /day
Срок поставки :
не познее 1-10 рабочих дней после компенсации
Контактный поставщик
Сталь молибдена хромия инструментальной углеродистой стали цилиндров воздуха смолы пневматическая
Сталь молибдена хромия инструментальной углеродистой стали цилиндров воздуха смолы пневматическая
Сталь молибдена хромия инструментальной углеродистой стали цилиндров воздуха смолы пневматическая
Сталь молибдена хромия инструментальной углеродистой стали цилиндров воздуха смолы пневматическая

Airwolf Automation

Verified Supplier
17 Годы
zhejiang, ningbo
С тех пор 2000
Вид деятельности :
Изготовление
Количество работников :
51~200
Уровень сертификации :
Verified Supplier
Узнайте о аналогичных продуктах
Смотрите больше
Контактный поставщик
Требование о предоставлении