Серий КАМОЗЗИ серебристая 1540 Никел-покрыла латунное соединение соединения штуцеров пневматической трубки 3
| Материалы | тело и гайка: никел-покрытая латунь Колцеобразное уплотнение: НБР уплотнения потока: ПТФЭ, ПА, АЛ |
| Потоки |
ИСО 7 ГАЗА конический (БСПТ) ИСО 228 ГАЗА цилиндрический (БСП) |
| Давление | номинальное давление штуцеров всегда выше чем давление трубки |
| Трубка, который нужно соединиться | Полиэтилен ПА заплел ПУ ПВК рильсан, полиэстер Хытрел |
| Диаметры | 5/3 - 6/4 до 8/6 до 10/8 до 12/10 до 15/12,5 мм |
| Жидкий | обжатая жидкость низкого давления воздуха |
| Температура | ÷ 80°К -20°К ПРИМЕЧАНИЕ: для лучшей пользы штуцера мы рекомендуем к проверите тубингспесификатионс |

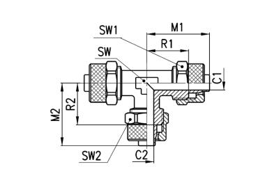
| РАЗМЕРЫ | |||||||||||
| Мод. | Трубка | К1 | К2 | М1 | М2 | Р1 | Р2 | СВ | СВ1 | СВ2 | Вес (г) |
| 1540 5/3 | 5/3 | 2 | 2 | 21,5 | 21,5 | 15 | 15 | 8 | 8 | 8 | 17 |
| 1540 6/4 | 6/4 | 3 | 3 | 22,5 | 22,5 | 15 | 15 | 8 | 12 | 12 | 31 |
| 1540 8/6 | 8/6 | 5 | 5 | 22,5 | 22,5 | 15 | 15 | 10 | 14 | 14 | 39 |
| 1540 10/8 | 10/8 | 6,5 | 65 | 25,5 | 25,5 | 17 | 17 | 12 | 16 | 16 | 58 |
| 1540 12/10 | 12/10 | 8,5 | 85 | 30 | 30 | 20 | 20 | 14 | 19 | 19 | 90 |
| 1540 15/12,5 | 15/12,5 | 11 | 11 | 34 | 34 | 22,5 | 22,5 | 16 | 22 | 22 | 128 |
| 1540 8/6-6/4 | 8/6-6/4 | 5 | 3 | 22,5 | 22,5 | 15 | 15 | 10 | 14 | 12 | 38 |
| 1540 10/8-6/4 | 10/8-6/4 | 6,5 | 3 | 25,5 | 23,5 | 17 | 165 | 12 | 16 | 12 | 50 |
| 1540 10/8-8/6 | 10/8-8/6 | 6,5 | 5 | 25,5 | 24 | 17 | 165 | 12 | 16 | 14 | 53 |


Стандарты качества
Компания для продуктов совершенно новые первоначальные продукты, не подержанные и приведенные продукты, или выйдите компенсабле 10 и возвратите полное количество, но покупатель должный к нашему приобретению модельной ошибки не ответственен за возвращения, другую из продаж компании продуктов наслаждается одним годом от даты проверки качества пересылки, согласно первоначальным стандартам качества, во время гарантии с проблемами продукта, испытания подтверждения потребности изготовителем, поставщика, который нужно разрешить, стороны спроса должной к хранению, пользы, плохого обслуживания причиненного продуктом низк-качества, и не возражений повышения.
Образцы
Вы можете отправить образец для того чтобы подгонять продукты, мы имеете много инженеров можете помочь ему; Если вы хотите продукт моих, то но вы не уверены если оно, то чего вы хотите, поэтому вы можете попросить образец от меня, оно будет свободны.
обслуживание После-продажи
Мы можем обеспечить серию обслуживания после-продажи, как внедрение продукции, установка, отладка, служба технической поддержки и так далее.
Конкурентное преимущество
| Наши характеристики продукта | Наша гарантия обслуживаний: |
| 1) Конкурентоспособная цена | 1) Подсказка отвечает (ответ с 24 часами) |
| 2) Хорошее качество | 2) Свободные образцы (оплата клиента для стоимости поставки) |
| 3) Профессиональная упаковка | 3) Поддержка регистрации. |
| 4) Продукция согласно инструкции клиентов | 4) Фото/видео доступны во время продукции. |
| 5) Никакие задерживают пересылку | 5) Осмотр загрузки, и отправляет фото загрузки перед пересылкой. |
Время подач
0:00 - 23:59
От понедельника к воскресенью