Регулятор давления блоков подготовки воздуха серии Течно с переполнением АР3000-02 АР3000-03
Характеристика продукта:
1. Структура чувствительна и компактна
2. Количеством капания масла можно сразу наблюдать через прозрачный лист осмотра.
3. БЛ имеет высокопрочные пластиковые экраны, который более безопасен и надежен для использования.
4. Потеря давления и подача мисцтарт низки.
Спецификация:
| Модель | АР1000 - М5 | АР2000-01 | АР2000-02 | АР2500-02 | АР2500-03 | АР3000-02 | АР3000-03 | АР4000-03 | АР4000-04 | АР4000-06 | АР5000-06 | АР5000-10 |
| Расклассифицированная подача | 100 | 550 | 550 | 2000 | 2000 | 2500 | 2500 | 6000 | 6000 | 6000 | 8000 | 8000 |
| Совместная скважина трубы | М5 | Г1/8» | Г1/4» | Г1/4» | Г3/8» | Г1/4» | Г3/8» | Г3/8» | Г1/2» | Г3/4» | Г3/4» | Г1» |
| Самое высокое давление деятельности | л.ОМПа | |||||||||||
| Обеспеченное сопротивление давления | 1.5МПа | |||||||||||
| Температурная амплитуда рабочей температуры | 5-60℃ | |||||||||||
| Ряд регулируемого давления | 0.05-0.7МПа | 0.05-0.85МПа | ||||||||||
| Тип клапана | С переполнением | |||||||||||
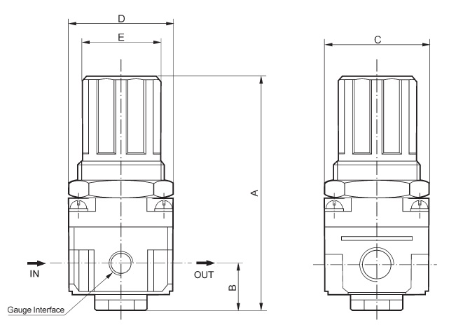
Размер Дравсинг:

| Модель | Скважина | А | Б | К | Д | Э |
| АР1000 | М5 | 61,5 | 11 | 25 | 25 | 28 |
| АР2000 | Г1/8» - Г1/4» | 95 | 17 | 40 | 40 | 34 |
| АР2500 | Г1/4» - Г3/8» | 102,5 | 25 | 48 | 53 | 34 |
| АР3000 | Г1/4» - Г3/8» | 127,5 | 35 | 53 | 53 | 40 |
| АР4000 | Г3/8» - Г1/2» | 149,5 | 37,5 | 70 | 70 | 54 |
| АР4000-06 | Г3/4» | 154 | 40,5 | 70 | 70 | 54 |
| АР5000 | Г3/4» - Г1» | 168 | 48 | 90 | 90 |
54 |
Детали упаковки:



Доставка
1. Инструкции установки/обслуживания включены с каждым клапаном
2. Клапаны соленоида можно установить в любом положении без влияния деятельности
3. клапан катышкы поставленный с 2 плитами интерфейса с поверхностями НАМЮРА сопрягая. В зависимости от функции (НК 3/2 или 5/2), располагает одну из 2 плит на тело клапана катышкы перед установкой на привод
4. Необходимо соединить трубы или штуцеры с портами вытыхания для защиты внутренних частей клапана катышкы и своего пневматического оператора если использовано вне или в жестких окружающих сред, то (пылит, жидкости, етк.)
5. контрольный штифт (при необходимости), болты и набивки поставленный стандарт
6. продетый нитку идентификатор соединения трубы является следующим: 8 = НПТ (АНСИ 1.20.3); Г = Г (ИСО 228/1)
Конкурентное преимущество
| Наши характеристики продукта | Наша гарантия обслуживаний: |
| 1) Конкурентоспособная цена | 1) Подсказка отвечает (ответ с 24 часами) |
| 2) Хорошее качество | 2) Свободные образцы (оплата клиента для стоимости поставки) |
| 3) Профессиональная упаковка | 3) Поддержка регистрации. |
| 4) Продукция согласно инструкции клиентов | 4) Фото/видео доступны во время продукции. |
| 5) Никакие задерживают пересылку | 5) Осмотр загрузки, и отправляет фото загрузки перед пересылкой. |
Гарантия
Весь деталь приходит с основной гарантией 3 продавцов месяца, если деталь неполноценный в 3 месяцах, мы предложит замену без дополнительного заряжателя, то (включая гонорар доставки) после того как мы получим неполноценный деталь.
Если деталь неполноценный после 3 месяцев, покупатели может все еще отправить его назад, то мы контактируем поставщиков или Мануфакторы для гарантии. Покупатели могли оплатить гонорар доставки для отправляют замененный деталь.