Особенности
1. клапаны соленоида АСКО НУМАТКС удовлетворяют все уместные директивы ЭК.
2. Одностабильные клапаны катышкы в соответствии с стандартом ИЭК 61508 (2010 версией х маршрута 2) имеют ТÜВ (551 серию) и ЭСИДА (551-553 серий) аттестованное с уровнями целостности: СИЛ 2 для ХФТ = 0/СИЛ 3 для ХФТ = 1
3. Охрана окружающей среды предложения клапанов против входа жидкостей, пылится или любая другая побочная примесь (экологическ-защищенная конструкция).
4. Катушка отлитая в форму эпоксидной смолой для применений общих услуг.
5. Такой же клапан катышкы можно приспособиться для 3/2 НК или 5/2 функций для контролируя двух-действуя и одно-действуя приводов
6. Все порты вытыхания этого клапана катышкы пипабле, обеспечивающ лучшую особенно порекомендованную охрану окружающей среды, для деликатных областей как чистые комнаты, и применения в участках фармацевтических и пищевой промышленности.
Материалы
| Тело | Алюминий, чернит анодированный |
| Крышки конца + плиты интерфейса | наполненный Стекл полиамид |
| Внутренние части | Замак, нержавеющая сталь, винилацеталь (ПОМ), алюминий |
| Герметизировать | НБР + ПУР |
| Ядр и трубка ядра | Нержавеющая сталь |
| Затенять катушку | Медь |
Электрические характеристики
| Класс изоляции катушки | Ф |
| Спецификация соединителя | ДИН 43650, 11 мм, индустрия, стандартный б (тип 01) или ИСО 4400 (тип 02) |
| Соединитель | Штепсельная вилка лопаты (кабель Ø 6-8 мм или Ø 6-10 мм) |
| Электрическая безопасность | ИЭК 335 |
| Стандартные напряжения тока | ДК (=): 24В АК (|): 24В - 115В - 230В/50 Хз |
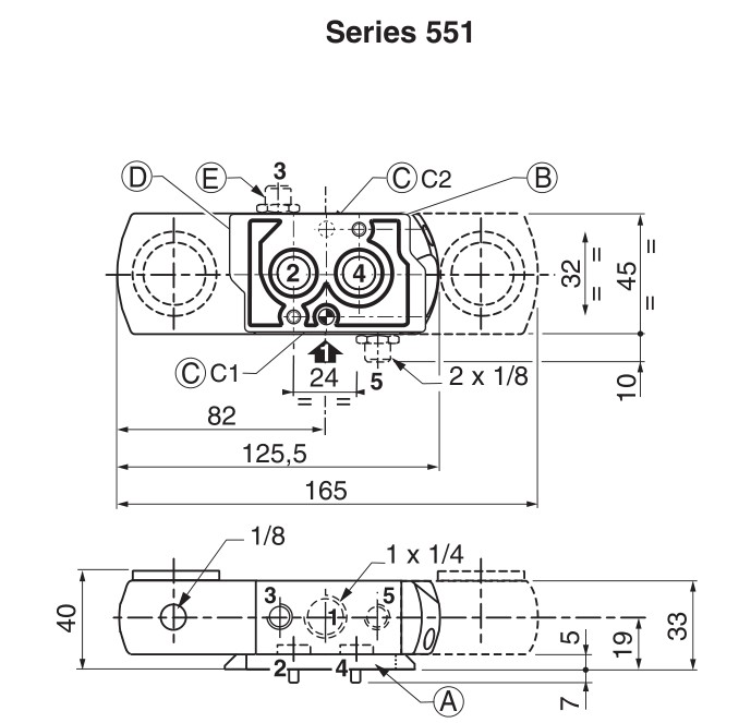
Чертежи размера


Изображения и детали


Доставка
1. Если продукты, то мы имеем в магазине, мы отправим его вне КАК МОЖНО СКОРЕЕ после оплаты.
2. Если продукты которые были подгоняны, мы завершат продукцию в пределах определенный период времени, и отправляют его вне в первый раз, то мы можем пообещать ему.
3. Также мы можем отправить вашим кчетом доставки если вы хотите.
4. Мы имеем разнообразие пути отправить товары, обычно ДХЛ, Федерал Экспресс, ТНЛ будем нормальными путями. Если вы требуете пользы курьера, то мы можем сделать его.
Конкурентное преимущество
| Наши характеристики продукта | Наша гарантия обслуживаний: |
| 1) Конкурентоспособная цена | 1) Подсказка отвечает (ответ с 24 часами) |
| 2) Хорошее качество | 2) Свободные образцы (оплата клиента для стоимости поставки) |
| 3) Профессиональная упаковка | 3) Поддержка регистрации. |
| 4) Продукция согласно инструкции клиентов | 4) Фото/видео доступны во время продукции. |
| 5) Никакие задерживают пересылку | 5) Осмотр загрузки, и отправляет фото загрузки перед пересылкой. |
обслуживание После-продажи
Мы можем обеспечить серию обслуживания после-продажи, как внедрение продукции, установка, отладка, служба технической поддержки и так далее.
Гарантия
Весь деталь приходит с основной гарантией 3 продавцов месяца, если деталь неполноценный в 3 месяцах, мы предложит замену без дополнительного заряжателя, то (включая гонорар доставки) после того как мы получим неполноценный деталь.
Если деталь неполноценный после 3 месяцев, покупатели может все еще отправить его назад, то мы контактируем поставщиков или Мануфакторы для гарантии. Покупатели могли оплатить гонорар доставки для отправляют замененный деталь.