Описание:
qty описания части нет
147 50 управление пневматическое - 2 - TF/LF 644 h - PN 1
147 50 управление пневматическое - 2 - TS/LF 646 h - PN 1
147 50 управление пневматическое - 2 - TF/LF 650 h - PA 1
147 50 управление пневматическое - 2 - TS/LF 652 h - PA 1
Объяснение Кодов:
❐ 2 = управление имеет 2 раздела
❐ TF = рукоятка зафиксировано в наклонять положение конца
TS = рукоятка ❐ имеют возвращение весны в положении подсказки
❐ LF = рукоятка зафиксировано в положении понижая конца
❐ управление PNL = P.T.O не имеет никакую автоматическую освобождать
P.T.O. контролируйте имеет светильник
Управление ПРИЯТЕЛЯ = P.T.O ❐ имеет автоматическую освобождать
P.T.O. контролируйте имеет светильник
Чертежи

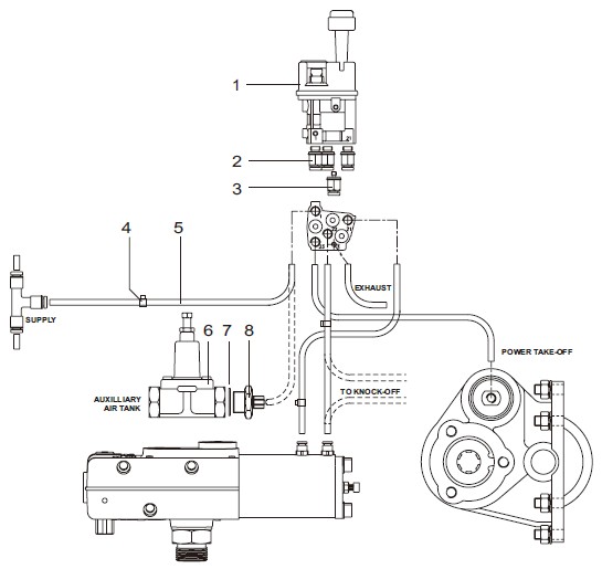
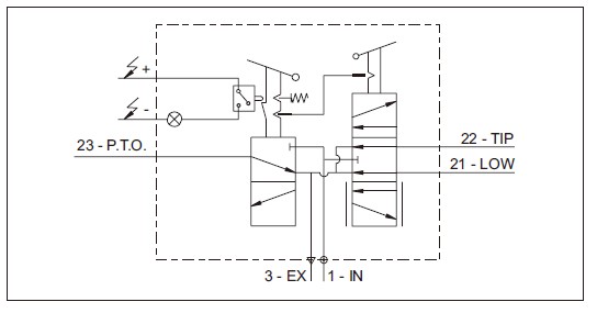
1: = воздуховод
3: = отсос воздуха
21: = понижающ соединение
(к наклонять клапан)
22: = наклоняющ соединение
(к наклонять клапан)
23: = работая порт P.T.O.
Установка управления воздуха:
Когда управление воздуха установлено рядом с водителями усадите сильную поддержку быть использовано.
Доступные поддержки являются следующими:
- 092 32 002 для установки на-места
- 092 05 002 для установки на-пола
Grommets пользы всегда резиновые для того чтобы защитить воздушные рукава и предотвратить что пыль и вода входят в кабину.
На безотказная жизнь всей пневматической системы система воздуха должна быть свободна от воды.
Управление воздуха должно быть установлено в такой манере это:
1 легко достигнуть оператором.
2 никакая препона при входе или выходящ кабины.
3 ясно от всех двигающих частей как место водителей и закрытая дверь.
Соединение отсоса воздуха необходимо принести вне
кабина для того чтобы предотвратить воздух входя в кабину, которая дает следующие недостатки:
1 шум
2 надутое - вверх по песку и пыли
3 когда спирт будет использован для того чтобы предотвратить пневматическую систему против заморозка пар спирта войдут кабину
o убеждается что воздушные рукава:
1 нет слишком близко к острым предметам.
2 ясно от двигающих частей.
3 ясно от линий вытыхания и компрессора.
4 не могут получить kinked.
5 слишком не длинне.
примечание: Поставку воздуха необходимо всегда выстукивать от вспомогательного бака воздуха или вспомогательного клапана и
пневматическую систему необходимо защитить с загрузочным клапаном.
(см. контрольные линии от изготовления тележки)
Для деятельности управления воздуха см. Hyva
инструкции деятельности и обслуживания
Примечание:
Поставку воздуха необходимо всегда принимать от вспомогательного бака воздуха или вспомогательное valveand пневматическая система необходимо защитить с загрузочным клапаном.


pos. qty описания номера детали.
1 147 50 управление пневматическое - 2 - TF/LF 644 h - PNL 1
147 50 управление пневматическое - 2 - TS/LF 646 h - PNL 1
147 50 управление пневматическое - 2 - TF/LF 650 h - ПРИЯТЕЛЬ 1
147 50 управление пневматическое - 2 - TS/LF 652 h - ПРИЯТЕЛЬ 1
2,3,4,5 147 50 наборов P.T.O воздуха 119 k. /клапан 1
соединение 2 148 10 517 для управления воздуха G1/8» 5
соединение 3 148 10 515 для управления воздуха M5 1
4 148 75 связь 8 500 воздушных рукавов
5 148 75 007 воздушный рукав 6x4 (25 m) 1
6,7,8 147 54 наборов опционное 1 010 загрузочных клапанов
7 148 84 501 шайба 27x22 опционное 1
8 148 11 005 соединяя m 22-6 mm опционное 1
092 32 002 устанавливая поддержка опционное 1
устанавливая sup 092 05 002. (angled) опционное 1

Конкурентное преимущество:
| Наши характеристики продукта: | Наша гарантия обслуживаний: |
| 1) Конкурентоспособная цена | 1) Подсказка отвечает (ответ с 24 часами) |
| 2) Хорошее качество | 2) Свободные образцы (получка клиента для стоимости поставки) |
| 3) Профессиональный упаковывать, | 3) Поддержка зарегистрирования. |
| 4) Продукция согласно инструкции клиентов | 4) Фото/видео доступны во время продукции. |
| 5) Никакие задерживают пересылку |
5) Осмотр нагрузки, и посылает фото нагрузки перед пересылкой. |
Стандарты качества:
Компания для продуктов brandnew первоначально продукты, не перекупные и приведенные продукты, или выйдите compensable 10 и возвратите полное количество, но покупатель должный к нашей покупке модельной ошибки не ответствен для возвращений, другого из сбываний компании продуктов наслаждается одним годом от даты проверки качества пересылки, согласно первоначально стандартам качества, во время гарантированности при проблемы продукта, испытания подтверждения потребности изготовлением, поставщика, котор нужно разрешить, стороны требования должной к хранению, пользы, плохого обслуживания причиненного продуктом низк-качества, и не возражений повышения
Гарантированность:
Весь деталь приходит с основной гарантированностью 3 продавецов месяца, если деталь неполноценный в 3 месяцах, мы предложит замену без экстренного заряжателя, то (включая гонорар перевозкы груза) после того как мы получим неполноценный деталь.
Если деталь неполноценный после 3 месяцев, покупатели может все еще послать его назад, то мы контактируем поставщиков или Manufactory для гарантированности. Покупатели могли оплатить гонорар перевозкы груза для resend замененный деталь.