Характер продукции
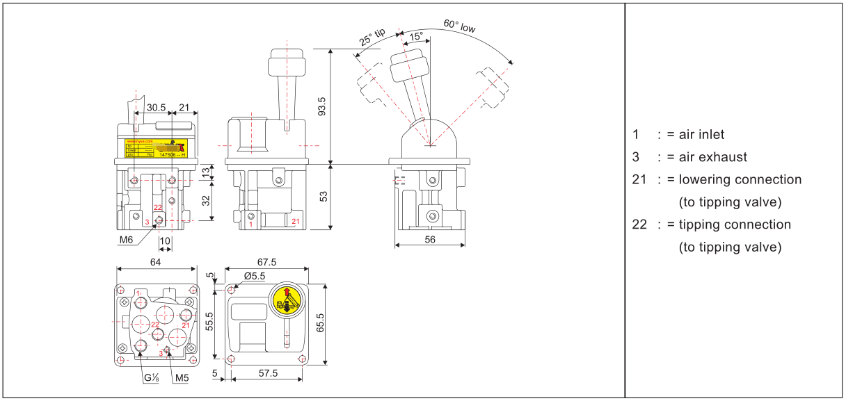
1 ряд управления воздушным движением раздела:
описание номера детали
147 50 665H контроль пневматическое - 1 - TF/IF
147 50 667H контроль пневматическое - 1 - TS/IF
Объяснение кодов:
1 = контроль имеет 1 раздел
TF = рычаг зафиксированы в наклонять положение конца
TS = рычаг имеют возвращение весны в положении подсказки
ЕСЛИ = рычаг зафиксирован в положении понижая конца



Быстрая деталь
1. Сила: Гидравлический
2. Материал: Алюминий и пластмассы
3. Давление: Среднее давление
Описание
1. Самосвал спада контролирует ручной клапан использован очень широко.
2. Почти все тележки могут быть использовать модулирующие лампы. Переустановите клапаны для клапана presure liniting, с гибким,
характеристики длинной жизни, можно совместить с клапаном управления воздушным движением, хотя отверстие клапана и закрывая изменение
направления подачи контроля, играют ограниченную роль.
3. Клапан установлен в кабину.
4. Клапан имеет подниматься, магазин, падение и регулятор мощности переключает рукоятку управления, клапан спуска может быть
отрегулированный свободно, оно может контролировать количество возвращения масла модулирующей лампы газа PT, останавливает, вниз, положения было
запертый, ясность перемещения.
Преимущества продукта
1. После установите клапан предела, вас смогите выбрать большой насос смещения, поднимаясь время уменьшит мимо
20%; Это увеличит номер времени блока цилиндра подъема.
2. Ограничиваясь клапан может уменьшить скорость конца хода плунжерного штока цилиндра. И скорость поршеня цилиндра
штанга важный фактор влияя на жизнь цилиндра, особенно в холодных coonditions деятельности цилиндра.
3. Избегите возникновения поршеня в шуме конца хода цилиндра, комфорта удара водителя роста.
4. Увеличьте жизнь rervice цилиндра и насоса.
5. Уменьшить усилия двигателя уменьшить расход топлива.
В additon
Если вы получили, то продукт имеет проблему, пожалуйста дайте мне знать в первый раз.