Пневматически приводящий клапан аварийного отключения клапан шаровой клапан KITZ Масляные носители
КИТЗс пневматическим приводом (двойного действия)
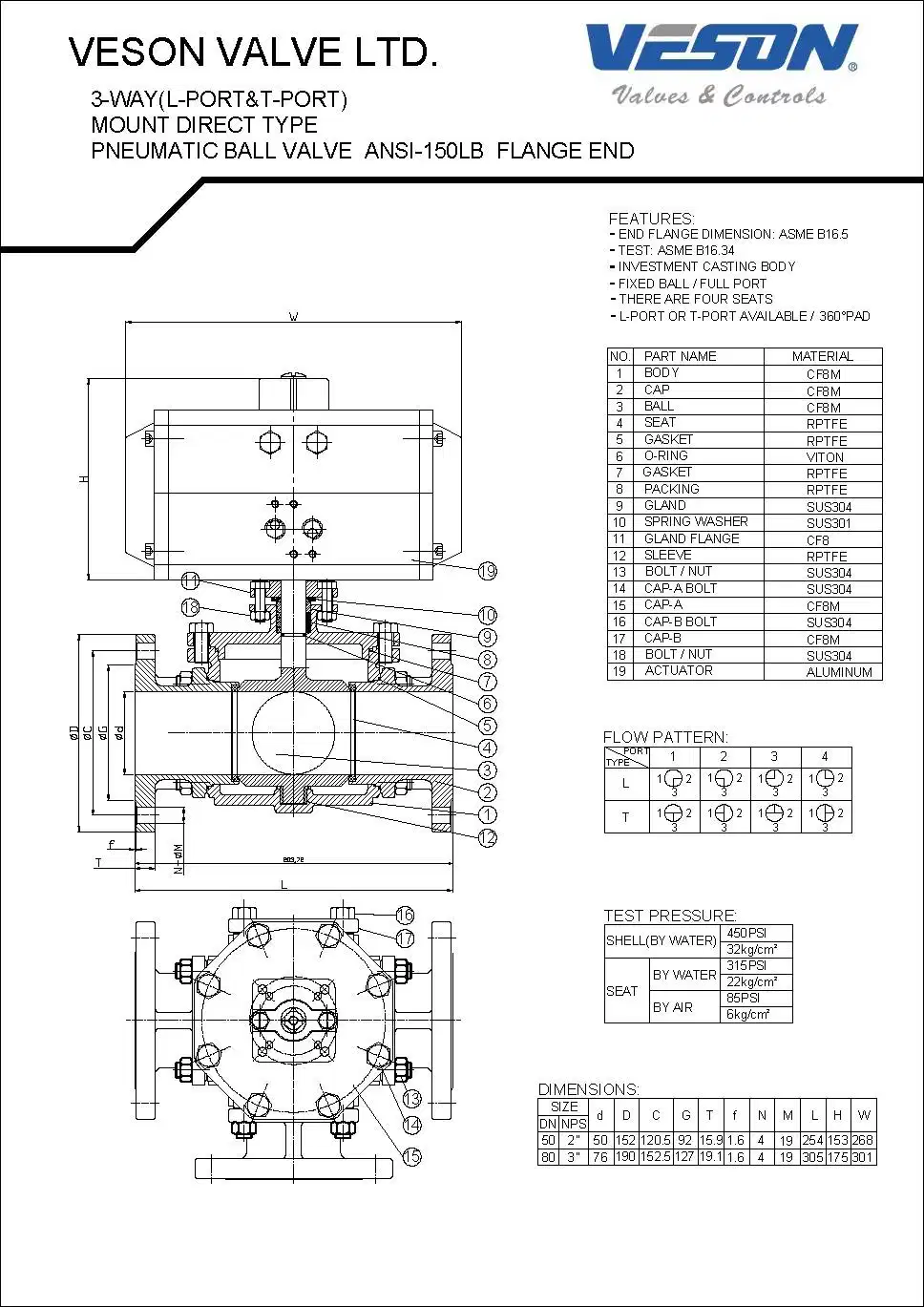
[Особенности]
· Алюминиевый корпус привода из литого сплава и конфигурация двойного поршневого привода объединяются для компактного легкого привода.
· Состоит из минимального количества компонентов,ВВесон пневматический приводящий механизм наименее подвержен отказам и обеспечивает отличную долговечность.
· Специальный электродинамический клапан может быть присоединен непосредственно к приводу, что устраняет сложное устройство труб.
· Двойная поршневая стойка и пинионная конструкция обеспечиваютЧетверть оборотной силовой установкой с отличной эффективностью.
· Проведениепневматический приводящий механизм типа vesonбыть непосредственно связанным склапан KITZ с использованием только двух болтов 
Весон воздушные клапаны ANSI 150# из нержавеющей стали с фланцевыми шарами предназначены для общего химического и промышленного применения.Полный порт 2-частный проектированный инвестиционный отливный клапан прямой крепления к приводу с стандартной ISO5211 монтажной подставкойДвойные приводы используют сигнал давления воздуха (80-120 PSI) для открытия и закрытия клапана.Набор для установки высокотемпературных клапанов, доступный для расширенного диапазона температур или настенного монтажаВсе клапаны проверяются по API 598.
Стандартные характеристики шарового клапана

