Уплотнение тела NBR клапана переключения руки серии 4HV белое или уплотнение TC с гайкой
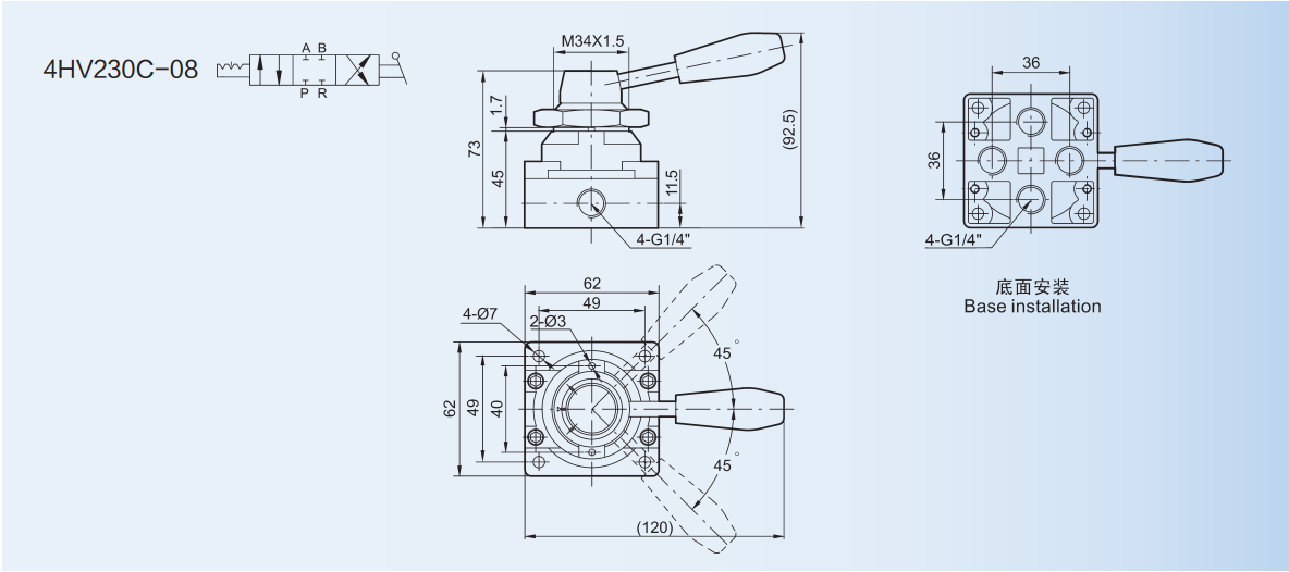
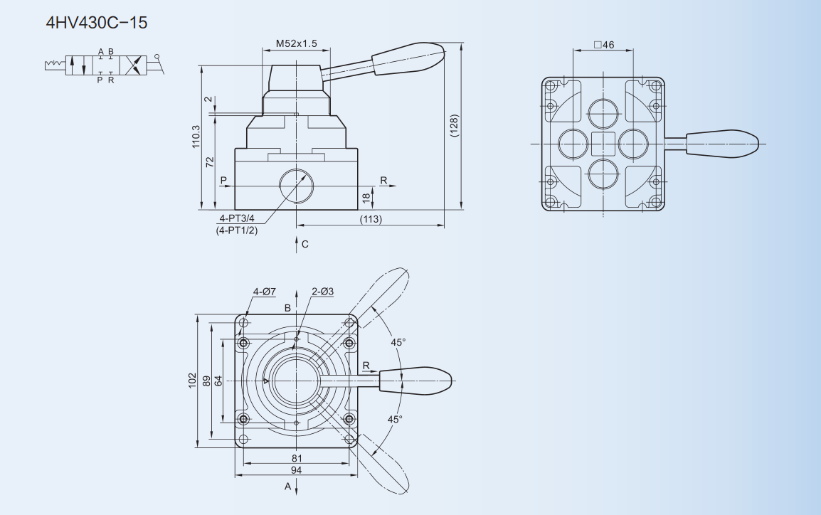
Размер G1/4 порта клапана переключения руки серии 4HV трехпозиционный четырехпроводной, G3/8, G1/2 например 4HV400-15 с углом переключения 90º
Быстрая деталь:
* клапан переключения руки серии 4HV
* трехпозиционное четырехпроводное
* гаван размер G1/4, G3/8, G1/2
* установка основного корпуса и установка панели для варианта
* переключая угол 90º, чувствительный действовать repond
* ровное переключение, длинный срок службы
Применения:
Руководство клапана переключения руки серии 4HV привелось в действие пользу для быстрого изменения направления везде и в любое время необходимая функция необходимо ручной работать, должная к легкий и гибкий работать, было широко пользой в пневматической системе
Specifiction
| Модель | 4HV-200 | 4HV-300 | 4HV-400 | ||||||
| Гаван код размера | 6A | 8A | 8A | 10A | 15A | 8A | 10A | 15A | 20A |
| Работая жидкость | Воздух | ||||||||
| ряд Работать-давления | 0~10Kgf/cm | ||||||||
| Температура окружающей среды | 5~60℃ | ||||||||
| Путь НЕТ. | 4 | ||||||||
| Гаван размер | PT1/8 | PT1/4 | PT1/4 | PT3/8 | PT1/2 | PT1/4 | PT3/8 | PT1/2 | PT3/4 |





