M - Аксессуары цилиндра кронштейна ноги LB мини с материалом нержавеющей стали
Серьга CA пневматических аксессуаров цилиндра воздуха одиночная, серьга CB двойная, кронштейн ноги LB, фланец FA/FB, Clevis y, подшипник рыб глаза, штуцер поплавка, штуцер I, серьга SDB, центральное Turnion, clevis u
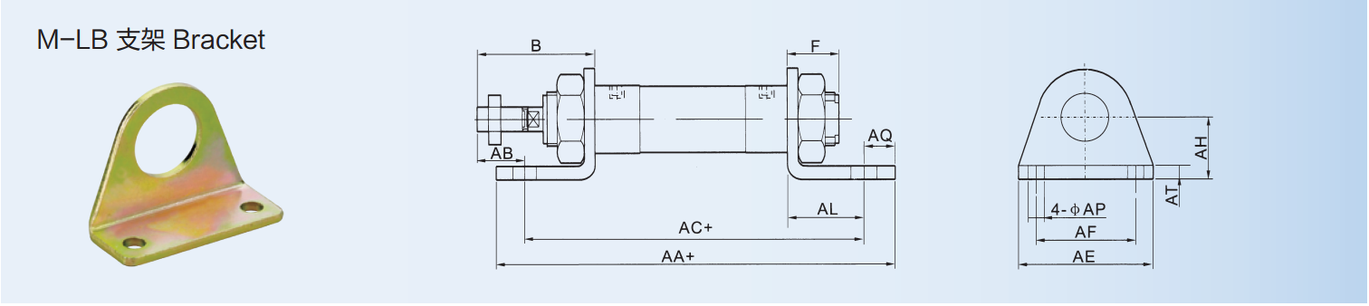
Быстрая деталь:
* пневматические аксессуары цилиндра воздуха
* различные asccessories для устанавливать и функциональное применения
* покрывать полный диапасон размера цилиндра воздуха от Dia.8mm~dia.400mm
* алюминиевый материал материала и стали отливки доступный
* легкий и быстрый для operatating, который нужно установить на цилиндры
* с хорошей формой качественным поверхностным покрытием
* особенные аксессуары цилиндра воздуха могут быть подгонять для специфического применения
Применения:
Пневматические аксессуары цилиндра воздуха поддерживая части для цилиндра воздуха для того чтобы осуществить установку приспособления и функциональное соединение применения с цилиндром и workpieces воздуха.
Спецификация
| AA | AC | ||||||||||||||||||||||||
| B | F | Серия МАМ | Серия MAL | Серия MSA | Серия MSAL | AB | Серия МАМ | MALSeries | Серия MSA | Серия MSAL | AE | AF | AL | AQ | AP | НА | АХ | ||||||||
| Скважина | |||||||||||||||||||||||||
| 0-50 | 51-100 | 0-50 | 51-100 | 0-50 | 51-100 | 0-50 | 51-100 | ||||||||||||||||||
| 16 | 38 | 16 | 98 | - | 98 | 123 | - | - | 25 | 86 | - | 86 | 111 | - | - | 44 | 32 | 13 | 6 | 5,5 | 3 | 20 | |||
| 20 | 40 | 12 | 122 | 116 | 122 | 147 | 116 | 141 | 25 | 106 | 100 | 106 | 131 | 100 | 125 | 54 | 40 | 15 | 8 | 6,5 | 3 | 25 | |||
| 25 | 44 | 14 | 122 | 116 | 122 | 147 | 116 | 141 | 29 | 106 | 100 | 106 | 131 | 100 | 125 | 54 | 40 | 15 | 8 | 6,5 | 3 | 25 | |||
| 32 | 44 | 14 | 142 | 136 | 142 | 167 | 136 | 161 | 19 | 126 | 120 | 126 | 151 | 120 | 145 | 59 | 45 | 25 | 8 | 6,5 | 4 | 32 | |||
| 40 | 46 | 14 | 142 | 158 | 142 | 167 | 158 | 183 | 21 | 126 | 142 | 126 | 151 | 142 | 167 | 64 | 60 | 25 | 8 | 6,5 | 4,5 | 36 | |||

