4V100 | модулирующая лампа 400 серий пневматическая, путь 5/2 клапан соленоида воздуха 3/2 пути
Airtac Type18mm, 22mm, 27mm, 34mm, 5/2 одиночных действующих клапанов соленоида 1/8" ~1/2", алюминиевый материал тела
2 управление и соленоид пути положения 3 пневматическое - привел в действие клапан управления по направлению, эксплуатируемый пилота
Быстрая деталь:
* тип серия Airtac клапана соленоида 4V
* алюминиевая ширина 18mm материального тела, 22mm, 27mm, 34mm
* пилотный работаемый, внутренний пилотный тип
* жизненный цикл 10000000 раз
* пустите тип по трубам соединения и соединения Намюр для варианта
* электричество соединителя Din и провода outlead подключая для дискретного
* ручное преодоление автоматики металла обеспечить стабильность когда отказ источника питания или необходимое функциональное движение
* высококачественный пилотный armature обеспечить быструю и чувствительную обратную связь когда соедините eletricity
* катушка электромагнитной индукции класса IP65, низкое потребление, длинный срок службы
* освоенные изделия, стоили эффектно
Specifiction
| Модель | 4V110-M5 | 4V120-M5 | 4V130C-M5 | 4V130E-M5 | 4 V 130 ПОСЛЕ ПОЛУДНЯ 5 | 4V110-06 | 4V120-06 | 4V130C-06 | 4V130E-06 | 4V130P-06 |
| 4A110-M5 | 4A120-M5 | 4A130C-M5 | 4A130E-M5 | 4 A 130 ПОСЛЕ ПОЛУДНЯ 5 | 4A110-06 | 4A120-06 | 4A130C-06 | 4A130E-06 | ||
| Тип клапана | 5/2 путей | 5/3 путей | 5/2 путей | 5/3 путей | ||||||
| Эффективная секционная область | 10mm2 (CV=0.56) | 7mm2 (CV=0.40) | 12mm2 (CV=0.67) | 9mm2 (CV=0.5) | ||||||
| Модель | 3V110-M5 | 3V120-M5 | 3A110-M5 | 3A120-M5 | 3V110-06 | 3V120-06 | 3A110-06 | 3A120-06 | ||
| Тип клапана | 3/2 путей | |||||||||
| Эффективная секционная область | 10mm2 (CV=0.56) | 12mm2 (CV=0.67) | ||||||||
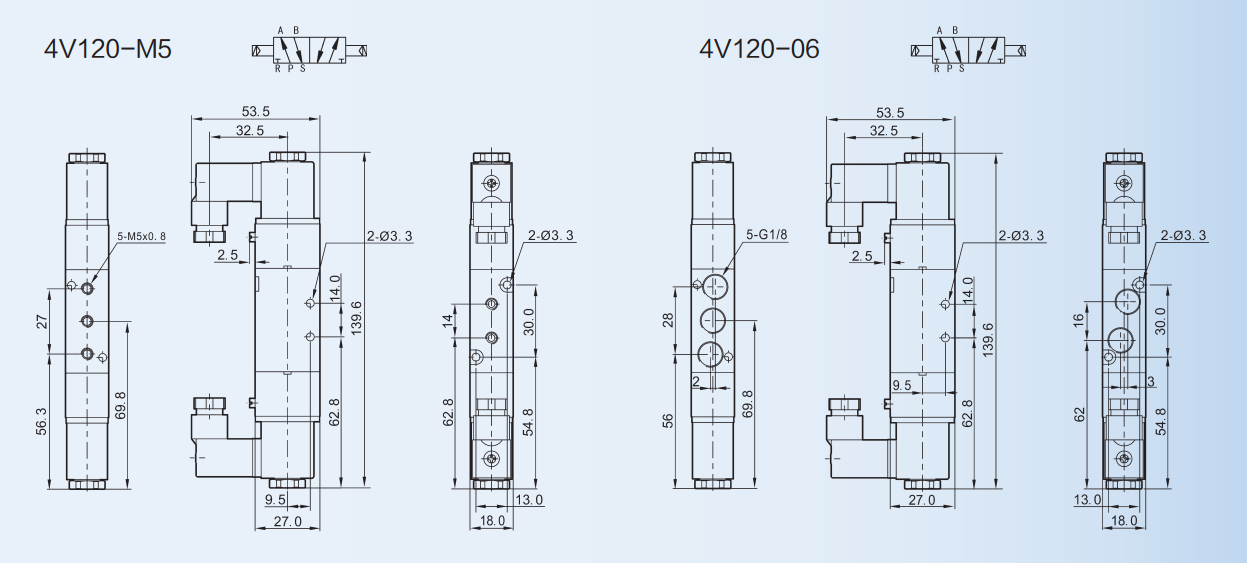
| Гаван размер | Воздух Inlet=Air Outlet=Exhaust=M5×0.8 | ″ Inlet=Air Outlet=Exhaust=G1/8 воздуха | ||||||||
| Средство деятельности | 40 воздух фильтрованный микронами | |||||||||
| Картина движения | Внутренний тип проводника | |||||||||
| Работать-давление | 0.15~0.8MPa | |||||||||
| Максимальное сопротивление давления | 1.2MPa | |||||||||
| Рабочая температура | 5~50℃ | |||||||||
| Ряд напряжения тока | ±10% | |||||||||
| Расход энергии | AC: DC 2.8VA: 2.8W | |||||||||
| Класс изоляции & защиты | F CLASS.IP65 | |||||||||
| Связывать проволокой форму | ТИП ПОДВОДЯЩЕГО ПРОВОДА ИЛИ СОЕДИНИТЕЛЯ | |||||||||
| Самая высокая частота действия | 5 CYCLE/SEC | |||||||||
| Самое короткое время возбуждения | 0,05 SECONG | |||||||||










