Тип вибромашина Findeva шарика серии k пневматическая для хоппера
Вибромашины шарика серии k пневматические просты и хороши. Широкий диапазон для много применений.
Свойства:
1. сильный
2. расклассифицированный rpm частоты 7300 до 35000
3. маховая сила 130 до 4050 n
4. непрерывно переменный
5. Смогите быть использовано до 100°C
6. HT-версия до 150°C по запросу
Сфера применения:
1. опорожнять бункеров
2. сетчатые фильтры
3. вибрируя таблицы
4. предотвращение прилипаний в piplines и силосохранилищах
5. двигать товаров
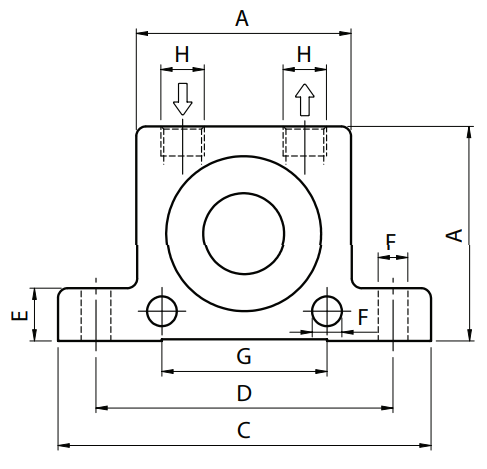
Основной размер вибромашин шарика серии k пневматических:

| Модель | (mm) | Ширина (mm) | C (mm) | D (mm) | E (mm) | F (mm) | G (mm) | H (Поток) | 
| K-8 | 50 | 20 | 86 | 68 | 12 | 7 | 40 | G1/4» | 
| K-10 | 50 | 20 | 86 | 68 | 12 | 7 | 40 | G1/4» | 
| K-13 | 65 | 24 | 113 | 90 | 16 | 9 | 50 | G1/4» | 
| K-16 | 65 | 27 | 113 | 90 | 16 | 9 | 50 | G1/4» | 
| K-20 | 80 | 33 | 128 | 104 | 16 | 9 | 60 | G1/4» | 
| K-25 | 80 | 38 | 128 | 104 | 16 | 9 | 60 | G1/4» | 
| K-30 | 100 | 44 | 160 | 130 | 20 | 11 | 80 | G3/8» | 
| K-36 | 100 | 50 | 160 | 130 | 20 | 11 | 80 | G3/8» | 
 Технические данные вибромашин шарика серии k пневматических:
| Модель | Вибрации (x1000 RPM) | Маховая сила (N) | Потребление воздуха (Л/МИН) | ||||||
| бар 2 | бар 4 | бар 6 | бар 2 | бар 4 | бар 6 | бар 2 | бар 4 | бар 6 | |
| K-8 | 25,5 | 31,0 | 35,0 | 130 | 260 | 360 | 83 | 145 | 195 | 
| K-10 | 22,5 | 28,0 | 34,5 | 250 | 470 | 710 | 92 | 150 | 200 | 
| K-13 | 15,0 | 18,5 | 22,5 | 320 | 550 | 870 | 94 | 158 | 225 | 
| K-16 | 13,0 | 17,0 | 19,5 | 450 | 800 | 1100 | 122 | 200 | 280 | 
| K-20 | 10,5 | 14,5 | 16,5 | 720 | 1220 | 1720 | 130 | 230 | 340 | 
| K-25 | 9,2 | 12,2 | 14,0 | 930 | 1570 | 2050 | 160 | 290 | 425 | 
| K-30 | 7,8 | 9,7 | 12,5 | 1510 | 2470 | 3210 | 215 | 375 | 570 | 
| K-36 | 7,3 | 9,0 | 10,0 | 2060 | 3150 | 4050 | 260 | 475 | 675 | 
 Конструкция вибромашин шарика серии k пневматических:

Более пневматические вибромашины для вашего, который нужно выбрать:
|  |  |  | 
| Серия GT Пневматические вибромашины турбины | Серия k Пневматические вибромашины шарика | Серия r Пневматическая вибромашина ролика | 
Больше аксессуаров для пневматического Vibratos:
|  |  | 
| Пневматический штуцер | Пневматический звукоглушитель | 
Фокус на ваших требованиях, предложение вы самое лучшее решение:
√ свяжется мы если некоторые пункты вы имеют сомнение
√ свяжется мы если где-то нужно изменить
√ свяжется мы если не одно, то вы ищете
√ свяжется мы если вы делаете конструировать
Добро пожаловать к вашим любым вопросу и дознанию!